Page top
快速链接到欧姆龙其他国家/地区的网站。
欧姆龙全球
信息更新: 2018年12月26日
XS3W 带电缆接插件 插座/插头两侧接插件
螺钉接线型(M8)机器人(耐振动)电缆
直线型(插座) /直线型(插头)
XS3W-M321-3□□-R (3芯)
XS3W-M421-4□□-R (4芯)
L型(插座) /L型(插头)
XS3W-M422-4□□-R (4芯)
直线型(插座) /L型(插头)
XS3W-M423-4□□-R (4芯)
直线型(插座) /L型(插头)
XS3W-M423-4□□-R (4芯)
螺钉安装型(M8)耐油增强(聚氨酯)机器人电缆
直线型(插座) /直线型(插头)
XS3W-M421-4□□-PR (4芯)
L型(插座) /L型(插头)
XS3W-M422-4□□-PR (4芯)
直线型(插座) /L型(插头)
XS3W-M423-4□□-PR (4芯)
L型(插座) /直线型(插头)
XS3W-M424-4□□-PR (4芯)
卡入型(S8)机器人电缆(耐振动)电缆 4芯
直线型(插座) /直线型(插头)
XS3W-S421-4□□-R
L型(插座) /L型(插头)
XS3W-S422-4□□-R
直线型(插座) /L型(插头)
XS3W-S423-4□□-R
L型(插座) /直线型(插头)
XS3W-S424-4□□-R
XS3W 带电缆接插件 M8插座/M12插头、M8插头/M12插座两侧接插件
M8 螺钉接线型 直线型(插座) /M12 Smart Click型 直线型(插头)
XS3W-M32C-3C2-A(3芯)
XS3W-M42C-4C2-A(4芯)
M12 Smart Click型 直线型(插座) /M8 螺钉接线型 直线型(插头)
XS3W-M32D-3C2-A(3芯)
XS3W-M42D-4C2-A(4芯)
XS3F 带电缆接插件 插座 单侧接插件
螺钉接线型(M8) 3芯
直线型
XS3F-M321-3□□-A 机器人(耐振动)电缆
XS3F-M321-3□□-R 标准电缆
L型
XS3F-M322-3□□-A 机器人(耐振动)电缆
XS3F-M322-3□□-R 标准电缆
螺钉接线型(M8) 4芯
直线型
XS3F-M421-4□□-A 机器人(耐振动)电缆
XS3F-M421-4□□-R 标准电缆
L型
XS3F-M422-4□□-A 机器人(耐振动)电缆
XS3F-M422-4□□-R 标准电缆
固定支架SUS316L规格(M8) 4芯
直线型
XS3F-E421-402-A
XS3F-E421-405-A
L型
XS3F-E422-402-A
XS3F-E422-405-A
螺钉接线型(M8) 4芯
直线型
耐油增强(聚氨酯)机器人电缆
XS3F-M421-4□□-PR
PUR电缆
XS3F-M421-4□□-L
L型
耐油增强(聚氨酯)机器人电缆
XS3F-M422-4□□-PR
PUR电缆
XS3F-M422-4□□-L
螺钉接线型(M8) 5芯 标准电缆
直线型
XS3F-M521-5□□-A
L型
XS3F-M522-5□□-A
卡入型(S8) 4芯 机器人(耐振动)电缆
直线型
XS3F-S421-4□□-R
L型
XS3F-S422-4□□-R
XS3H 带接插件电缆 插头 单侧接插件
螺钉接线型(M8) 3芯 机器人(耐振动)电缆
直线型
XS3H-M321-3□□-R
螺钉接线型(M8) 4芯 机器人(耐振动)电缆
直线型
XS3H-M421-4□□-R
L型
XS3H-M422-4□□-R
螺钉接线型(M8) 4芯 耐油增强(聚氨酯)机器人电缆
直线型
XS3H-M421-4□□-PR
L型
XS3H-M422-4□□-PR
卡入型(S8) 4芯 机器人(耐振动)电缆
直线型
XS3H-S421-4□□-R
L型
XS3H-S422-4□□-R
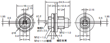
XS3P 接线盒用接插件 插座(面板安装型)
螺钉接线型(M8)
XS3P-M421-1 (DIP端子)
前锁或后锁
XS3P-M421-2 (焊帽端子)
前锁或后锁
XS3P-M422-2 (焊帽端子)
后锁
卡入型(S8)
XS3P-S421-1 (DIP端子)
前锁或后锁
XS3P-S421-2 (焊帽端子)
前锁或后锁
XS3P螺钉接线型和卡入型安装尺寸
面板切割
PCB安装尺寸
面板安装尺寸
XS3M 传感器嵌入型用接插件 插头
带螺钉嵌入型
带有DIP端子的嵌入型
XS3M-K421-1
带有焊帽端子的嵌入型
XS3M-K421-2
XS3M 面板安装用接插件 插头
前锁型 5芯
DIP端子4.5mm (也用作圆孔焊杯)无屏蔽端子
XS3M-M524-10
DIP端子4.5mm (也用作圆孔焊杯)有屏蔽端子
XS3M-M524-11
XS3R Y型连接插头/插座接插件
M8螺钉接线型
Y型连接插头/插座两侧接插件
XS3R-M426-1□□1-A
Y型连接插头/插座单侧接插件
XS3R-M426-1□□0-A
不带Y型连接插头/插座电缆
XS3R-M426-□
信息更新: 2018年12月26日