Page top

K7L-AT50□ / AT50D□□

漏液检测器/带断线检测功能 漏液检测器

K7L-AT50□ / AT50D□□

漏液检测带有高度的抗化学品腐蚀能力。K7L能用于从半导体生产设施到食品加工设备的很多种应用中。

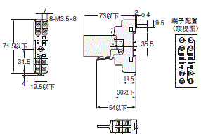
(单位:mm)

漏液位置检测器
K7L-AT50/AT50D/AT50DP

K7L-AT50□ / AT50D□□ 外形尺寸 1

漏液位置检测器
K7L-AT50B/AT50DB/AT50DPB

K7L-AT50□ / AT50D□□ 外形尺寸 2

连接端子台*
F03-20

K7L-AT50□ / AT50D□□ 外形尺寸 3

终端电阻*
F03-20T

K7L-AT50□ / AT50D□□ 外形尺寸 4

*连接端子台的材质为尼龙66。请用螺钉 (M3) 将其牢固地固定在不受药液侵袭的场所。

表面连接插座*
P2RF-08(可使用圆形端子)

K7L-AT50□ / AT50D□□ 外形尺寸 6

注:请用正确的紧固扭矩0.78~1.18N·m拧紧连接插座的M3固定螺钉。
* K7L的适用型号因插座的类型不同而异,敬请注意。若插座组合错误,K7L的铭板会上下颠倒。

表面连接插座*
P2RF-08-E

K7L-AT50□ / AT50D□□ 外形尺寸 7

注:请用正确的紧固扭矩0.59~0.88N·m拧紧连接插座的M3固定螺钉。
* K7L的适用型号因插座的类型不同而异,敬请注意。若插座组合错误,K7L的铭板会上下颠倒。

表面连接插座
P2RF-08-PU

K7L-AT50□ / AT50D□□ 外形尺寸 8

注:K7L的适用型号因插座的类型不同而异,敬请注意。若插座组合错误, K7L的铭板会上下颠倒。

漏液点式传感器
F03-16PS
F03-16PS-F

K7L-AT50□ / AT50D□□ 外形尺寸 9

点式传感器用安装配件
F03-26PS

K7L-AT50□ / AT50D□□ 外形尺寸 10

* 请使用市售的聚氯乙烯 (PVC) 用粘合剂。不要用粘贴带进行安装。