Page top

E39-L / -S / -R

安装支架/狭缝/反射板

E39-L / -S / -R

安装支架/狭缝/反射板

(单位:mm)

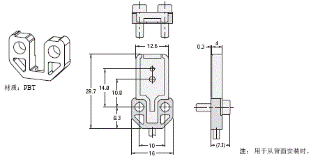
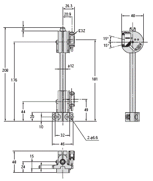
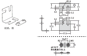
安装支架的外形尺寸

E39-L31

E39-L / -S / -R 外形尺寸 2

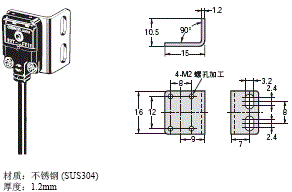
E39-L40

E39-L / -S / -R 外形尺寸 3

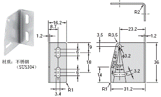
E39-L41

E39-L / -S / -R 外形尺寸 4

E39-L42

E39-L / -S / -R 外形尺寸 5

E39-L43

E39-L / -S / -R 外形尺寸 6

E39-L44

E39-L / -S / -R 外形尺寸 7

E39-L51

E39-L / -S / -R 外形尺寸 8

E39-L53

E39-L / -S / -R 外形尺寸 9

E39-L54V

E39-L / -S / -R 外形尺寸 10

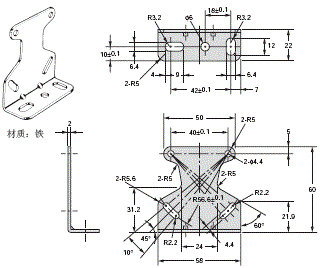
E39-L83

E39-L / -S / -R 外形尺寸 11

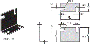
E39-L85

E39-L / -S / -R 外形尺寸 12

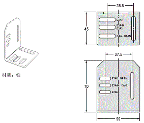
E39-L86

E39-L / -S / -R 外形尺寸 13

E39-L87

E39-L / -S / -R 外形尺寸 14

E39-L93FH

E39-L / -S / -R 外形尺寸 15

E39-L93FV

E39-L / -S / -R 外形尺寸 16

E39-L93H

E39-L / -S / -R 外形尺寸 17

E39-L93V

E39-L / -S / -R 外形尺寸 18

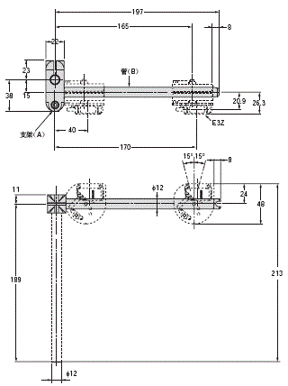
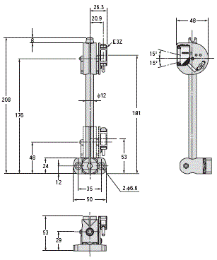
E39-L93XY

E39-L / -S / -R 外形尺寸 19

注: 请注意, E39-L93XY只有插接头用的支架(A)和管子(B)各1个,以及内六角螺栓和螺母各2个,如果只有一个单体,则无法安装传感器。

E39-L94

E39-L / -S / -R 外形尺寸 20

E39-L96

E39-L / -S / -R 外形尺寸 21

E39-L98

E39-L / -S / -R 外形尺寸 22

E39-L102

E39-L / -S / -R 外形尺寸 23

E39-L103

E39-L / -S / -R 外形尺寸 24

E39-L104

E39-L / -S / -R 外形尺寸 25

E39-L116

E39-L / -S / -R 外形尺寸 26

E39-L117

E39-L / -S / -R 外形尺寸 27

E39-L118

E39-L / -S / -R 外形尺寸 28

E39-L119

E39-L / -S / -R 外形尺寸 29

E39-L120

E39-L / -S / -R 外形尺寸 30

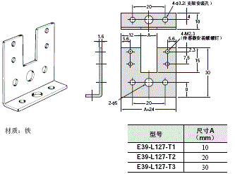
E39-L127-T1
E39-L127-T2
E39-L127-T3

E39-L / -S / -R 外形尺寸 31

E39-L131

E39-L / -S / -R 外形尺寸 32

E39-L132

E39-L / -S / -R 外形尺寸 33

E39-L135

E39-L / -S / -R 外形尺寸 34

E39-L136

E39-L / -S / -R 外形尺寸 35

E39-L142

E39-L / -S / -R 外形尺寸 36

E39-L143

E39-L / -S / -R 外形尺寸 37

E39-L144

E39-L / -S / -R 外形尺寸 38

E39-L148

E39-L / -S / -R 外形尺寸 39

E39-L149

E39-L / -S / -R 外形尺寸 40

E39-L150
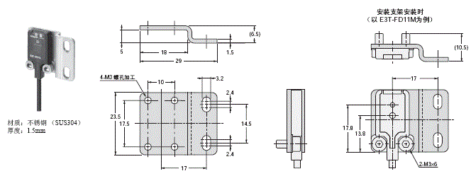
E39-L151

E39-L / -S / -R 外形尺寸 41

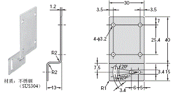
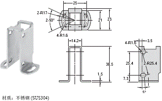
E39-L153

E39-L / -S / -R 外形尺寸 42

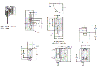
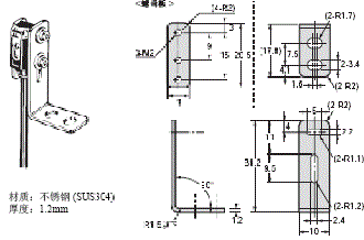
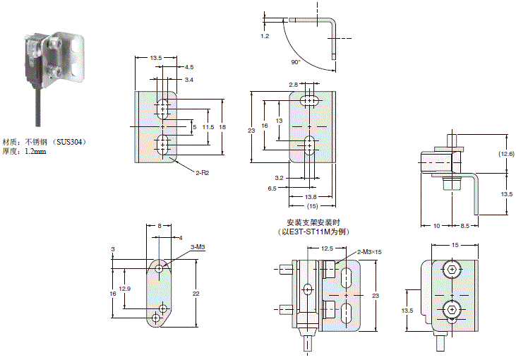
材质:不锈钢 (SUS304)

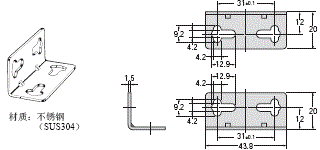
E39-L166

E39-L / -S / -R 外形尺寸 43

E39-L167

E39-L / -S / -R 外形尺寸 44

E39-L168

E39-L / -S / -R 外形尺寸 45

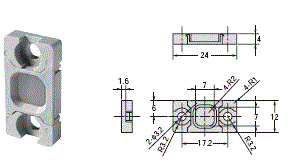
E39-L180

E39-L / -S / -R 外形尺寸 46

E39-L181

E39-L / -S / -R 外形尺寸 47

E39-L185

E39-L / -S / -R 外形尺寸 48

E39-L186

E39-L / -S / -R 外形尺寸 49

E39-L187

E39-L / -S / -R 外形尺寸 50

E39-L188

E39-L / -S / -R 外形尺寸 51

E39-L190

E39-L / -S / -R 外形尺寸 52

反射板的外形尺寸

E39-R1
E39-R1S
E39-R1K*

E39-L / -S / -R 外形尺寸 54

E39-R2

E39-L / -S / -R 外形尺寸 55

E39-R9

E39-L / -S / -R 外形尺寸 56

E39-R10

E39-L / -S / -R 外形尺寸 57

E39-R3

E39-L / -S / -R 外形尺寸 58

E39-R4

E39-L / -S / -R 外形尺寸 59

E39-R37-CA

E39-L / -S / -R 外形尺寸 60

E39-R6

E39-L / -S / -R 外形尺寸 61

E3ZM-B专用回归反射板
E39-RP1

E39-L / -S / -R 外形尺寸 62

E3ZM-B 专用回归反射板
E39-RP37

E39-L / -S / -R 外形尺寸 63

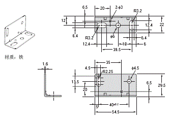
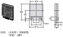
材质:〈安装板〉不锈钢(SUS301)
   (反射板)丙烯树脂
注: 反射板、安装板各1块为1套。

E3ZM-B 专用回归反射板
E39-RSP1

E39-L / -S / -R 外形尺寸 64

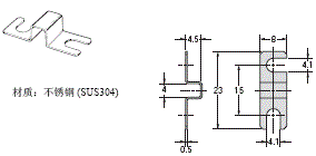
E39-RS1
E39-RS1-CA *1

E39-L / -S / -R 外形尺寸 65

E39-RS2
E39-RS2-CA *1

E39-L / -S / -R 外形尺寸 66

E39-RS3
E39-RS3-CA *1

E39-L / -S / -R 外形尺寸 67

E39-R12/R14 *2

E39-L / -S / -R 外形尺寸 68

E39-R13 *2

E39-L / -S / -R 外形尺寸 69

E39-RS4 *2

E39-L / -S / -R 外形尺寸 70

E39-RS5 *2

E39-L / -S / -R 外形尺寸 71

*1. 型号末尾带“-CA”的产品为E3T-SR4□专用反射板。
*2. E3C-LDA系列专用反射板。但, E39-R12也可用于E3Z-LR□ (E3Z激光的回归反射型)。

E39-R21 *3

E39-L / -S / -R 外形尺寸 73

E39-RS10 *3

E39-L / -S / -R 外形尺寸 74

E39-R22 *3

E39-L / -S / -R 外形尺寸 75

E39-RS11 *3

E39-L / -S / -R 外形尺寸 76

*3. E3NC-LH03专用反射板。