Page top

E5ED-H

温控器 (数字温控器) 高性能型 (48 x 96 mm)

E5ED-H

可实现高分辨率和高精度输入。搭载专门面向数字行业的功能。采用Push-In Plus端子台可削减配线工时。

(单位:mm)


本体

E5ED-H

E5ED-H 外形尺寸 3
E5ED-H 外形尺寸 4

• 安装面板的厚度为1~8mm。
• 请注意,上下方向无法紧密安装。(请保持安装间隔)
• 若需要防水,安装时请向本体插入防水垫。
• 安装使用多台温控器时,请避免使温控器的环境温度超过规格值。
• 组合使用Y92A-49N和USB-串行转换电缆时,请将控制柜的厚度控制在1~3mm以内。

* 如果E5ED-H型号为如下所示的“QQ”“QR”“CQ”“RR”“CC”控制输出2点型,
并且选装件编号为“013”“014”“025”的机型,则紧密安装时的环境温度请控制在45°C以下。
在55°C的环境温度下安装多台使用时,请按以下间隔进行安装。

E5ED-H 外形尺寸 6

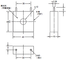
选装件(另售)

USB-串行转换电缆

E58-CIFQ2

E5ED-H 外形尺寸 8

转换电缆

E58-CIFQ2-E

E5ED-H 外形尺寸 9

注. 请务必与E58-CIFQ2组合使用。

防水垫

Y92S-P9〔DIN48×96用〕

E5ED-H 外形尺寸 12

产品随附。
防水垫遗失、损坏时,请另行订购。使用防水垫时,防水防尘等级为IP66。
此外,请确保E5ED-H的正面设定工具用端口罩盖已切实关闭。(为确保达到IP66的防水等级,防水垫和正面设定工具用端口罩盖会因使用环境发生老化、收缩或硬化,因此建议定期更换。
定期更换时期因使用环境而异。请用户自行确认。大致以3年以下为更换标准。)

正面设定工具用端口罩盖

Y92S-P7

E5ED-H 外形尺寸 14

正面设定工具用端口罩盖遗失、损坏时,请另行订购。
防水密封垫会因使用环境发生劣化、收缩或硬化,因此建议定期更换。

安装适配器

Y92F-511(2个装)

E5ED-H 外形尺寸 16

产品随附一组。
遗失、损坏时,请另行订购。

防水盖

Y92A-49N(48×96用)

E5ED-H 外形尺寸 17

电流检测器

E54-CT1

E5ED-H 外形尺寸 19

E54-CT1L

E5ED-H 外形尺寸 20

贯通电流 (Io) 与输出电压 (Eo) 特性 (参考值)
E54-CT1、E54-CT1L

加热器最大连续电流 :50A(50/60Hz)
匝数 :400±2匝
绕线电阻 :18±2Ω

E5ED-H 外形尺寸 22

E54-CT3

E5ED-H 外形尺寸 23

E54-CT3附件

E5ED-H 外形尺寸 24

E54-CT3L

E5ED-H 外形尺寸 25

贯通电流 (Io) 与输出电压 (Eo) 特性 (参考值)
E54-CT3、E54-CT3L

加热器最大连续电流 :120A(50/60Hz)
(但是,欧姆龙温控器的连续最高加热器电流值为50A。)
匝数 :400±2匝
绕线电阻 :8±0.8Ω

E5ED-H 外形尺寸 27