Page top

ZP-L

激光位移传感器

ZP-L

激光位移传感器 兼具检测稳定性与易用性

(单位:mm)


本体

传感头

ZP-LS025□
ZP-LS050□
ZP-LS100□

ZP-L 外形尺寸 2

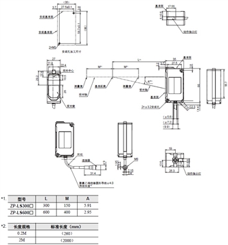
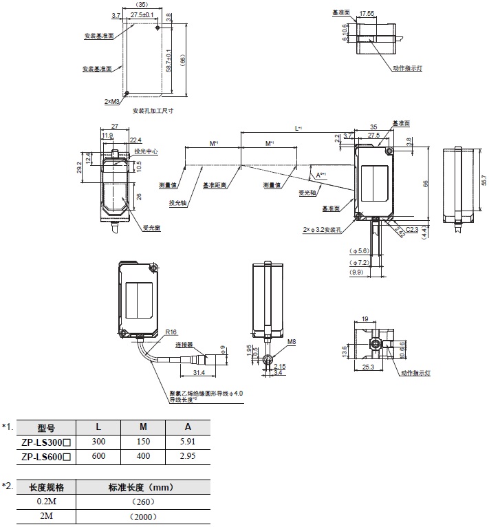
ZP-LS300□
ZP-LS600□

ZP-L 外形尺寸 3

放大器单元

主机

ZP-L30□0

ZP-L 外形尺寸 6

子机

ZP-L3510
ZP-L3560

ZP-L 外形尺寸 8

ZP-L3590

ZP-L 外形尺寸 9

附件(另售)

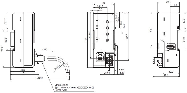
通信单元

ZP-EIP

ZP-L 外形尺寸 12

安装夹具

ZP-XL1

ZP-L 外形尺寸 14

ZP-XL2

ZP-L 外形尺寸 15

ZP-XL3

ZP-L 外形尺寸 16

ZP-XL4

ZP-L 外形尺寸 17

ZP-XL5

ZP-L 外形尺寸 18

ZP-XL6

ZP-L 外形尺寸 19