Page top

D41G

高编码防护锁安全门开关(适用于大门)

D41G

防止人员被困在危险区域

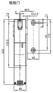
(单位:mm)

开关

D41G-□□D□-T1
D41G-□□D□-N2

D41G 外形尺寸 2

触发器(另售)

D41G-A2□
D41G-A2□-E1
D41G-A2□-E1T

D41G 外形尺寸 4
D41G 外形尺寸 5

D41G-A1□

D41G 外形尺寸 6

D41G-A1□-E0

D41G 外形尺寸 7

触发器安装示例

D41G-□□□□-□□+D41G-A1□

D41G 外形尺寸 8

* 上图显示用于轻型门的型号。如果是用于右侧门型号的D41G-A1R(-E0),其锁定部件的位置与此相反。