Page top
快速链接到欧姆龙其他国家/地区的网站。
欧姆龙全球
信息更新: 2022年6月27日
光纤放大器
导线引出型
E3X-ZV11
E3X-ZV41
E3X-MZV11
E3X-MZV41
省配线接插件型
E3X-ZV6
E3X-ZV8
E3X-MZV6
E3X-MZV8
附件(另售)
省配线接插件
母接插件
E3X-CN11
E3X-CN21
子接插件
E3X-CN12
E3X-CN22
DIN导轨
PFP-100N
PFP-50N
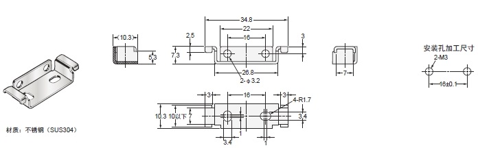
安装配件
E39-L143
终端板
PFP-M
信息更新: 2022年6月27日