Page top

S8VK-WB

开关电源 (240/480/960W型)

S8VK-WB

三相380V~480V输入型更加紧凑。采用Push-In Plus端子台有效削减配线工时。

引领时代的开关电源

低功耗控制柜设计,助力实现碳中和

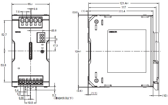
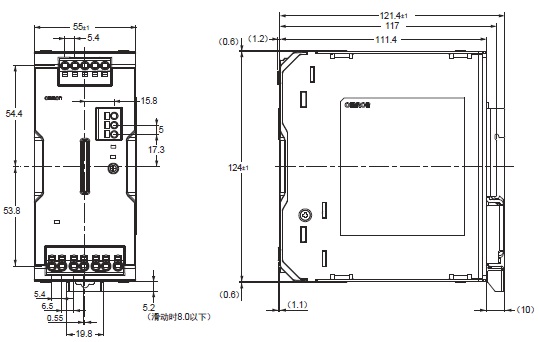
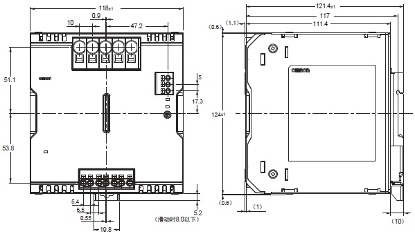
(单位:mm)


S8VK-WB240□□

S8VK-WB 外形尺寸 1

S8VK-WB480□□

S8VK-WB 外形尺寸 2

S8VK-WB960□□

S8VK-WB 外形尺寸 3

安装支架(另售品)

S8VK-WB 外形尺寸 4

注. 在正面紧贴安装时,也可以使用正面安装支架。

DIN导轨安装用品(另售品)

固定支架(终端板)

PFP-M

S8VK-WB 外形尺寸 6

注. 若产品发生横向滑动,请在本体两端安装终端板(PFP-M)。