Page top

H7CC-A

电子计数器

H7CC-A

追求“一目了然”的效果,轻松获取更换时期,有效削减维护工时

(单位:mm)

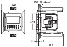
本体

计数器本体

H7CC-A/-AS/-AD/-ASD/-AW/-AWS/-AWD/-AWSD/-AU/-AUD(嵌入式安装)

H7CC-A 外形尺寸 2

H7CC-A8/-A8D(嵌入式安装/正面安装)

H7CC-A 外形尺寸 3

H7CC-A11/-A11S/-A11D/-A11SD(嵌入式安装/正面安装)

H7CC-A 外形尺寸 4

安装适配器时的尺寸

H7CC-A/-AS/-AD/-ASD/-AW/-AWS/-AWD/-AWSD/-AU/-AUD
(本体附带适配器和防水垫)

H7CC-A 外形尺寸 6

H7CC-A8/-A8D/-A11/-A11S/-A11D/-A11SD
(嵌入式安装/正面安装)
(适配器和防水垫另售)

H7CC-A 外形尺寸 7

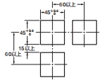
面板切割

标准面板切割如下图所示。(依据DIN43700)

H7CC-A 外形尺寸 8

注1.安装面板的厚度为1~5mm。
注2.考虑到作业效率,安装在适配器挂钩侧时,建议将安装间隔设在15mm以上(面板切割间隔60mm以上)。
注3.可进行并列紧密安装。请在嵌入式安装适配器无挂钩侧进行并列安装、但紧密安装时无耐水功能。

H7CC-A 外形尺寸 9

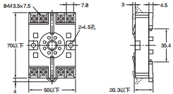
安装插座时的尺寸

H7CC-A 外形尺寸 10

*因插座和DIN导轨的种类而异。(参考值)

选装件(另售)

注.树脂和橡胶产品会因使用环境发生老化、收缩或硬化,因此建议定期更换。

软盖
Y92A-48F1

H7CC-A 外形尺寸 12

硬盖
Y92A-48

H7CC-A 外形尺寸 13

在带油场所使用时的产品保护事项

虽然操作部位带有保护结构,即使水滴渗入键的间隙,也不会对内部回路造成影响(IP□6),但是操作者手上沾油进行操作时,请安装软盖(选装件)。软盖相当于IP54防油型,可保护操作部位,但请避免将其安装在直接接触油的场所。

防水垫
Y92S-P6

H7CC-A 外形尺寸 15

*端子台型本体中附带。
防水垫遗失、损坏时,请另行订购。
使用防水垫时,保护结构为IP66。

操作部位为防水结构(IP66),另附有防水垫,即使是计数器本体与面板切割的间隙中也不会有水进入。如果防水垫没有充分压好,面板内部可能会进水,因此请务必先紧固安装适配器(Y92F-30)的安装加强螺钉。

H7CC-A 外形尺寸 17

为确保达到IP□6的防水等级,防水垫会因使用环境发生老化、收缩或硬化,因此建议定期更换。定期更换时期因使用环境而异。请用户自行确认。大致以1年以下为更换标准。此外,对没有进行定期更换的防水等级,本公司概不负责。
如果不需要防水结构,则无需安装防水垫。

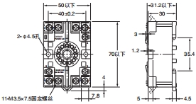
嵌入式安装用适配器
Y92F-30

H7CC-A 外形尺寸 19

安装适配器遗失或损坏时,请按下列型号另行订购。
*端子台型本体中附带。

Y92F-45

注1.适配器的颜色为黑色。
2.请组合使用本体附带的Y92F-30。

H7CC-A 外形尺寸 21

H7CC安装示例

H7CC-A 外形尺寸 22

连接插座

正面连接插座

P2CF-11

H7CC-A 外形尺寸 25

P2CF-11-E
(指触保护型)

H7CC-A 外形尺寸 26

P2CF-08

H7CC-A 外形尺寸 27

P2CF-08-E
(指触保护型)

H7CC-A 外形尺寸 28

注.指触保护型不可使用圆形端子。请使用Y形端子。

背面连接插座

P3GA-11

H7CC-A 外形尺寸 31

P3GA-08

H7CC-A 外形尺寸 32

注.与端子盖(Y92A-48G)组合使用,可实现指触保护。

端子盖(背面连接插座 P3G-08/P3GA-11用)

Y92A-48G

H7CC-A 外形尺寸 35

注.通过在背面连接插座(P3GA-11、P3G-08)的安装使用,实现指触保护。

导轨安装用另售件

支承导轨
PFP-100N
PFP-50N

H7CC-A 外形尺寸 38

支承导轨
PFP-100N2

H7CC-A 外形尺寸 39

终端板
PFP-M

H7CC-A 外形尺寸 40

隔片
PFP-S

H7CC-A 外形尺寸 41

注.订购上述型号时,请以10个为单位订购。