Page top
快速链接到欧姆龙其他国家/地区的网站。
欧姆龙全球
请联系我们的欧洲总部。
中国(包括香港、澳门、台湾)
解决方案
产品资讯
自助服务
学习园地
新闻活动
关于欧姆龙
耐环境型远程终端 NXR系列 IO-Link I/O从站
支持EtherNet/IP的IO-Link的耐环境型远程终端NXR系列
信息更新: 2020年5月22日
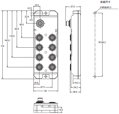
(单位:mm)
产品共通信息
欧姆龙FA世界