Page top

R88M-1A□ / R88D-1SAN□-ECT

AC伺服系统 1S系列 高阶运动安全伺服

R88M-1A□ / R88D-1SAN□-ECT

兼顾生产现场的效率提升和安全性提高

AC伺服系统1S系列高阶运动安全伺服

提高生产现场的生产效率和安全性 搭载运动安全功能

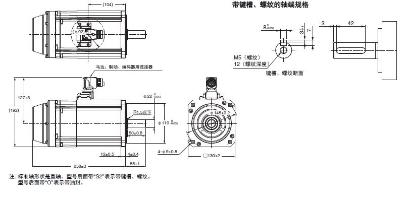
(单位:mm)

AC伺服驱动器 EtherCAT通信内置型 [1S系列 支持安全功能]

单相及三相AC200V用 R88D-1SAN02H-ECT/-1SAN04H-ECT/-1SAN08H-ECT(200~750W)
三相AC200V用 R88D-1SAN10H-ECT(1kW)

R88M-1A□ / R88D-1SAN□-ECT 外形尺寸 2

单相及三相AC200V用 R88D-1SAN15H-ECT(1.5kW) 􀀤􀀢􀀥数据
三相AC200V用 R88D-1SAN20H-ECT/-1SAN30H-ECT(2~3kW)
三相AC400V用 R88D-1SAN10F-ECT/-1SAN15F-ECT/-1SAN20F-ECT/-1SAN30F-ECT(1~3kW)

R88M-1A□ / R88D-1SAN□-ECT 外形尺寸 3

AC伺服系统 [1S系列 支持安全功能]

3000r/min马达(200V)

200W、400W(无制动)
R88M-1AM20030T(-O/-S2/-OS2)、R88M-1AM40030T(-O/-S2/-OS2)

R88M-1A□ / R88D-1SAN□-ECT 外形尺寸 6

200W、400W(带制动)
R88M-1AM20030T-B(O/S2/OS2)、R88M-1AM40030T-B(O/S2/OS2)

R88M-1A□ / R88D-1SAN□-ECT 外形尺寸 7

750W(无制动)
R88M-1AM75030T(-O/-S2/-OS2)

R88M-1A□ / R88D-1SAN□-ECT 外形尺寸 8

750W(带制动)
R88M-1AM75030T-B(O/S2/OS2)

R88M-1A□ / R88D-1SAN□-ECT 外形尺寸 9

1kW、1.5kW、2kW(无制动)
R88M-1AL1K030T(-O/-S2/-OS2)、R88M-1AL1K530T(-O/-S2/-OS2)、R88M-1AL2K030T(-O/-S2/-OS2)

R88M-1A□ / R88D-1SAN□-ECT 外形尺寸 10

1kW、1.5kW、2kW(带制动)
R88M-1AL1K030T-B(O/S2/OS2)、R88M-1AL1K530T-B(O/S2/OS2)、R88M-1AL2K030T-B(O/S2/OS2)

R88M-1A□ / R88D-1SAN□-ECT 外形尺寸 11

2.6kW(无制动)
R88M-1AL2K630T(-O/-S2/-OS2)

R88M-1A□ / R88D-1SAN□-ECT 外形尺寸 12

2.6kW(带制动)
R88M-1AL2K630T-B(O/S2/OS2)

R88M-1A□ / R88D-1SAN□-ECT 外形尺寸 13

3000r/min马达(400V)

750W、1kW、1.5kW、2kW(无制动)
R88M-1AL75030C(-O/ -S2/ -OS2)/R88M-1AL1K030C(-O/ -S2/ -OS2)
R88M-1AL1K530C(-O/ -S2/ -OS2)/R88M-1AL2K030C(-O/ -S2/ -OS2)

R88M-1A□ / R88D-1SAN□-ECT 外形尺寸 15

750W、1kW、1.5kW、2kW(带制动) 
R88M-1AL75030C-B(O/S2/OS2), R88M-1AL1K030C-B(O/S2/OS2)
R88M-1AL1K530C-B(O/S2/OS2), R88M-1AL2K030C-B(O/S2/OS2)

R88M-1A□ / R88D-1SAN□-ECT 外形尺寸 16

3 kW(无制动)
R88M-1AL3K030C(-O/-S2/-OS2)

R88M-1A□ / R88D-1SAN□-ECT 外形尺寸 17

3 kW(带制动)
R88M-1AL3K030C-B(O/S2/OS2)

R88M-1A□ / R88D-1SAN□-ECT 外形尺寸 18

1500r/min马达(200V、400V)

1.5 kW (无制动)
R88M-1AM1K515T(-O/-S2/-OS2)
R88M-1AM1K515C(-O/-S2/-OS2)

R88M-1A□ / R88D-1SAN□-ECT 外形尺寸 20

1.5 kW (带制动)
R88M-1AM1K515T-B(O/S2/OS2)
R88M-1AM1K515C-B(O/S2/OS2)

R88M-1A□ / R88D-1SAN□-ECT 外形尺寸 21

●2.7kW(无制动) R88M-1AM2K715T(-O/-S2/-OS2)
●3kW(无制动) R88M-1AM3K015C(-O/-S2/-OS2)

R88M-1A□ / R88D-1SAN□-ECT 外形尺寸 22

●2.7kW(带制动) R88M-1AM2K715T-B(O/S2/OS2)
●3kW(带制动) R88M-1AM3K015C-B(O/S2/OS2)

R88M-1A□ / R88D-1SAN□-ECT 外形尺寸 23

一体型连接器的电缆引出方向

伺服马达的一体型连接器可以变更电缆的引出方向。
可变更的范围如下所示。
引出方向最多可变更5次。关于电缆引出方向的变更步骤,请参考“AC伺服马达/驱动器1S系列EtherCAT®通信内置型支持安全功能用户手册(手册编号:SBCE-CN5-438) ”。

M17型连接器的电缆引出方向

R88M-1A□ / R88D-1SAN□-ECT 外形尺寸 25

M23型连接器的电缆引出方向

R88M-1A□ / R88D-1SAN□-ECT 外形尺寸 26

铺设伺服马达时需要的电缆安装尺寸

按照伺服马达不同类型的连接器,列举铺设伺服马达时需要的一体型电缆的安装尺寸。
将一体型电缆以最小弯曲半径(电缆包覆层外径的10倍)安装时,从一体型连接器的旋转中心到一体型电缆外周的尺寸为A,如下所示。

M17型连接器的伺服马达

R88M-1A□ / R88D-1SAN□-ECT 外形尺寸 28

M23型连接器的伺服马达

R88M-1A□ / R88D-1SAN□-ECT 外形尺寸 29