Page top
快速链接到欧姆龙其他国家/地区的网站。
欧姆龙全球
请联系我们的欧洲总部。
中国(包括香港、澳门、台湾)
解决方案
产品资讯
自助服务
学习园地
新闻活动
关于欧姆龙
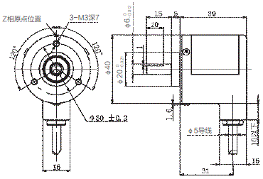
增量型 外径φ40
信息更新: 2018年10月30日
(单位:mm)
产品共通信息
欧姆龙FA世界