Page top

Cobra 500

SCARA机器人

Cobra 500

用于物料搬运、装配、精密加工和贴合应用的中型SCARA机器人

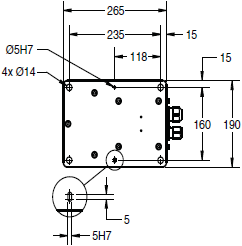
(单位:mm)

Cobra 500

Cobra 500 外形尺寸 1

eMotionBlox-40M

Cobra 500 外形尺寸 2

法兰

Cobra 500 外形尺寸 3

占地面积

Cobra 500 外形尺寸 4

前面板(选购件)

Cobra 500 外形尺寸 5