Page top

MicroHAWK V430-F/V420-F系列

自动对焦型多功能读码器

MicroHAWK V430-F/V420-F系列

自动对焦以实现不同距离的可靠读码。

V430-F(旧型号)系列预定于2023年9月底订货截止,由新型号对应。

V430-F系列 自动对焦多功能读码器

存在高低差的条码自动追踪,可在生产线上稳定地读取多品种工件

(单位:mm)

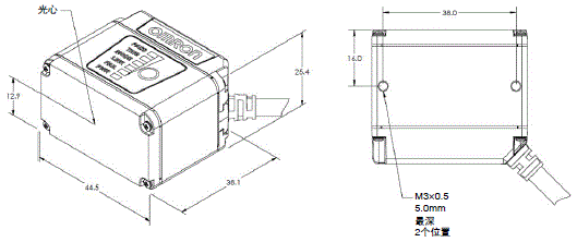
V430-F

读码器

V430-F

MicroHAWK V430-F/V420-F系列 外形尺寸 3

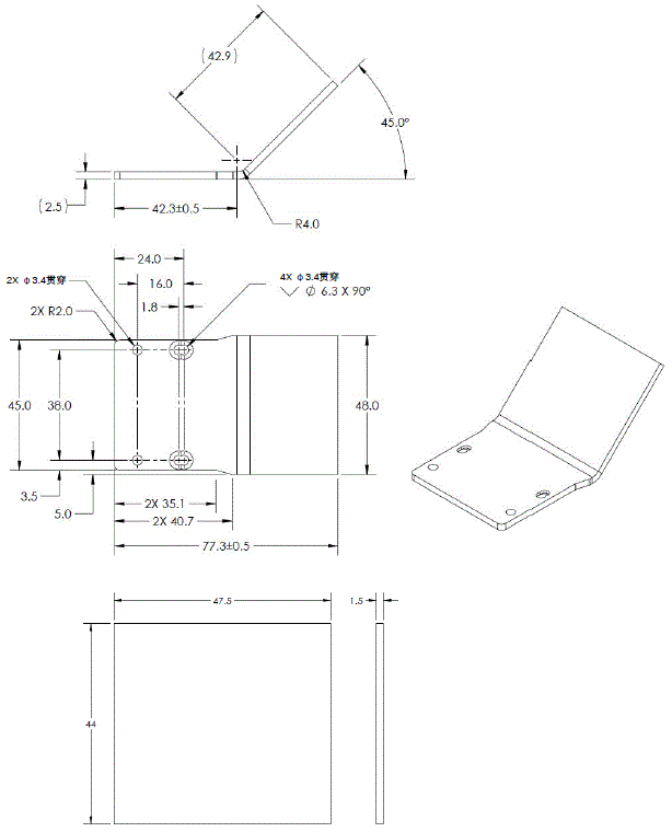
安装支架

L 字型支架
V430-AM0

MicroHAWK V430-F/V420-F系列 外形尺寸 5

材质 :SUS304
附件 :十字螺丝(M3×6)2 个M3 用垫圈2 个

以下附件在V430-F 系列中不使用。
十字螺丝(M2×6)2 个
M2 用垫圈2 个

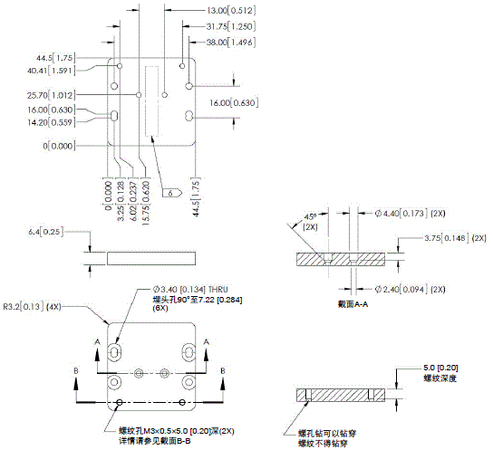
相机安装支架
V430-AM1

MicroHAWK V430-F/V420-F系列 外形尺寸 6

材质 :铝合金
附件 :六角螺丝(M3×6)2 个

以下附件在V430-F 系列中不使用。
六角螺丝(M2×8)2 个

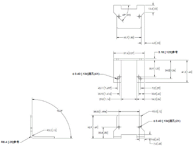
直角反光板
V430-AF3

MicroHAWK V430-F/V420-F系列 外形尺寸 7

材质
支架:铝
反光板:玻璃

Ethernet 电缆

两侧带连接器电缆(M12 8 针插头/RJ45)
3m 直管连接器
V430-WE-3M

MicroHAWK V430-F/V420-F系列 外形尺寸 9

两侧带连接器电缆(M12 8 针插头/RJ45)
3m 向下直角连接器
V430-WELD-3M

MicroHAWK V430-F/V420-F系列 外形尺寸 10

两侧带连接器电缆(M12 8 针插头/RJ45)
3m 向上直角连接器
V430-WELU-3M

MicroHAWK V430-F/V420-F系列 外形尺寸 11

两侧带连接器电缆(M12 8 针插头/RJ45)
5m 直管连接器
V430-WE-5M

MicroHAWK V430-F/V420-F系列 外形尺寸 12

I/O 电缆

单侧带连接器电缆(M12 12 针插座)
3m 直管连接器
V430-W8-3M

MicroHAWK V430-F/V420-F系列 外形尺寸 14

单侧带连接器电缆(M12 12 针插座)
3m 向下直角连接器
V430-W8LD-3M

MicroHAWK V430-F/V420-F系列 外形尺寸 15

单侧带连接器电缆(M12 12 针插座)
3m 向上直角连接器
V430-W8LU-3M

MicroHAWK V430-F/V420-F系列 外形尺寸 16

单侧带连接器电缆(M12 12 针插座)
5m 直管连接器
V430-W8-5M

MicroHAWK V430-F/V420-F系列 外形尺寸 17

RS-232C、I/O 2 股电缆

3m 直管连接器
V430-W2-3M

MicroHAWK V430-F/V420-F系列 外形尺寸 19

注. I/O连接器(M12 插头)上请连接V430-W8 □,再与电源等连接。

V420-F

MicroHAWK V430-F/V420-F系列 外形尺寸 20

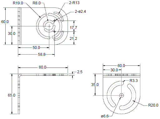
L型支架角度可调安装套件
V430-AM0

MicroHAWK V430-F/V420-F系列 外形尺寸 21

¼英寸孔径20螺纹牙数相机安装座套件
V430-AM1

MicroHAWK V430-F/V420-F系列 外形尺寸 22

* 1英寸=25.4mm, ¼英寸=6.35mm

4” (102 mm)RAM Mount支架
V430-AM2

MicroHAWK V430-F/V420-F系列 外形尺寸 24

MS-4 / MINI至V/F4XX-F转接板
V430-AM5

MicroHAWK V430-F/V420-F系列 外形尺寸 25

智能环形灯至V/F4XX-F安装支架
V430-AM6

MicroHAWK V430-F/V420-F系列 外形尺寸 26

QX / Vision HAWK至V/F4XX-F转接板
V430-AM7

MicroHAWK V430-F/V420-F系列 外形尺寸 27

前窗安装套件
V430-AF0
扩散板安装套件
V430-AF1
偏振片安装套件
V430-AF2
YAG激光滤镜安装套件
V430-AF4
静电安全窗安装套件
V430-AF5

MicroHAWK V430-F/V420-F系列 外形尺寸 28

直角镜安装套件< br/> V430-AF3

MicroHAWK V430-F/V420-F系列 外形尺寸 29

红光滤波器安装套件
V430-AF6
蓝光滤波器安装套件
V430-AF7
红灯安装套件
V430-ALR
白灯安装套件
V430-ALW
蓝灯安装套件
V430-ALB
红外灯安装套件
V430-ALI

MicroHAWK V430-F/V420-F系列 外形尺寸 30

USB接口电缆 – 1米
V420-WUB-1M

MicroHAWK V430-F/V420-F系列 外形尺寸 31

套件 – USB接口电缆,带外部电源输入(1米)和电源(2米)
V420-AC1

MicroHAWK V430-F/V420-F系列 外形尺寸 32

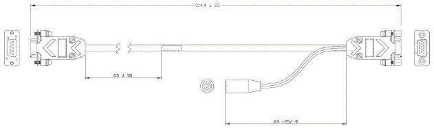
套件 – RS-232接口电缆(DB-15),带外部电源输入(1米)和电源(2米)
V420-AC0

MicroHAWK V430-F/V420-F系列 外形尺寸 33

套件 – USB、IO和电源接口电缆(1米)和电源(2米)
V420-AC2

MicroHAWK V430-F/V420-F系列 外形尺寸 34

电缆 – RS-232、USB、IO和电源接口 – 1米
V420-WRU8X-1M

MicroHAWK V430-F/V420-F系列 外形尺寸 35