Page top

K6CM

电机状态监视器

K6CM

将三相感应电机的状态数值化。

(单位:mm)

K6CM-CI

本体

K6CM-CI

K6CM 外形尺寸 4

CT

K6CM-CICB005

K6CM 外形尺寸 6

K6CM-CICB025

K6CM 外形尺寸 7

K6CM-CICB100

K6CM 外形尺寸 8

K6CM-CICB200

K6CM 外形尺寸 9

K6CM-CICB400
K6CM-CICB600

K6CM 外形尺寸 10

CT附属电缆

K6CM 外形尺寸 11

K6CM-VB

本体

K6CM-VB

K6CM 外形尺寸 14

振动&温度传感器

K6CM-VBS1

前置放大器

K6CM 外形尺寸 17

传感器探头

K6CM 外形尺寸 18

K6CM-VBSAT1

粘合剂安装用附件

无法在电机上开孔时,使用粘合剂安装用附件。

K6CM 外形尺寸 22

材质:SUS430

传感器探头的安装方法

在电机外部(*)准备一个φ25mm以上的平面。 用粘合剂将附件粘贴到准备好的平面上。 将振动传感器探头拧入附件中。
* 建议在负载侧轴承的上方位置

K6CM-VBSAT2

磁铁安装用附件

电机外壳由铁或其他磁性材料制成时,可以使用磁铁安装用附件。
曲面上也可进行安装。

K6CM 外形尺寸 27

材质:SUS304

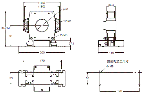
K6CM-IS

本体

K6CM-IS

K6CM 外形尺寸 30

ZCT (IRT)

室内分割型

K6CM-ISZBI52

K6CM 外形尺寸 32