Page top

K8DT-AS

单相电流继电器

K8DT-AS

可根据电流变化检测装置和电机的异常状态可设定为过电流或欠电流模式中的任意一种使用

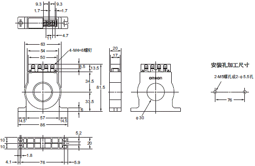
(单位:mm)

单相电流继电器

K8DT-AS1
K8DT-AS2
K8DT-AS3

K8DT-AS 外形尺寸 1

专用CT

K8AC-CT200L

K8DT-AS 外形尺寸 2

注:专用CT是与K8DT-AS3组合使用的专用品。接线时请对端子k及端子l接线。(端子kt及端子lt不使用。)

选装件(另售)

●前盖

Y92A-D1A

K8DT-AS 外形尺寸 5

导轨安装用另售件

●支承导轨

PFP-100N
PFP-50N

K8DT-AS 外形尺寸 7