Page top

H3DT-A

通电延时定时器

H3DT-A

通电延时动作的单模式型

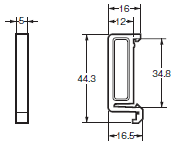
(单位:mm)

本体

H3DT-A

H3DT-A 外形尺寸 1

导轨安装用另售件

支承导轨
PFP-100N
PFP-50N

H3DT-A 外形尺寸 2

支承导轨
PFP-100N2

H3DT-A 外形尺寸 3

终端板
PFP-M

H3DT-A 外形尺寸 4

隔片
PFP-S

H3DT-A 外形尺寸 5

注1. 订购上述型号时,请以10个为单位订购。
   2. 导轨依照DIN标准。

选装件(另售)

前盖
Y92A-D1A

H3DT-A 外形尺寸 7