Page top

H3Y-□-B

固态定时器

H3Y-□-B

时序控制用超小型定时器

(单位:mm)

本体

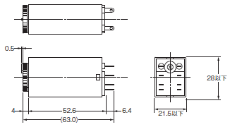
表面安装(插入型端子)

H3Y-2-B

H3Y-□-B 外形尺寸 2

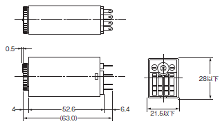
表面安装(插入型端子)

H3Y-4-B

H3Y-□-B 外形尺寸 3

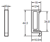
插座安装时的尺寸

H3Y-□-B 外形尺寸 4

注1: 对于安装的方向没有限制。
    2: H3Y_□_B、H3YN_□_B时,请务必使用PYF_□_PU-L。
*2: ( )内为H3Y-4-B、H3YN-4-B/-41-B、H3YN-4-Z-B/-41-Z-B的连接插座。

选装件(另售)

固定支架

H3Y-□-B/H3YN-□-B系列(PYF-□-PU-L用)
Y92H-3
(2根1套)

H3Y-□-B 外形尺寸 6

连接插座(另售)

H3Y-□-B/H3YN-□-B系列 表面连接插座

PYF-08-PU-L

H3Y-□-B 外形尺寸 9

PYF-14-PU-L

H3Y-□-B 外形尺寸 10

导轨安装用另售件

支承导轨

PFP-100N
PFP-50N

H3Y-□-B 外形尺寸 12

*()内为PFP-50N的尺寸

支承导轨

PFP-100N2

H3Y-□-B 外形尺寸 14

终端板

PFP-M

H3Y-□-B 外形尺寸 15

隔片

PFP-S

H3Y-□-B 外形尺寸 16

注1: 订购上述型号时,请以10个为单位订购。
2: 导轨依照DIN标准。