Page top

XW5T-S

DIN导轨端子台 螺钉型

XW5T-S

控制柜用通用标准 DIN导轨端子台

(单位:mm)

中继用端子台

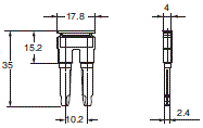
XW5T-S2.5-1.1-1

XW5T-S 外形尺寸 2

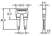
XW5T-S4.0-1.1-1

XW5T-S 外形尺寸 3

XW5T-S6.0-1.1-1

XW5T-S 外形尺寸 4

XW5T-S10-1.1-1

XW5T-S 外形尺寸 5

XW5T-S16-1.1-1

XW5T-S 外形尺寸 6

XW5T-S35-1.1-1

XW5T-S 外形尺寸 7

XW5T-S70-1.1-1

XW5T-S 外形尺寸 8

XW5T-S150-1.1-1

XW5T-S 外形尺寸 9

XW5T-S2.5-1.1-2

XW5T-S 外形尺寸 10

XW5T-S4.0-1.2-1

XW5T-S 外形尺寸 11

XW5T-S4.0-2.2-1

XW5T-S 外形尺寸 12

XW5T-S4.0-1.1-2

XW5T-S 外形尺寸 13

XW5T-S4.0-FU5

XW5T-S 外形尺寸 14

XW5T-S4.0-FU6

XW5T-S 外形尺寸 15

XW5T-S4.0-KD

XW5T-S 外形尺寸 16

接地用端子台

XW5G-S2.5-1.1-1

XW5T-S 外形尺寸 18

XW5G-S4.0-1.1-1

XW5T-S 外形尺寸 19

XW5G-S6.0-1.1-1

XW5T-S 外形尺寸 20

XW5G-S10-1.1-1

XW5T-S 外形尺寸 21

XW5G-S16-1.1-1

XW5T-S 外形尺寸 22

XW5G-S35-1.1-1

XW5T-S 外形尺寸 23

XW5G-S70-1.1-1

XW5T-S 外形尺寸 24

XW5G-S4.0-1.2-1

XW5T-S 外形尺寸 25

XW5G-S4.0-2.2-1

XW5T-S 外形尺寸 26

XW5G-S4.0-1.1-2

XW5T-S 外形尺寸 27

短接棒

XW5S-S2.5-

XW5T-S 外形尺寸 29

XW5S-S4.0-

XW5T-S 外形尺寸 30

XW5S-S6.0-

XW5T-S 外形尺寸 31

XW5S-S10-2

XW5T-S 外形尺寸 32

XW5S-S16-2

XW5T-S 外形尺寸 33

带螺钉交叉连接器

XW5S-S2.5-N

XW5T-S 外形尺寸 35

终端板

XW5E-S2.5

XW5T-S 外形尺寸 37

XW5E-S16

XW5T-S 外形尺寸 38

XW5E-S4.0-1.2-1

XW5T-S 外形尺寸 39

XW5E-S4.0-2.2-1

XW5T-S 外形尺寸 40

XW5E-S4.0-1.1-2

XW5T-S 外形尺寸 41

XW5E-S2.5N

XW5T-S 外形尺寸 42

分离板

XW5Z-S2.5PT

XW5T-S 外形尺寸 44

标签

XW5Z-S2.5

XW5T-S 外形尺寸 46

XW5Z-S4.0

XW5T-S 外形尺寸 47

XW5Z-S6.0

XW5T-S 外形尺寸 48