Page top

A30NS/A30NW

旋转开关

A30NS/A30NW

φ30mm 旋钮开关 短小机型和配线方向的变更实现了控制柜的小型化 新增简单配线的Push-In Plus端子台型 提高操作性和安全性

A30NS/A30NW系列部分产品预定于2023年3月底订货截止。

(单位:mm)

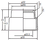
选择开关(带灯/不带灯型)

2位(金属边框)
A30N□-2M□-□□A-G

A30NS/A30NW 外形尺寸 2

A30N□-2M□-□□A-P

A30NS/A30NW 外形尺寸 3

3位(金属边框)
A30N□-3M□-□□A-G

A30NS/A30NW 外形尺寸 4

A30N□-3M□-□□A-P

A30NS/A30NW 外形尺寸 5

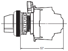
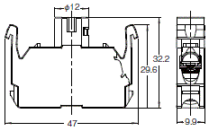
连接时的进深尺寸

(螺钉端子台型)

A30NS/A30NW 外形尺寸 7

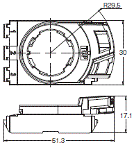
2接点单元安装时的进深尺寸

(Push-In Plus端子台型)

A30NS/A30NW 外形尺寸 9

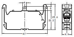
端子配置图

BOTTOM VIEW(螺钉端子台型)

A30NS/A30NW 外形尺寸 11

BOTTOM VIEW(Push-In Plus端子台型)

A30NS/A30NW 外形尺寸 12

端子连接图

A30NS/A30NW 外形尺寸 13

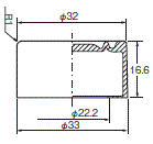
单品(共用)

LED灯
A22NZ-L-□□

A30NS/A30NW 外形尺寸 15

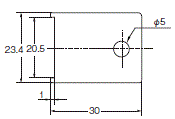
安装台
A22NZ-H-01

A30NS/A30NW 外形尺寸 16

螺钉端子台规格

开关部
A22NZ-S-G1□

A30NS/A30NW 外形尺寸 18

亮灯部位
A22NZ-T-□

A30NS/A30NW 外形尺寸 19

Push-In Plus端子台规格

开关部(1接点)
A22NZ-S-P1□

A30NS/A30NW 外形尺寸 21

开关部(2接点)
A22NZ-S-P2□

A30NS/A30NW 外形尺寸 22

亮灯部位
A22NZ-T-□P

A30NS/A30NW 外形尺寸 23

附件和工具

保护盖
A22NZ-A-303

A30NS/A30NW 外形尺寸 25

面板插头(树脂)
A22NZ-A-401

A30NS/A30NW 外形尺寸 26

面板插头(金属)
A22NZ-A-402

A30NS/A30NW 外形尺寸 27

限位圈
A22NZ-A-403

A30NS/A30NW 外形尺寸 28

止转片
A22NZ-A-50501

A30NS/A30NW 外形尺寸 29

增强板
A22NZ-A-C01

A30NS/A30NW 外形尺寸 30

控制盒
A22NZ-A-B01Y

A30NS/A30NW 外形尺寸 31

防水罩

・平型用 A22Z-3600F

A30NS/A30NW 外形尺寸 33

・凸出型用 A22Z-3600T

A30NS/A30NW 外形尺寸 34

・全保护罩用 A22Z-3600G

A30NS/A30NW 外形尺寸 35

φ30用树脂附件
A22Z-A30

A30NS/A30NW 外形尺寸 36

铭牌单元

・标准 A22NZ-A-50103

A30NS/A30NW 外形尺寸 38

・大型 A22NZ-A-51103

A30NS/A30NW 外形尺寸 39

雕刻版

・标准型用 A22Z-3443□-□

A30NS/A30NW 外形尺寸 41

・大型用 A22Z-3453□

A30NS/A30NW 外形尺寸 42

紧固扳手
A22NZ-A-301

A30NS/A30NW 外形尺寸 43

LED灯更换工具
A22NZ-A-302

A30NS/A30NW 外形尺寸 44

盖紧固工具
A22Z-3908

A30NS/A30NW 外形尺寸 45