Page top

CP1W-TS

温度传感器单元

CP1W-TS

热电偶/模拟输入多重输入、1个单元的热电偶输入为最多12点

CP系列新温度模块

轻松实现多点温度控制

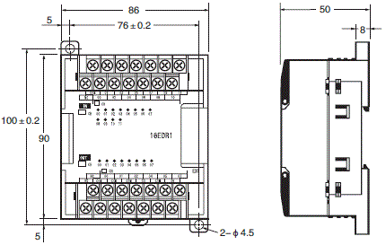
(单位:mm)

CP1W-TS□□1/□□2/□□3

CP1W-TS 外形尺寸 1

CP1W-TS004

CP1W-TS 外形尺寸 2