Page top

S8VK-T

开关电源 (120/240/480/960W型)

S8VK-T

性能可靠,操作简便

(单位:mm)

S8VK-T12024 (120 W)

S8VK-T 外形尺寸 1

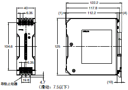
S8VK-T24024 (240 W)

S8VK-T 外形尺寸 2

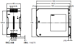
S8VK-T48024 (480 W)

S8VK-T 外形尺寸 3

S8VK-T96024 (960 W)

S8VK-T 外形尺寸 4

DIN导轨(另售)

注: 除非另有说明,所有规格以毫米为单位。

安装导轨(材质:铝)

PFP-100N
PFP-50N

S8VK-T 外形尺寸 7

PFP-100N2

S8VK-T 外形尺寸 8

终端板

PFP-M

S8VK-T 外形尺寸 10

注: 如果单元可能受到振动或冲击,请使用钢质DIN导轨。否则金属可能因磨损导致铝制产品产生破损。

安装支架

S8VK-T 外形尺寸 11

* 拆下本体背面的DIN导轨安装支架,安装到侧面安装支架上,可以在侧面安装状态下安装到DIN导轨上。