Page top

E5CC-T

数字温控器 程序型 (48 × 48 mm)

E5CC-T

E5□C系列的程序型产品新上市。最大256段的程序容量,支持多种应用程序。

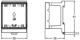
(单位:mm)

本体

E5CC-T

E5CC-T 外形尺寸 2

设定工具用端口位于本产品的顶面。
使用设定工具时,用于连接计算机与温控器。
连接时,需要专用的USB-串行转换电缆(E58-CIFQ2)。
详细的连接方法请参照USB-串行转换电缆的使用说明书。
注. 请勿在连接USB-串行转换电缆的状态下使用本产品。

E5CC-T 外形尺寸 3

·安装面板的厚度为1~5mm。
·请注意,上下方向无法紧密安装。
·(请保持安装间隔)
·若需要防水,安装时请向本体插入防水垫。
·安装使用多个本产品时,请避免使本机的环境温度超过规格值。
·安装到控制柜上并使用USB- 串行转换电缆时,请将控制柜的厚度控制在1~2.5mm以内。

选装件(另售)

USB-串行转换电缆
E58-CIFQ2

E5CC-T 外形尺寸 5

端子盖
E53-COV17

E5CC-T 外形尺寸 6

端子盖
E53-COV23(3个装)

E5CC-T 外形尺寸 7

防水垫
Y92S-P8(DIN 48×48用)
(温控器附带。)

E5CC-T 外形尺寸 8

产品随附。
防水垫遗失、损坏时,请按以下型号另行订购。
端子台型使用防水垫时,保护构造为IP66。(为确保达到IP66的防水等级,
防水垫会因使用环境发生老化、收缩或硬化,因此建议定期更换。
定期更换时期因使用环境而异。请用户自行确认。
大致以3年以下为更换标准。)
不采用防水构造时,无需安装防水垫。

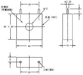
电流检测器

E54-CT1

E5CC-T 外形尺寸 10

E54-CT1L

E5CC-T 外形尺寸 11

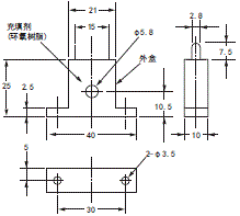
E54-CT3

E5CC-T 外形尺寸 12

E54-CT3附件

E5CC-T 外形尺寸 13

E54-CT3L

E5CC-T 外形尺寸 14

贯通电流(Io)与输出电压(Eo)特性(参考值)
E54-CT1,E54-CT1L

E5CC-T 外形尺寸 15

加热器最大连续电流:50A (50/60Hz)
匝数:400±2匝
绕线电阻:18±2Ω

贯通电流(Io)与输出电压(Eo)特性(参考值)
E54-CT3,E54-CT3L

E5CC-T 外形尺寸 16

加热器最大连续电流:120A(50/60Hz)
(但是,欧姆龙温控器的连续最高加热器电流值为50A。)
匝数:400±2匝
绕线电阻:8±0.8Ω

适配器
Y92F-45

注1. 请在E5B□用面板已经加工的情况下使用。
 2. 适配器的颜色为黑色。
 3. 使用Y92F-45时,无法使用USB-串行转换电缆 E58-CIFQ2。
  通过USB-串行转换电缆进行设定时,请在安装面板前进行设定。
 4. 不能与附属于E5CC-T本体的Y92F-49配套使用。

E5CC-T 外形尺寸 18

〈E5CC-T安装示例〉

E5CC-T 外形尺寸 19

DIN导轨安装适配器
Y92F-52

E5CC-T 外形尺寸 20

注. 不能与端子盖并用。请拆下端子盖后再使用。

用于将E5CC-T安装到DIN导轨上的适配器。
无需用于柜内安装的钣金和用于后装的柜表面孔加工。

〈E5CC-T安装示例〉

E5CC-T 外形尺寸 21

防水盖
Y92A-48N

E5CC-T 外形尺寸 22

安装适配器
Y92F-49

E5CC-T 外形尺寸 23

产品随附。
遗失、损坏时,请另行订购。

前盖
Y92A-48D

E5CC-T 外形尺寸 24

注. 无法在安装了防水垫的状态下使用。

软质型前盖。
可在装有罩盖的状态下操作产品。

前盖
Y92A-48H

E5CC-T 外形尺寸 25

硬质型前盖。
请用于防止误操作等。