Page top

S8VK-R

冗余单元

S8VK-R

构建高可靠性系统 适用于备用应用,外形小巧、成本效益型解决方案 便于安装,符合系统可靠性要求

(单位:mm)

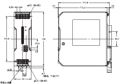
S8VK-R10

S8VK-R 外形尺寸 1

S8VK-R20

S8VK-R 外形尺寸 2

DIN导轨(另售)

安装导轨(材质:铝)
PFP-100N
PFP-50N

S8VK-R 外形尺寸 4

* 括号内为适用于PFP-50N的数值。

安装导轨(材质:铝)
PFP-100N2

S8VK-R 外形尺寸 5

终端板
PFP-M

S8VK-R 外形尺寸 6

注:如果单元可能受到振动或冲击,请使用钢质DIN导轨。否则金属可能因磨损导致铝制产品产生破损。

安装支架

S8VK-R 外形尺寸 7