Page top

G3NB

固态继电器

G3NB

具备输出(5至90A) 功能的SSR,价格合理

(单位:mm)

继电器

注:除非另行注明, 否则所有单位均为毫米。

G3NB-205B-1
G3NB-210B-1
G3NB-220B-1
G3NB-225B-1

G3NB 外形尺寸 2

G3NB-240B-1

G3NB 外形尺寸 3

G3NB-275B-1
G3NB-290B-1

G3NB 外形尺寸 4

选装件(另售)

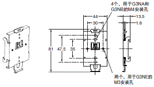
一触式安装板

一触式安装板用于将G3NB安装到DIN导轨上。

R99-12 FOR G3NA

G3NB 外形尺寸 7
G3NB 外形尺寸 8

散热器

Y92B-N50散热器(适用于G3NB-205B-1、G3NB-210B-1)

对于表面安装,需要(从负载电流对比环境温度的图中)削减30%负载电流。
关于安装方法,请参见“注意事项”。

G3NB 外形尺寸 10

Y92B-N100散热器(适用于G3NB-220B-1)

对于表面安装,需要(从负载电流对比环境温度的图中)削减30%负载电流。
关于安装方法,请参见“注意事项”。

G3NB 外形尺寸 11

Y92B-N150散热器(适用于G3NB-225B-1、G3NB-240B-1)

对于表面安装,需要(从负载电流对比环境温度的图中)削减30%负载电流。
关于安装方法,请参见“注意事项”。

G3NB 外形尺寸 12

Y92B-P250NF散热器(适用于G3NB-275B-1、G3NB-290B-1)

关于安装方法,请参见“注意事项”。

G3NB 外形尺寸 13