Page top

E2B

接近传感器

E2B

新标准经济型接近传感器,适用各种场合,全机种·高品质·低价格

(单位:mm)

M8

导线引出型

标准型

E2B-S08KS01-WP-□□/E2B-S08KS02-WP-□□

E2B 外形尺寸 4

E2B-S08KN02-WP-□□/E2B-S08KN04-WP-□□

E2B 外形尺寸 5

长螺纹型

E2B-S08LS01-WP-□□/E2B-S08LS02-WP-□□

E2B 外形尺寸 7

E2B-S08LN02-WP-□□/E2B-S08LN04-WP-□□

E2B 外形尺寸 8

接插件型

标准型

E2B-S08KS01-MC-□□/E2B-S08KS02-MC-□□

E2B 外形尺寸 11

E2B-S08KN02-MC-□□/E2B-S08KN04-MC-□□

E2B 外形尺寸 12

长螺纹型

E2B-S08LS01-MC-□□/E2B-S08LS02-MC-□□

E2B 外形尺寸 14

E2B-S08LN02-MC-□□/E2B-S08LN04-MC-□□

E2B 外形尺寸 15

安装孔加工尺寸

E2B 外形尺寸 16

M12

导线引出型

标准型

E2B-M12KS02-WZ-□□/E2B-M12KS04-WZ-□□

E2B 外形尺寸 20

E2B-M12KN05-WZ-□□/E2B-M12KN08-WZ-□□

E2B 外形尺寸 21

长螺纹型

E2B-M12LS02-WZ-□□/E2B-M12LS04-WZ-□□

E2B 外形尺寸 23

E2B-M12LN05-WZ-□□/E2B-M12LN08-WZ-□□

E2B 外形尺寸 24

接插件型

标准型

E2B-M12KS02-M1-□□/E2B-M12KS04-M1-□□

E2B 外形尺寸 27

E2B-M12KN05-M1-□□/E2B-M12KN08-M1-□□

E2B 外形尺寸 28

长螺纹型

E2B-M12LS02-M1-□□/E2B-M12LS04-M1-□□

E2B 外形尺寸 30

E2B-M12LN05-M1-□□/E2B-M12LN08-M1-□□

E2B 外形尺寸 31

安装孔加工尺寸

E2B 外形尺寸 32

M18

导线引出型

标准型

E2B-M18KS05-WZ-□□/E2B-M18KS08-WZ-□□

E2B 外形尺寸 36

E2B-M18KN10-WZ-□□/E2B-M18KN16-WZ-□□

E2B 外形尺寸 37

长螺纹型

E2B-M18LS05-WZ-□□/E2B-M18LS08-WZ-□□

E2B 外形尺寸 39

E2B-M18LN10-WZ-□□/E2B-M18LN16-WZ-□□

E2B 外形尺寸 40

接插件型

标准型

E2B-M18KS05-M1-□□/E2B-M18KS08-M1-□□

E2B 外形尺寸 43

E2B-M18KN10-M1-□□/E2B-M18KN16-M1-□□

E2B 外形尺寸 44

长螺纹型

E2B-M18LS05-M1-□□/E2B-M18LS08-M1-□□

E2B 外形尺寸 46

E2B-M18LN10-M1-□□/E2B-M18LN16-M1-□□

E2B 外形尺寸 47

安装孔加工尺寸

E2B 外形尺寸 48

M30

导线引出型

标准型

E2B-M30KS10-WZ-□□/E2B-M30KS15-WZ-□□

E2B 外形尺寸 52

E2B-M30KN20-WZ-□□

E2B 外形尺寸 53

长螺纹型

E2B-M30LS10-WZ-□□/E2B-M30LS15-WZ-□□

E2B 外形尺寸 55

E2B-M30LN20-WZ-□□/E2B-M30LN30-WZ-□□

E2B 外形尺寸 56

接插件型

标准型

E2B-M30KS10-M1-□□/E2B-M30KS15-M1-□□

E2B 外形尺寸 59

E2B-M30KN20-M1-□□

E2B 外形尺寸 60

长螺纹型

E2B-M30LS10-M1-□□/E2B-M30LS15-M1-□□

E2B 外形尺寸 62

E2B-M30LN20-M1-□□/E2B-M30LN30-M1-□□

E2B 外形尺寸 63

安装孔加工尺寸

E2B 外形尺寸 64

附件(另购)

传感器I/O接插件
M8接插件型(3针)

PVC型

直线型
XS3F-M8PVC3S2M (L = 2 m)
XS3F-M8PVC3S5M (L = 5 m)

E2B 外形尺寸 68

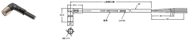
直角型
XS3F-M8PVC3A2M (L = 2 m)
XS3F-M8PVC3A5M (L = 5 m)

E2B 外形尺寸 69

PVC耐油耐弯曲型

直线型
XS3F-M321-302-R (L = 2 m)
XS3F-M321-305-R (L = 5 m)

E2B 外形尺寸 71

直角型
XS3F-M322-302-R (L = 2 m)
XS3F-M322-305-R (L = 5 m)

E2B 外形尺寸 72

引脚排列

E2B 外形尺寸 73

传感器I/O接插件
M12接插件型(4针)

PVC型

直线型
XS2F-M12PVC4S2M (L = 2 m)
XS2F-M12PVC4S5M (L = 5 m)

E2B 外形尺寸 76

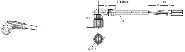
直角型
XS2F-M12PVC4A2M (L = 2 m)
XS2F-M12PVC4A5M (L = 5 m)

E2B 外形尺寸 77

PVC耐油耐弯曲型

直线型
XS2F-D421-D80-F (L = 2 m)
XS2F-D421-G80-F (L = 5 m)

E2B 外形尺寸 79

直角型
XS2F-D422-D80-F (L = 2 m)
XS2F-D422-G80-F (L = 5 m)

E2B 外形尺寸 80

引脚排列

E2B 外形尺寸 81