Page top

2017/03 生产终止

E6B3 / E6C4

旋转编码器

E6B3 / E6C4

延续E6B2的高性价比,超值也有更多选择

该页面所登载的内容是基于生产终止以前的产品样本制作而成的参考信息,产品的特点/种类/规格/配件等可能与现在所使用的不同。请在使用时确认系统的兼容性及安全性。

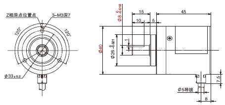
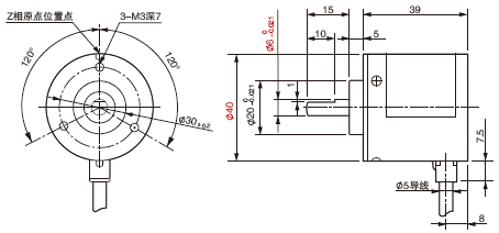
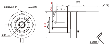
(单位:mm)

E6C4

E6B3 / E6C4 外形尺寸 1

安装尺寸

E6B3 / E6C4 外形尺寸 2

E6B3

E6B3 / E6C4 外形尺寸 3

安装尺寸

E6B3 / E6C4 外形尺寸 4

E6B2

E6B3 / E6C4 外形尺寸 5

安装尺寸

E6B3 / E6C4 外形尺寸 6