Page top

FL系列

用于图像处理的FL系列照明

FL系列

高亮型ODR照明

(单位:mm)

条形照明

FL-BR5020W(-H)

FL系列 外形尺寸 2

FL-BR9120W(-H)

FL系列 外形尺寸 3

FL-BR13120W(-H)

FL系列 外形尺寸 4

直射型环形照明

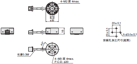
FL-DR32W(-H)

FL系列 外形尺寸 6

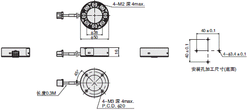
FL-DR50W(-H)

FL系列 外形尺寸 7

FL-DR90W(-H)

FL系列 外形尺寸 8

照明控制器

FL-TCC1

FL系列 外形尺寸 10

选装件

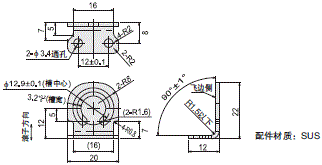
相机安装用垫圈FL-TCC1-XSP
(另售)

FL系列 外形尺寸 12

相机安装用附件FL-TCC1-XAT
(另售)

FL系列 外形尺寸 13

数字照明控制器

FL-STC10/15

FL系列 外形尺寸 15

FL-STC20/25

FL系列 外形尺寸 16

电缆、安装配件

延长电缆

FL系列 外形尺寸 18

注1:因电缆长度而异。
注2:耐弯曲型的电缆直径为φ6.2。

并行电缆

FL系列 外形尺寸 20

注1:因电缆长度而异。

安装配件

FL系列 外形尺寸 21

毛刺、飞边的凸起部分应小于0.1mm