Page top

2025/03 生产终止

E5CN-HT

温控器(数字调节仪)程序型

E5CN-HT

新增程序型! 采用最大256段程序容量,较高性价比的新型 液晶,可视角度、对比度得以提升

该页面所登载的内容是基于生产终止以前的产品样本制作而成的参考信息,产品的特点/种类/规格/配件等可能与现在所使用的不同。请在使用时确认系统的兼容性及安全性。

(单位:mm)

本体

E5CN-HT

E5CN-HT 外形尺寸 2

注: 端子台无法拆装。

选装件(另售)

USB-串行转换电缆
E58-CIFQ1

E5CN-HT 外形尺寸 4

端子盖
E53-COV17

E5CN-HT 外形尺寸 5

注:以往产品的端子盖 E53- COV10不能使用。

防水垫
Y92S-29 (for DIN 48 × 48)

E5CN-HT 外形尺寸 6

防水垫遗失、损坏时,请按以下型号进行订购。
使用防水垫时,保护结构为IP66。(使用防水垫可以达到IP66 的防水效果,根据使用环境,防水垫会产生老化、收缩、变硬 等,建议定期更换。定期更换时期因使用环境而异。请用户自 行确认。大致以1年以下为更换标准。此外,对没有进行定期 更换的防水等级,本公司概不负责。)
不采用防水构造时,无需安装防水垫。

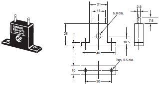
电流检测器

E54-CT1

E5CN-HT 外形尺寸 8

E54-CT3

E5CN-HT 外形尺寸 9

E54-CT3附件

E5CN-HT 外形尺寸 10

适配器
Y92F-45

E5CN-HT 外形尺寸 11

注1.请在E5B□用面板已经加工的情况下使用。
2.适配器只有黑色。

装有DIN导轨的适配器
Y92F-52

E5CN-HT 外形尺寸 13

注:不能与端子盖并用。
请将端子盖卸下后再使用。