Page top

ZX2

智能传感器 激光CMOS型

ZX2

稳定测量,不受工件变化的影响。能轻松设定。

ZX2系列部分产品预定于2021年1月底订货截止。

(单位:mm)

本体

传感头
ZX2-LD50/ZX2-LD50L
ZX2-LD100/ZX2-LD100L
ZX2-LD50V

ZX2 外形尺寸 2

放大器单元
ZX2-LDA11/ZX2-LDA41

ZX2 外形尺寸 3

附件

运算单元
ZX2-CAL

ZX2 外形尺寸 5

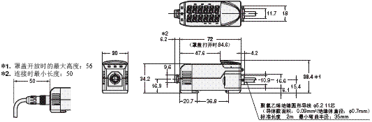
ZX2用通信接口单元
ZX2-SF11

ZX2 外形尺寸 6

传感头延长导线
ZX2-XC1R
ZX2-XC4R
ZX2-XC9R
ZX2-XC20R

ZX2 外形尺寸 7

安装支架
E39-L178

ZX2 外形尺寸 8

安装支架
E39-L179

ZX2 外形尺寸 9

*用于ZX2-LD100(L)通常的扩散反射设置或正反射设置的情况。

正反射设置方法
使用安装支架(E39-L178)时

ZX2 外形尺寸 10

注:将本体保留在安装支架时,请从本体的警告标签一侧插入螺钉,将其固定。

使用安装支架(E39-L179)时
正反射设置方法(对扩散反射型进行正反射设置)

ZX2 外形尺寸 11

注:将本体保留在安装支架时,请从本体的警告标签一侧插入螺钉,将其固定。

不使用安装支架时

请相对工件进行如下倾斜设置。

ZX2-LD50V

ZX2 外形尺寸 15