Page top

XW3D

接插件中继盒

XW3D

传感器执行器的单触 (One-Touch) 配线

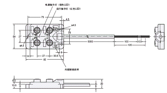
(单位:mm)

XW3D-P45□-G11 (4端口型)

XW3D 外形尺寸 2 XW3D-P45[]-G11_Dim

XW3D-P85□-G11 (8端口型)

XW3D 外形尺寸 4 XW3D-P85[]-G11_Dim

XW3D-P457-G11 (4端口和8 I/O型)

XW3D 外形尺寸 6 XW3D-P457-G11_Dim