Page top

F3SJ系列

安全光幕

F3SJ系列

备有三种型号,恰如其分地满足安全需求 符合PLe、安全等级4级和SIL3标准

F39-MLG系列产品已于2021年3月底订货截止

(单位:mm)

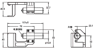
F3SJ-E/F3SJ-B

除了接插件导线和导线引出线不同之外,F3SJ-E与F3SJ-B的外形尺寸相同。

本体

安装上/下支架和中间支架

背面安装时

F3SJ系列 外形尺寸 6 Mounting Top/Bottom and Intermediate Brackets_Backside mounting_Dim

侧面安装时

F3SJ系列 外形尺寸 8 Mounting Top/Bottom and Intermediate Brackets_Side mounting_Dim

F39-LJB1上/下支架尺寸

F3SJ系列 外形尺寸 10 Top/Bottom bracket for F39-LJB1_Dim

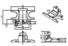
材质:不锈钢

安装中间支架(自由位置安装)

背面安装时

F3SJ系列 外形尺寸 14 Mounting Intermediate Brackets only (location-free mounting)_Backside mounting_Dim

侧面安装时

F3SJ系列 外形尺寸 16

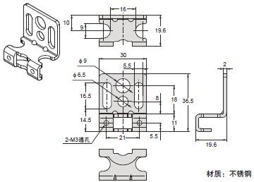
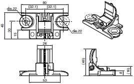
F39-LJB2的中间支架尺寸

背面安装

F3SJ系列 外形尺寸 18 I

材质:锌压铸

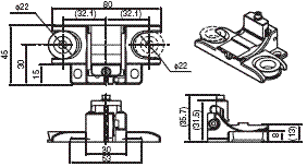
侧面安装

F3SJ系列 外形尺寸 20

材质:锌压铸

安装快速安装支架

背面安装时

F3SJ系列 外形尺寸 24 When Using Quick Mount Brackets_Backside mounting_Dim

侧面安装时

F3SJ系列 外形尺寸 26 When Using Quick Mount Brackets_Side mounting_Dim

F39-LJB3快速安装支架尺寸

背面安装

F3SJ系列 外形尺寸 28 Quick mount bracket for F39-LJB3_Backside mounting_Dim

侧面安装

F3SJ系列 外形尺寸 29 Quick mount bracket for F39-LJB3_Side mounting_Dim

材质:锌压铸

材质:锌压铸

快速安装M6支架的外形尺寸

F3SJ系列 外形尺寸 32 Dimensions of quick mount M6 bracket_Dim

快速安装M8支架的外形尺寸

F3SJ系列 外形尺寸 34 Dimensions of quick mount M8 bracket_Dim

材质:不锈钢

材质:不锈钢

安装兼容支架

背面安装时

F3SJ系列 外形尺寸 38 When Using Compatible Brackets_Backside mounting_Dim

侧面安装时

F3SJ系列 外形尺寸 39 When Using Compatible Brackets_Side mounting_Dim

尺寸C(检测宽度):型号中的4位数字
尺寸A=C+159
尺寸B=C+86

尺寸C(检测宽度):型号中的4位数字
尺寸A=C+159
尺寸B=C+86

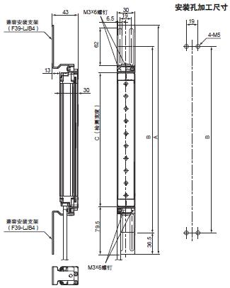
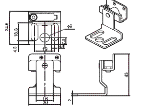
F39-LJB4兼容支架尺寸

F3SJ系列 外形尺寸 43 Compatible bracket for F39-LJB4_Dim

材质:不锈钢

安装紧密安装支架

背面安装时

F3SJ系列 外形尺寸 47 When Using Contact Mount Brackets_Backside mounting_Dim

尺寸C(检测宽度):型号中的4位数字
尺寸A=C+69
尺寸B=C+47.5
尺寸D=C-45

侧面安装时

F3SJ系列 外形尺寸 50 When Using Contact Mount Brackets_Side mounting_Dim

尺寸C(检测宽度):型号中的4位数字
尺寸A=C+69
尺寸B=C+47.5
尺寸D=C-45

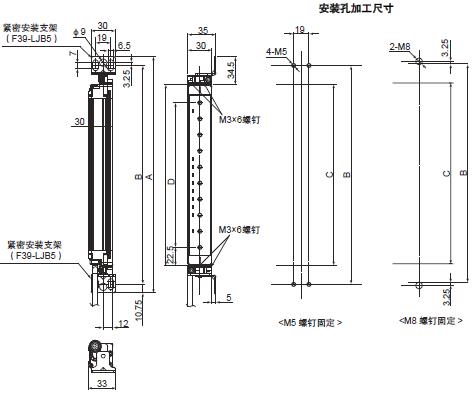
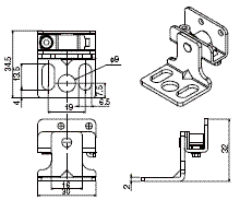
F39-LJB5紧密安装支架尺寸

F3SJ系列 外形尺寸 53 Dimensions of F39-LJB5 contact mount bracket_Dim

材质:不锈钢
注1. 安装紧密安装支架的F3SJ-E/B系列检测宽度存在限制。
       可安装的检测宽度 = 185mm ~ 1105mm(对于带-02TS后缀的型号,检测宽度为225mm~545mm)
    2. 不可同时安装其它型号的支架(F39-LJB1)

F3SJ-B□□□□P25-02TS

F3SJ系列 外形尺寸 55 F3SJ-B[][][][]P25-02TS_Dim

注. 有关安装支架尺寸的信息,请参阅《F3SJ-B □□□□ P25-02TS 用户手册》(SCHG-CN5-736)。所用支架与F3SJ-E/B系列其它型号相同。

所需中间支架数

F3SJ-B□□□□P25-02TS所需中间支架(快速安装支架)数与F3SJ-E/B系列其它型号不同。下表列出与检测宽度相对应的所需数量。

使用上/下支架/兼容支架+中间支架时

F3SJ系列 外形尺寸 60 When using top/bottom bracket/compatible bracket + intermediate bracket_Fig

仅使用中间支架时(自由位置安装)

F3SJ系列 外形尺寸 61 Using only the intermediate bracket (free-location mounting)_Fig

使用快速安装支架时

F3SJ系列 外形尺寸 62 When using the quick mount bracket_Fig

附件

单侧接插件导线 F3SJ-B
F39-JD3A (L = 3m)
F39-JD7A (L = 7m)
F39-JD10A (L = 10m)
F39-JD15A (L = 15m)
F39-JD20A (L = 20m)

F3SJ系列 外形尺寸 65 F39-JD3A_Dim

导线颜色:投光器为灰色,受光器为黑色

*备有L=3、7、10、15、20m。

双侧接插件导线 F3SJ-B
F39-JDR5B (L = 0.5m)
F39-JD1B (L = 1m)
F39-JD3 (L = 3m)
F39-JD5 (L = 5m)
F39-JD7B (L = 7m)
F39-JD10B (L = 10m)
F39-JD15B (L = 15m)
F39-JD20B (L = 20m)

F3SJ系列 外形尺寸 67 F39-JDR5B_Dim

导线颜色:投光器为灰色,受光器为黑色

控制单元 F3SJ-B
F3SP-B1P

F3SJ系列 外形尺寸 69 F3SP-B1P_Dim

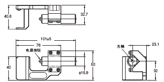
激光校准器 (F3SJ-E) (F3SJ-B)
F39-PTJ

F3SJ系列 外形尺寸 71 F39-PTJ_Dim

防溅保护罩(F3SJ-E) (F3SJ-B)
F39-HB□□□□

F3SJ系列 外形尺寸 73 F39-HB[][][][]_Dim

反射镜
F39-MLG□

F3SJ系列 外形尺寸 74

保护杆 (F3SJ-E) (F3SJ-B)
F39-PB□□□□

背面安装(使用M5螺钉)

F3SJ系列 外形尺寸 77 F39-PB[][][][]_Backside mounting (using M5 screws)_Dim

背面安装(使用M8螺钉)

F3SJ系列 外形尺寸 79 F39-PB[][][][]_Backside mounting (using M8 screws)_Dim

F39-PB□□□□
侧面安装(使用M5螺钉)

F3SJ系列 外形尺寸 81 F39-PB[][][][]_Side mounting (using M5 screws)_Dim

侧面安装(使用M8螺钉)

F3SJ系列 外形尺寸 83 F39-PB[][][][]_Side mounting (using M8 screws)_Dim

F3SJ-A

本体

使用标准支架时

背面安装时

F3SJ系列 外形尺寸 88 When Using Standard Mounting Brackets_Backside mounting_Dim

侧面安装时

F3SJ系列 外形尺寸 90 When Using Standard Mounting Brackets_Side mounting_Dim

F39-LJ1 标准支架尺寸

F3SJ系列 外形尺寸 92 F39-LJ1 Detailed Dimensions of Bracket_Dim1
F3SJ系列 外形尺寸 93 F39-LJ1 Detailed Dimensions of Bracket_Dim2

材质:黄铜

F3SJ系列 外形尺寸 94 F39-LJ1 Detailed Dimensions of Bracket_Dim3

材质:不锈钢

使用侧面扁平支架(F39-LJ2)时

材质:不锈钢

F3SJ系列 外形尺寸 96 Using Side Flat Mounting Bracket (F39-LJ2)_Dim

使用自由位置安装支架(F39-LJ3)时

背面安装时

F3SJ系列 外形尺寸 99 Using Free Location Mounting Bracket (F39-LJ3)_Backside mounting_Dim

侧面安装时

F3SJ系列 外形尺寸 101 Using Free Location Mounting Bracket (F39-LJ3)_Side mounting_Dim

关于尺寸B、C、F

F3SJ系列 外形尺寸 102 Dimensions B, C, and F_Table

关于尺寸F

F3SJ系列 外形尺寸 103 Dimensions F_Table

* 当使用非上述F值时,请使用F=350或更小值。

仅使用F39-LJ3自由位置安装支架而不使用标准支架时,请在支架间留出350mm以下的空间。所需支架数因检测宽度而异。有关所需支架数的详情请参阅下表。
标配的中间支架与F39-LJ3自由位置安装支架相同。如果附带的中间支架数少于所需数量,请另行购买。附带的中间支架可用作自由位置安装支架。

1套F3SJ-A(投光器/受光器)用F39-LJ3自由位置安装支架的所需数量(F39-LJ3中附带2个)

F3SJ系列 外形尺寸 106 Required number of F39-LJ3 free-location mounting brackets for 1 F3SJ set_Table

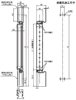
使用上/下支架B(F39-LJ4)时
背面安装时

F3SJ系列 外形尺寸 107 Using Top/Bottom Bracket B (F39-LJ4)_Backside mounting_Dim

. 有关侧面安装的外形尺寸,请参阅《用户手册》。
*使用M5螺钉,安装允许范围为1820

使用上/下支架C(F39-LJ11)时

F3SJ系列 外形尺寸 109 Using Top/Bottom Bracket C (F39-LJ11)_Dim

使用省空间安装支架(F39-LJ8)时

背面安装时

F3SJ系列 外形尺寸 112 Using Space-saving Mounting Bracket (F39-LJ8)_Backside mounting_Dim

注. 由于F39-LJ8无法与中间支架一起安装,因此请保持检测宽度在600mm以下。

F3SJ-A→F3SJ-E/B替换指南(包括已停产的型号)

F3SJ-A→F3SJ-E/B替换指南对照表(无需修改F3SJ-A的安装孔即可使用)

若要查看可用于替换的支架,请参阅“可用于替换的支架”。
若要查看安装支架时的外形尺寸,请参阅样本。
表中的数值与型号的□□□□对应,表示安全光幕的检测宽度(mm)。

F3SJ系列 外形尺寸 117 F3SJ-A to F3SJ-E/B replacement correspondence table_Table1
F3SJ系列 外形尺寸 118 F3SJ-A to F3SJ-E/B replacement correspondence table_Table2

注1. 检测宽度和最小检测物体因具体的替换产品而异。使用前请确认所使用设备的安全性设计。
2. F3SJ-E的检测宽度为1,105mm以下。仅F3SJ-B可用作检测宽度为1,185mm以上的替换产品。

因替换导致的尺寸变化

(1)通过背面安装进行替换

F3SJ系列 外形尺寸 121 Replacement by backside mounting_Table

安装壁表面到光学表面的尺寸图

F3SJ系列 外形尺寸 123 Dimensional drawing from mounting wall surface to optical surface_Dim

(2)通过侧面安装进行替换

F3SJ系列 外形尺寸 125 Replacement by side mounting_Table

从安装壁表面伸出的尺寸图

F3SJ系列 外形尺寸 127 Dimensional drawing of a protrusion from mounting wall_Dim

使用中间支架进行替换

对于背面安装,由于F3SJ-A和F3SJ-E/B的安装孔距兼容,因此无需修改即可使用;对于侧面安装,由于安装孔距不同,需要重新开孔。

使用中间支架进行侧面安装时的安装孔距

F3SJ系列 外形尺寸 131 Mounting hole pitch for side mounting using intermediate bracket_Table

使用中间支架进行侧面安装时的安装孔距图

F3SJ系列 外形尺寸 132 Dimensional drawing of mounting hole for side mounting using intermediate bracket_Dim

因替换导致的尺寸变化

F3SJ系列 外形尺寸 134 Change of Dimensions due to Replacement_Table

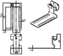
使用短型F3SN替换用安装支架(F39-LJ5)时

向内安装时

F3SJ系列 外形尺寸 137 Using mounting bracket for short-length F3SN (F39-LJ5)_Inward-facing mounting_Dim

外向安装时

F3SJ系列 外形尺寸 139 Using mounting bracket for short-length F3SN (F39-LJ5)_Outward-facing mounting_Dim

内向+外向安装时

F3SJ系列 外形尺寸 141 Inward + outward-facing mounting_Dim

附件

F3SJ系列 外形尺寸 143 F39-JCR5A_Dim

单侧接插件导线
F39-JD3A(L=3m)
F39-JD7A(L=7m)
F39-JD10A(L=10m)
F39-JD15A(L=15m)
F39-JD20A(L=20m)

导线颜色:投光器为灰色,受光器为黑色

* 备有L=3、7、10、15、20m。

F3SJ系列 外形尺寸 145 F39-JCR5B_Dim

双侧接插件导线
F39-JDR5B(L=0.5m)
F39-JD1B(L=1m)
F39-JD3B(L=3m)
F39-JD5B(L=5m)
F39-JD7B(L=7m)
F39-JD10B(L=10m)
F39-JD15B(L=15m)
F39-JD20B(L=20m)

导线颜色:投光器为灰色,受光器为黑色

省配线接插件
F39-CN5

F3SJ系列 外形尺寸 147

控制单元
F3SP-B1P

F3SJ系列 外形尺寸 149 F3SP-B1P_Dim

激光校准器
F39-PTJ

F3SJ系列 外形尺寸 151 F39-PTJ_Dim

大型指示灯套件
F39-A01□-PAC

F3SJ系列 外形尺寸 153 F39-A01[]-PAC_Dim

防溅保护盖
F39-HJ□□□□

F3SJ系列 外形尺寸 155 F39-HJ[][][][]_Dim

反射镜
F39-MLG□

F3SJ系列 外形尺寸 156

F3SJ用PC工具
F39-GWUM

F3SJ系列 外形尺寸 158 F39-GWUM_Dim

保护杆
F39-PJ□□□□-S

背面安装时

F3SJ系列 外形尺寸 161 F39-PJ[][][][]-S_Backside mounting_Dim

侧面安装时

F3SJ系列 外形尺寸 163 F39-PJ[][][][]-S_Side mounting_Dim

* 不附带侧面安装用中间支架(4)(F39-PJ-MS)。

耐环境外壳
F39-EJ□□□□-L(D)

背面安装时

F3SJ系列 外形尺寸 167 F39-EJ[][][][]-L(D)_Backside mounting_Dim

* 不附带安装支架(F39-EJ-R)。

侧面安装时

F3SJ系列 外形尺寸 170 F39-EJ[][][][]-L(D)_Side mounting_Dim

* 不附带安装支架(F39-EJ-S)。