Page top

V640系列

RFID系统(符合SEMI标准, 电磁感应式134kHz)

V640系列

增加了Ethernet型的全新系列!适用于TI产的(Texas Instruments)标签,面向半导体行业的RFID系统

V640-HAM11-ETN-V2、V640-HAM11-L-ETN-V2预定于2026年3月底订货截止。V640-HAM11-V3、V640-HAM11-ETN预定于2026年3月底订货截止。

(单位:mm)


CIDRW头

V640-HS61

V640系列 外形尺寸 2

V640-HS62

V640系列 外形尺寸 3

CIDRW放大器单元

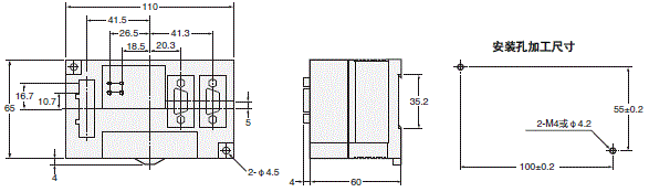
V640-HAM11-V4
V640-HAM11-L-V2

V640系列 外形尺寸 5

V640-HAM11-ETN-V5
V640-HAM11-L-ETN-V5
V640-HAM11-ETN-V2
V640-HAM11-L-ETN-V2

V640系列 外形尺寸 6

CIDRW控制器

V700-L22-V2

V640系列 外形尺寸 8

ID链接单元

V700-L11

V640系列 外形尺寸 10