|
液位设备概要 |
|||||||
|
|||||||
|
电极式液位开关(61F)作为电气性液位检测方式,被广泛用于以大厦、集中住宅的上下水道为主及钢铁、食品、化学、药品、半导体等各种工业、农业水、净水场、污水处理等的液面控制。一旦电极接触到液体,通过液体可以闭合电路(电气流通的道路),根据流过的电流检知液位控制的动作原理,是以所谓的导电性液体为控制对象的液位开关。进行检测时,直接检测液体的电极间电阻,根据大于或小于已设定的电阻值,来判断有无液面。 ■基本原理 |
|||||||
|
以一般接收上水道供水的情况为例来进行说明。 |
|||||||
|
|
|||||||
|
●带自我保持电路的实用性水位控制(3根电极式) |
|||||||
|
|
|
||||||
|
图5 时间图 |
|
||||||
|
|||||||
|
请注意:
|
|||||||
|
●净水
●使用水
|
|||||||
|
. ●污水 ●下水(下水道)
●离子交换水 [参考] 一般使用的水为动作电阻 200kΩ 更有时使用61F-GP-NH3 ,但使用除去离子成分的方法后,电阻值会提高。(纯水)
|
|||||||
|
●纯水 |
|||||||
|
水槽·池 |
|||||||
|
●接水槽 ●高架水槽 指设置在大厦、公寓大楼等高层住宅屋顶上的,利用高度来提供水槽。 [参考] 从接水槽61F-G4N或61F-GIN 等自动地将水泵上来。
|
|||||||
|
●配水池 |
|||||||
|
规格 |
|||||||
|
●动作电阻 |
|||||||
|
●接点容量(输出) |
|||||||
|
●冲击电流 |
|||||||
|
动作 |
●2线式(带R)
电极和61F本体间,可以省略1根电线进行布线的方式,液位电极、自我保持电极、接地电极3线当中,省略自我保持电极进行布线的方式。而自我保持电极是必须的。这种情况下,必须选择型号中带R型的61F 本体(继电器单元也一样)、电极保持器,并加上(电阻)1W 6.8kΩ。
[参考]
|
型号
|
电极和61F 本体的布线数 |
型号
|
电极和61F 本体的布线数 |
|
61F-GN 、-G |
3根 |
61F-GNR 、-GR |
2根 |
|
61F-G1N 、-G1 |
6根*1 4根*2 |
61F-G1NR 、-G1R |
4根*1 3根*2 |
|
61F-G2N 、-G2 |
4根 |
61F-G2NR 、-G2R |
3根 |
|
61F-G3N 、-G3 |
5根 |
61F-G3NR 、-G3R |
4根 |
|
61F-G4N 、-G4 |
9根 |
61F-G4NR 、-G4R |
7根 |
*1. 表示兼具防止泵空转的供水自动运转。
*2. 表示兼具异常缺水报警的供水自动运转时。
●3线式
相对于2线式的称呼。(61F的基本方式为3线式)
●防止空转
用泵将水吸上来时,在大厦、公寓大楼等高层大楼中,可以通过接水槽吸到高架水槽中。此时,如果接水槽内没有了水,并继续空转,则会吸进空气,可能会导致电机过热并烧损。为了避免这种情况,必须在水位降到一定液位以下时,将泵强制停止,即可防止马达烧损。61F-G1N 、-G1 以及61F-G4N 、-G4 均具备该功能。
●交互运转
用电机将水吸上来时,在达到某种规模的地方,备有预备电机。如果不使用电机,可能会导致其生锈老化;而如果连续使用,其产生的热量也会导致其老化,因此,通过2台电机交互使用,就会延长电机的使用寿命,即使1台出了故障,还有1台也可以运转。[参考] (必须配备外部切换开关)61F-AN 、-APN2带有该功能。
选择机型的标准
■分类(供参考用)
●根据液体来分类的示例
●根据电极部安装来分类的示例
|
液体 |
电极 |
电极保持器 |
继电器本体(单元) |
|---|---|---|---|
|
酸·碱 |
<附表4>根据电极材料的耐腐蚀性进行选择(不使用分离器) |
BS-1T 中的电极如<附表4>所示。每隔1极应采用绝缘。 |
低灵敏度用 61F-□□ND(61F-11ND)或相当、但应根据布线距离使用远距离用61F-11NL |
|
锅炉 |
SUS316 (使用不锈钢罐材的碱性水) |
BS-1 (升高温度、施加压力) |
标准61F-□□ |
|
自来水 |
SUS304、SUS316 |
PS、BF,其他未指定。 |
标准61F-□□,距离较长时选用远距离用 61F-□□L |
|
纯水( 离子交换水) |
钛( 确保纯水的纯度) |
BS-1T TITANIUM |
根据导电率,高灵敏度61F-□□NH(61F-11NH)超高灵敏度 61F-UHS |
|
气泡(检测) |
SUS304、SU316 、钛(不使用分离器) |
PS、BF |
高灵敏度 61F-GP-NH |
|
气泡(未检测) |
同上( 不使用分离器) |
同上 |
低灵敏度61F-□□ND |
|
污水 |
SUS304( 没有氯成分的)(不使用分离器) |
BF-1 每个1极使用 |
低灵敏度61F-□□ND |
|
混有油的水 |
SUS304 |
PS、BF 防油对策上使用管子 |
标准61F-□□ |
|
蒸汽 |
SUS316 |
BS-1 、BF-1 每个1极使用,如有压力,则选用BS-1 |
标准61F-□□ |
●根据电极部安装来分类的示例
|
用途 |
电极 |
电极保持器 |
|---|---|---|
|
安装场所狭小的地方 |
F03-05 电极带 |
PS-□S |
|
要防雨水 |
SUS304 、SUS316 |
PS+保护盖 F03-11+安装环箍F03-12 |
|
污水等接触到物品(衣类)的地方 |
SUS304 |
BF-1电极保持器间保持间隔 |
|
污水、杂排、产生脂肪颗粒的地方 |
SUS304 或316 |
同上 |
|
高架水槽 |
SUS304 或316 |
PS |
|
接水槽 |
SUS304 或316,F03-05电极带,PH水中电极 |
PS |
|
下水、排水(检修口) |
SUS304 、 SUS316 |
PS (积油的地方接入管道,例:地下,工厂的坑) |
|
污水槽(与水洗有关) |
SUS304 |
BF-1 |
|
较深的地方、井等 |
F03-05 电极带,PH水中电极 |
PS |
|
结冰的地方 |
F03-05 电极带,PH水中电极 |
PS |
|
高温的情况(温水器) |
SUS316 |
50℃以下 BS-1S2 250 ℃以上没有(请根据用户定制) |
■选择61F本体的标准
●固有电阻和机型选择的标准
使用一般用途的可控制液体的固有电阻时,用PS-3S电极保持器、浸水长度为30mm以下的情况下,其界限为30kΩ·cm。在固有电
阻超出该值的液体内,请使用高灵敏度用(H类型)。(注)
如右边的<附表1>、<附表2>、下一页的<附表3>,列举了水和代表性液体的固定电阻值,请以此作为规格选择的标准。在选择水位控制对象--和水的种类相关的机型时进行参考。
注1. 高灵敏度型因水质不同,可能会产生复位不良,因此,不一定要覆盖一般用、低灵敏度的型号。请选择最佳机型。
注2. 为高灵敏度用 61F-□H时高灵敏度用在电路构成上为「预动作方式」。施加电源电压后,内置继电器会暂且在a接点侧动作, E1-E3间电极为导通状态时,就会复位到b接点侧。高灵敏度以外的其他类型则会进行相反的动作,因此,仅施加电源后,即使内置继电器动作,也不会有异常动作。(61F-□NH时为顺动作方式)
<请注意>
为超高灵敏度可变式 61F-HSL时由于电极电路是直流,会因电蚀产生问题,因此,使用时请勿在电极间通入常时电流。
<附表1> 水的固有电阻(一般性标准)
|
种类 |
固有电阻 |
|
自来水 |
5k~10kΩ·cm |
|
井水 |
2k~5kΩ·cm |
|
河水 |
5k~15kΩ·cm |
|
雨水 |
15k~25kΩ·cm |
|
海水 |
0.03kΩ·cm |
|
下水 |
0.5k~2kΩ·cm |
|
蒸馏水 |
250k~300kΩ·cm以上 |
<附表2> 各用途可检测的固有电阻范围(标准)
|
种类 |
固有电阻范围(推荐值) |
|
长距离用(4km) |
~5kΩ·cm |
|
长距离用(2km) |
~10kΩ·cm |
|
低灵敏度用 |
~10kΩ·cm |
|
2线式用 |
~10kΩ·cm |
|
一般用 |
10k~30kΩ·cm |
|
高温用 |
10k~30kΩ·cm |
|
高灵敏度用(紧凑型·插入型) |
30k~200kΩ·cm |
|
高灵敏度用(基本型) |
30k~300kΩ·cm |
|
超高灵敏度用 |
100k~10MΩ·cm |
注. 用PS-3S,且浸水长度为30mm以下使用时,即为可控制液体的固有电阻范围。
●导电率(电导)
作为电气流通难易尺度,导电率和电阻间的关系以下列公式表示。

如<附表1>,表示用(固有)电导来表示这一关系。
<附表1A> 水的(固有)电导(标准)
|
种类 |
(固有) 电导 |
|
自来水 |
100~200μS/cm |
|
井水 |
200~500μS/cm |
|
河水 |
67~200μS/cm |
|
雨水 |
40~67μS/cm |
|
海水 |
33,300μS/cm |
|
废水 |
500~2,000μS/cm |
|
蒸馏水 |
3.3~4μS/cm 以下 |
<附表3> 各种液体的固有电阻
|
种类 |
温度(℃) |
浓度(%) |
固有电阻(Ω·cm) |
|---|---|---|---|
|
啤酒(A公司) |
12 |
— — — — |
830.0 |
|
硝酸银AgNO3 |
18 |
5.0 |
39.5
|
|
氢氧化钡Ba(OH)2 |
18 |
1.25 |
40.0 |
|
氯化钙CaCl2 |
18 |
5.0 |
15.6 |
|
氯化镉CdCl2 |
18 |
1.0 |
181.0 |
|
硫酸镉CdSO4 |
18 |
1.0 |
240.0 |
|
硝酸HNO3 |
18 |
5.0 |
3.9 |
|
磷酸H3PO4 |
15 |
10.0 |
17.7 |
|
硫酸H2SO4 |
18 |
5.0 |
4.8 |
|
溴化钾KBr |
15 |
5.0 |
14.5 |
|
氯化钾KCl |
18 |
5.0 |
14.5 |
|
氯酸钾KClO3 |
15 |
5.0 |
27.2 |
|
氰酸钾KCN |
15 |
3.25 |
19.0 |
|
碳酸钾K2 CO3 |
15 |
5.0 |
17.8 |
|
氟化钾KF |
18 |
5.0 |
15.3 |
|
碘化钾KI |
18 |
5.0 |
31.4 |
|
硝酸钾KNO3 |
18 |
5.0 |
22.1 |
|
氢氧化钾KOH |
15 |
4.2 |
6.8 |
|
硫化钾K2S |
18 |
3.18 |
11.8 |
|
种类 |
温度(℃) |
浓度(%) |
固有电阻(Ω·cm) |
|---|---|---|---|
|
硫酸铜CuSO4 |
18 |
2.5 |
92.6 |
|
硫酸亚铁FeSO4 |
18 |
0.5 |
65.0 |
|
溴化氢HBr |
15 |
5.0 |
5.2 |
|
盐酸HCl |
15 |
5.0 |
2.5 |
|
氟化氢HF |
18 |
0.004 |
4,000.0 |
|
氯化汞HgCl2 |
18 |
0.229 |
22,727.0 |
|
碘化氢HI |
15 |
5.0 |
7.5 |
|
硫酸钾K2SO4 |
18 |
5.0 |
21.8 |
|
食盐NaCl |
18 |
5.0 |
14.9 |
|
碳酸钠Na2CO3 |
18 |
5.0 |
22.2 |
|
碘化钠NaI |
18 |
33.6 |
|
|
硝酸钠NaNO3 |
18 |
5.0 |
22.9 |
|
氢氧化钠NaOH |
15 |
2.5 |
9.2 |
|
硫酸钠Na2SO4 |
18 |
5.0 |
24.4 |
|
氨NH3 |
15 |
0.1 |
3,984.0 |
|
氯化铵NH4Cl |
18 |
5.0 |
50.5 |
|
硝酸铵NH4NO3 |
15 |
5.0 |
16.9 |
|
硫酸铵(NH4)2SO4 |
15 |
5.0 |
18.1 |
|
氯化锌ZnCl2 |
15 |
2.5 |
36.2 |
|
硫酸锌ZnSO4 |
18 |
5.0 |
52.4 |
■从耐腐蚀性角度选择电极材料
为使电极能长时间使用,请参考<附表4>选择最佳材料。
<附表4> 各种液体-电极材料的耐腐蚀性
|
水溶液 |
电极材料 |
||||||
|---|---|---|---|---|---|---|---|
|
种类 |
浓度(%) |
温度(℃) |
SUS 304 |
SUS 316 |
钛 |
HAS B |
HAS C |
|
亚硫酸H2SO3 |
6 |
30 |
E |
C |
A |
B |
B |
|
硫酸H2SO4 |
1 |
30 |
A |
A |
A |
A |
A |
|
1 |
BP |
E |
D |
E |
B |
C |
|
|
3 |
30 |
B |
A |
A |
A |
A |
|
|
3 |
BP |
E |
E |
E |
C |
C |
|
|
5 |
30 |
D |
B |
D |
B |
A |
|
|
5 |
BP |
E |
E |
E |
D |
D |
|
|
10 |
30 |
E |
C |
E |
A |
A |
|
|
10 |
BP |
E |
E |
D |
C |
E |
|
|
20 |
30 |
E |
E |
C |
C |
B |
|
|
20 |
BP |
E |
E |
D |
D |
E |
|
|
40 |
30 |
E |
E |
D |
B |
B |
|
|
40 |
BP |
E |
E |
D |
E |
E |
|
|
60 |
30 |
E |
E |
D |
B |
C |
|
|
60 |
BP |
E |
E |
D |
C |
D |
|
|
70 |
30 |
E |
E |
D |
B |
B |
|
|
70 |
BP |
E |
E |
D |
C |
D |
|
|
80 |
30 |
E |
E |
D |
B |
B |
|
|
80 |
BP |
E |
E |
D |
D |
D |
|
|
90 |
30 |
E |
E |
D |
B |
B |
|
|
90 |
BP |
E |
E |
D |
D |
D |
|
|
95 |
30 |
E |
D |
D |
B |
B |
|
|
95 |
BP |
E |
E |
D |
D |
D |
|
|
盐酸HCI |
1 |
30 |
E |
D |
B |
B |
A |
|
1 |
BP |
E |
E |
E |
D |
C |
|
|
3 |
30 |
E |
E |
B |
B |
A |
|
|
3 |
BP |
E |
E |
E |
D |
C |
|
|
5 |
30 |
E |
E |
C |
C |
A |
|
|
5 |
BP |
E |
E |
E |
E |
D |
|
|
10 |
30 |
E |
E |
E |
C |
C |
|
|
10 |
BP |
E |
E |
E |
E |
E |
|
|
15 |
30 |
E |
E |
E |
C |
C |
|
|
15 |
BP |
E |
E |
E |
E |
E |
|
|
20 |
30 |
E |
E |
E |
C |
D |
|
|
20 |
BP |
E |
E |
E |
E |
E |
|
|
37 |
30 |
E |
E |
E |
C |
E |
|
|
37 |
BP |
E |
E |
E |
E |
E |
|
|
氧化铬CrO3 |
10 |
BP |
D |
C |
A |
B |
C |
|
20 |
30 |
C |
B |
A |
B |
B |
|
|
36.5 |
90 |
E |
E |
C |
C |
C |
|
|
硝酸HNO3 |
10 |
30 |
B |
A |
A |
D |
A |
|
10 |
BP |
B |
B |
B |
D |
C |
|
|
20 |
290 |
B |
B |
C |
D |
D |
|
|
65 |
175 |
C |
C |
B |
E |
E |
|
|
68 |
30 |
C |
C |
A |
D |
D |
|
|
68 |
BP |
D |
D |
B |
E |
E |
|
|
90 |
80 |
E |
E |
A |
E |
E |
|
|
氟化氢HF |
5 |
30 |
E |
E |
D |
D |
C |
|
100 |
30 |
E |
D |
C |
C |
C |
|
|
磷酸H3PO4 |
10~85 |
RT |
B |
B |
C |
B |
C |
|
水溶液 |
电极材料 |
||||||
|---|---|---|---|---|---|---|---|
|
种类 |
浓度(%) |
温度(℃) |
SUS 304 |
SUS 316 |
钛 |
HAS B |
HAS C |
|
乙酸CH3COOH |
5~50
|
RT
|
A
|
A
|
A
|
A
|
A
|
|
100
|
RT
|
A
|
A
|
A
|
A
|
A
|
|
|
100
|
BP
|
C
|
B
|
A
|
A
|
A
|
|
|
甲酸H·COOH |
全
|
BP
|
D
|
D
|
D
|
A
|
A
|
|
丙酮 CH3·CO·CH3 |
全
|
RT
|
B
|
B
|
A
|
A
|
A
|
|
明矾 |
全
|
RT
|
E
|
E
|
D
|
B
|
B
|
|
硫酸铝 |
50
|
BP
|
D
|
C
|
B
|
C
|
A
|
|
氯化铵NH4Cl |
5
|
BP
|
D
|
D
|
A
|
B
|
B
|
|
硝酸铵NH4NO3 |
全
|
BP
|
A
|
A
|
A
|
B
|
B
|
|
硫酸铵(NH4)2SO4 |
5
|
RT
|
E
|
D
|
B
|
B
|
C
|
|
10
|
BP
|
E
|
E
|
B
|
B
|
C
|
|
|
氨NH3 |
100
|
100
|
C
|
C
|
A
|
B
|
B
|
|
10
|
BP
|
C
|
B
|
B
|
B
|
C
|
|
|
28
|
60
|
C
|
B
|
A
|
B
|
B
|
|
|
氢氧化钾KOH |
25
|
BP
|
B
|
A
|
C
|
B
|
C
|
|
氢氧化钠NaOH |
30
|
60 nbsp; |
A
|
A
|
B
|
A
|
B
|
|
50
|
65
|
B
|
A
|
C
|
A
|
C
|
|
|
碳酸钠Na2CO3 |
25
|
BP
|
B
|
B
|
B
|
B
|
B
|
|
碳酸钾K2CO3 |
20
|
BP
|
B
|
B
|
B
|
B
|
B
|
|
氯化锌ZnCl2 |
50
|
150
|
D
|
C
|
B
|
B
|
C
|
|
氯化钙CaCl2 |
25
|
BP
|
C
|
C
|
A
|
A
|
A
|
|
氯化钠NaCl |
25
|
BP
|
C
|
B
|
A
|
B
|
B
|
|
氯化铁 |
30
|
RT
|
E
|
E
|
A
|
E
|
B
|
|
氯化铜 |
30
|
RT
|
E
|
E
|
A
|
E
|
B
|
|
海水 |
|
RT
|
C
|
C
|
A
|
B
|
A
|
|
过氧化氢H2O2 |
10
|
RT
|
B
|
B
|
B
|
B
|
B
|
|
亚硫酸钠 |
10
|
RT
|
B
|
B
|
A
|
B
|
B
|
|
柠檬酸 |
全
|
RT
|
B
|
A
|
C
|
A
|
A
|
|
半乳糖酸CO2H·CO2H |
全
|
RT
|
B
|
A
|
D
|
B
|
B
|
|
次氯酸钠 |
10
|
RT
|
E
|
D
|
A
|
C
|
C
|
|
重铬酸钾 |
10
|
BP
|
C
|
B
|
A
|
B
|
C
|
|
氯化镁 |
30
|
RT
|
C
|
B
|
A
|
A
|
A
|
|
硫酸镁 |
10
|
RT
|
B
|
B
|
A
|
A
|
A
|
注1.
RT :室温
BP:沸点
注2.
A:耐腐蚀性足够
B:有耐腐蚀性,腐蚀率为0.8mm/ 年以下
C:耐腐蚀性差,腐蚀率为1.8mm/ 年以下
D:腐蚀率较大,不可使用
E:没有耐腐蚀性,不可使用
注3.
有关耐腐蚀性,可以参考上表来选择电极棒,但是,耐腐蚀性足够或有耐
腐蚀性并不表示绝对不会被腐蚀。
每个月进行1次定期检查,如出现腐蚀情况,情尽早更换电极棒。
[参考]
对露出水槽的电极保持器的电极材料,也必须考虑其耐腐蚀性。在选择电极保持器时请考虑这一点。
故障检查
■出现故障时的基本分析方法
61F的故障大致分为三个区域。
(参见右图)
检查这三个区域的原因时,由于要模拟水位变化,因此,应将电极 端子间切断、并用电线等进行短路和打开,之后,就可与正常时的 动作进行比较了。(请注意,切勿使电源端子短路)。以61F-GN为 例,应首先确认电极没有浸泡在水中,再确认是否由于61F型主机 E1-E3间的短路而导致设备动作、或断开而导致设备复位,如果没 有问题,就在电极保持器的端子部确认相同的内容,并逐步检查原 因所在。

■故障检查
●供水运转时的事故检查
|
现象
|
检查事项
|
原因及处理
|
||||||||||||
|
1. 泵不启动 |
①接触器的接点端子、是否在61F的电源端子上施加了电源。
⑥下列电极电路的布线是否绝缘不良。
⑦61F的误动作,是否是由于电极电路的布线(电极保持器-61F 间)较长,因静电容量、电磁感应而引起的。 |
①检查熔丝、无熔丝断路器等。 |
||||||||||||
|
2.泵不停止 |
如果将下列端子短路后再停止61F,请确认①~⑥的内容。
①上表带※标记的电极棒是否脱落或松动。 |
①正确安装,并紧固。 |
||||||||||||
|
3.停止时抖动 |
①下表带※标记的电极棒是否脱落或松动
③是否弄错了下表电极棒的布线。
|
带※标记的电极不运转时,就变为一点控制,只要水位稍有变动,61F 就会反复ON、OFF。 |
注1.
如果带防空转功能,请另外进行723 页的检查。
注2.
有关满水、缺水警报的检查事项,请参见725 页。
注3.
采用61F-G1N 、带缺水警报进行供水的情况下,启动时,如果「蜂鸣器发出响声,泵不启动」,请检查水位。
如果水位没有达到电极棒E4,作为缺水警报的动作,这一现象属于正常现象。
如果要在这种状态下启动,在水位达到电极棒E4之前,应将61F 的E4和E3电极电路短路。
请再次检查应报警的水位和电极棒E4的长度。
根据机型不同的电极棒略图


●带防止电极棒空转功能的供水检查
供水源的缺水会引起空转,61F-G1N (G1)、G4N (G4)带有防止空转的功能,此时,还应进一步进行如下检查:
|
现象
|
检查事项
|
原因及处理
|
|
1. 泵不启动 |
·防空转电路是否在动作。必须注意,不能使电极棒E1、E2、E3(为61F-G1N(G1)时为E1′、E2′)过短。 |
·启动时的E2 (61F-G1N/G1 )时为E1′)、启动后的E3 (E2′),如果分别与E8(E3)间不通电,则启动时「防空转」功能就不会动作。①启动时,如果水位未达到电极棒E2(E1′),将E2-E8 间(E1′-E3间)瞬间短路,并启动。 |
|
2.防空转功能不动作 |
①是否存在电极棒E2-E8/ E3-E8(E1′-E3/E2′-E3)间的接触、或电极棒和水箱等的接触,是否有异物缠绕。② E2、E3(E1′、E2′)电极电路的布线是否绝缘不良。③61F 的误动作,是否是由于电极电路的布线过长而引起的。 |
①正确安装,如果有异物,请将其去除。②如果绝缘不良,请更换其布线。③如果必须使用较长的布线,请更换为远距离用。如果误动作是由感应引起的,请使用屏蔽线或其他布线。 |
注. ()内表示61F-G1N (G1)的情况。
各机型的电极棒略图

●排水运转时的事故检查
|
现象
|
检查事项
|
原因及处理
|
||||||||
|
1. 泵不启动 |
①接触器的接点端子、是否在61F的电源端子上施加了电源。
⑤上表带※标记的电极棒是否脱落或松动。 ⑥上表带※标记的电极电路的布线是否断线,61F中带※标记的端子螺钉是否松 动。 ⑦电极棒上是否粘了水垢或油膜等。 ⑧电极棒的间隔是否恰当。 ⑨液体(水)的固有电阻是否过高。 ⑩绝缘胶带是否缠绕到了电极棒的头部。 |
①检查熔丝、无熔丝断路器等。 |
||||||||
|
2.泵不停止 |
①是否存在下表所示的电极棒间的接触、或电极棒与容器等的接触,是否有异物 缠绕。
②下列电极电路的布线是否绝缘不良。
③61F的误动作,是否是由于电极电路的布线(电极保持器-61F间)较长,因静电容量、电磁感应而引起的。 |
①正确安装,如果有异物缠绕,请将其去除。 |
||||||||
|
3.启动时抖动 |
①上表带※标记的电极棒是否脱落或松动。 ②上表带※标记的电极电路的布线是否断线,61F中带※标记的端子螺钉是否松 动。 ③接触器、61F的电源端子螺钉是否松动。 ④是否弄错了下表电极棒的布线。 |
带※标记的电极不运转时,就变为一点控制,只要水位稍 有变动,61F就会反复ON、OFF。 |
各机型的电极棒略图
●有关满水、缺水警报的检查事项
具体检查点与故障现象及检查事项相对应,按类型分别列表如下:
|
现象 |
检查事项 |
61F-G1N(G1) |
61F-G2N(G2) |
61F-G3N(G3) |
64F-G1N(G4) |
|
1. 水未满,却发出满水 |
①是否存在电极棒间的接触、或电极棒 |
|
① E4与其他电极棒* |
① E1与其他电极棒* |
高架水箱 |
|
供水源 |
|||||
|
2. 缺水,但未发出缺水 |
① E4-E3间 |
|
① E4-E5间 |
高架水箱 |
|
|
供水源 |
|||||
|
3.水已满,但未发出满 |
·如①中所示,将端子间短路,61F正常 |
|
① E4-E3间 |
① E1-E5间 |
高架水箱 |
|
供水源 |
|||||
|
4. 未缺水,却发出缺水 |
① E1′(E4)-E3间 |
|
① E4-E5间 |
高架水箱 |
|
|
供水源 |
*「警报用」电极即使不接触公用电极,由于与其他电极棒接触,会根据液(水)位而呈导通状态。
●电极电路的检查方法
如右图所示,如果拉出电极棒后无法检查电极电路,就用测 试器检测各电极与接地间的电 阻值。通过比较各电阻值,可 以得出电极棒的长度(长、 中、短等) 、电极棒的接触状 态、装卸状况。 例如,从电阻值较低的一方开 始依次为E3(长)、E2(中)、 E1 (短)。 用这一方法进行检查时,请根据下列要点进行:
①拆卸61F端子的布线;
②在导通状态下进行检查时,液体应为满箱(E1以上);
③在绝缘状态下进行检查时,液体应为空箱(E2以下)。

●电极间端子的测量方法
即使布线正常也不动作的情况下,也可以用检测电极间电阻的方法,但此时,请使用电压表和电流表,用电压下降法进行测量,如右上图所示。 此时,电极间的电阻(E1~E3间的液体电阻)可以通过下列公式
求出:
R =V/I
R:电极间的液体电阻(kΩ)
V:电压表的指示值(V)
I:电流表的指示值(mA)
请根据R值选择61F的机型。
●61F-11N、-11继电器单元的检查方法
将继电器单元安装到本体上,在此状态下输入指定的电源电压,参见各连接图(内部布线),将本体的公用(接地)电极端子和各继电器单元的动作电极端子短路,通过测试各继电器单元的继电器输出接点的动作等进行确认。

液位设备Q&A

■电极棒、电极保持器
Q1:
可以切割电极棒吗?
有较长的电极棒吗?
A1:
电极棒是以1m为单位进行销售的。
电极棒(F03-01)

·两端拔丝,从中间截开可以作为两根使用。螺钉部为轧制成型。
不能用切割加工来切割螺钉。
·使用长度为1m以上时,将连接螺母和两个锁定螺母(弹簧垫圈
(SUS时))进行连接后使用。
·如果过长,会产生强度和使用上的问题,较宜使用软线式的水中
电极(PH型)和电极带。

必须使用锁定螺母,以防止发生松动等。
水槽中的水看上去是静止的,而实际上是流动的。由于电极要承受相当大的压力,因此,安装时请务必将其紧固,不要松动。另外,由于水的压力电极棒可能会弯曲,因此,请使用分隔器等。
Q2:
成套的电极棒是如何组合的?
A2:
成套的电极棒,就是将电极棒、连接螺母、锁定螺母(2个)和弹簧垫圈(2个)进行组合。没有HAS B、C、钛的成套形式。
成套电极棒的种类
|
型号 |
材质 |
|
F03-60 SUS304 |
F03-60 SUS304 |
|
F03-60 SUS316 |
SUS316 |
成套电极棒(F03-60)

Q3:
可以将电极棒短路吗?
A3:
无论61F 本体是用于测试还是使用,将电极棒短路都是 没有问题的。由于61F电极间的继电器本体存在内部阻抗,因此,即使短路(用标准产品),也不能流入2mA的电流。 高灵敏度、超高灵敏度型为μA等级。用开关将61F的电极端子短路后进行使用时,必须使用微小负载用开关。
Q4:
电极棒可以共用吗?
A4:
电极棒不可共用。
请勿在同一电极上连接多个61F本体。如图1,将电极电路AC8V电源的电压相位弄反,就会按箭头方向形成封闭电路(环形电路),相互通过内部电路。只要输入电源, 61F本体就会进行(误)动作,而与水位无关。此时,如图2所示,可以通过对准电源的相位来防止环形电路,但从电极的角度考虑,61F的内部阻抗约降低了1/2。使用时,应将连接在多个61F本体上的电极棒隔开,避免相互干扰。但是,共用公用电极时是没问题的。
图1 环形电路的示例

图2 对准相位

Q5:
最长的漏水检测带为多少?中途如何连接?
A5:
1. 最长的漏水检测带为100m。
用漏水检测带(F03-15、-16PE、-16PT)表示漏水检测器(61F-GPN-V50、61F-WLA)的可布线长度。由于已将漏水检测器
的复位电流值设为0.15mA以上。因此,如果漏水检测带的线间漏电流超出0.15mA,漏水检测器就会产生复位不良。如果漏水
检测带(F03-15、-16PE、-16PT)的线间漏电流在0.15mA以下,则在可布线范围内。
可布线长度(测试带+IV线的可布线距离)

注. IV线(2mm2)、检测带(F03-15、F03-16PE)

2. 如果在中途进行连接,则应进行如下操作
漏水检测带的连接方法
●F03-15的情况
(1) 将漏水检测带(F03-15 )直接连接到漏水检测器上时请将漏水检测带(F03-15)的端部包层剥开约8~10mm。
图1

(2) 如何连接漏水检测带(F03-15) 预备一个接线箱(一般电气布线工程用的塑料工具箱),使用其中带绝缘包层的套管、闭端型接线器,认真连接,保证绝缘。在无法使用工具箱的情况下,请在连接部的周围缠上足够的绝缘带等进行绝缘。如果使用闭端型接线器,将漏水检测带与其他导线进行连接时,请选用两者的粗细、硬度相同的导线。如果只能与粗细、硬度不同的导线进行连接,则将较软的线缠在较硬的线上之后,请使用闭端型接线器进行敛缝连接。另外,对于安装在接近连接部的电极,请根据需要进行拆除。
图2

用闭端型接线器连接后,拉线,确认连接度后用乙烯带缠牢。
请使用与日本AMP公司生产的35653型号类似的闭端型接线器。
●F03-16PE时
漏水检测带(F03-16PE型)的芯线是0.3×1.5的平角线。
(1)将漏水检测带(F03-16PE)直接连接到漏水检测器的情况剥去漏水检测带(F03-16PE)端部8~10mm的包层,进行连接。
图3

(2)连接漏水检测带的情况(使用P-1.25或B-1.25的压接套管)
注. P-1.25、B-1.25一般用于电气工程布线,为JIS (日本工业标准)名称。
(a)用切割器在检测带的中央部位刻上缝隙。会残留下内侧的绝缘包层。
(b)剥开绝缘包层的程度是,在一处包层可以插进三根芯线。(图7)
(折叠单侧的芯线)
(c)盖上套管,顺着芯线的方向进行压接。(图5、图8)
拉动芯线,确认芯线是否切实压接。
(d)确认后,分别缠上绝缘胶带,接着,如图6所示,将连接点向相反的分向弯折,再缠上绝缘胶带,
保护连接部。(图6)

(3)还有对接法。
如图9所示,将两个连接部对接。这种情况下使用压接套管P-1.25、B-1.25中的任何一种都可以,压接部分的大小以
能放入三根芯线为宜。
压接方向同前。
对各个芯线进行绝缘处理,并全部缠绕上胶带,保护连接部。
(4)漏水检测带和导线连接的情况
请使用压接套管B-1.25,采用前项(3)的对接法进行连接(图9)

■布线
Q6:
样本目录的连接图中,长电极(公用电极)必须接地,这是为什么?
A6:地线的目的有两个:
①防止误动作
②防止雷电冲击
61F的电极间通过微弱的电流(短路时、AC8V 2mA以下),如果接地浮动,就会容易产生感应,导致误动作。(参见Q15)
使用61F-03B、04B防止雷电冲击时,如果没有切实接地,也不会产生效果。
近年来,由于比较普及FRP制的水槽,因此,在底盘内从61F本体端子开始接地是较为常见的。
参考:
1. 如果拆除61F的布线,在底盘的地方测量电极间的电位,有时能测到数V (实际上是由于没有连接61F, 理论上为0V)。假设为3V,如果把公用电极接地, 基本上是从3V下降到0.5V,就会停止误动作。
2. 根据现场不同,偶尔也会出现这样的现象:总接地浮动,其他设备会通过接地产生感应干扰,导致误动作。在这种情况下,应重新接地,或试着使61F的接地浮动,看看有无效果。
■继电器本体、单元
Q7:
希望控制纯水。
A7:
可以根据导电率或固有电阻来选择61F 的标准。如果选择正确,就会测量电极间的电阻值。如果该值在61F本体额定/性能栏内的电极间动作电阻值的范围内,就可以使用。因为在测试器等电阻范围内,电极电压是直流的,不能正确测定电极间的电阻值,因此,必须用61F的电极间电压(交流)进行测定。
可以根据导电率来确定61F的选择标准。

注意:
1. 由于在超高灵敏度型61F-HSL的电极上会通过直流,如果经常将电极放在水中,就会产生电蚀作用,因此不能用于控制。上限警报、漏水监测等,是可以限定用途的。(检测出水槽外异常、溢出)
2. 1MΩ以上的纯水(也有18MΩ以上的)使用K7L。
Q8:
用61F控制热水时,有哪些注意点?
A8:
好比热水会产生水蒸气一样,在电极保持器和电极棒的连接部结露的环境中,可以认为结露部电极间发生短路,会造成61F复位不良,而与水位无关。
对策如下,可以使用单极用电极保持器(BF-1、BS-1),将电极间隔拉开距离,采用沿面距离,或将61F本体换成低灵敏度的型号。另外,安装时,请事先确认动作后,再固定好电极保持器。
Q9:
用于PLC的输入,使用哪个单元比较好?
可以使用单独输出的单元吗?
A9:
我们推荐您使用61F-GP-N。它通过一个输入实现2C的单独输出。输出接点的容量(最小适用负载):
DC5V1mA (参考值)
各单元的最少适用负载
基础型. . . . . . . . . . . . . . . . . . . . . . . . . . . . . . . . . . . . . . . . . DC5V 1mA
接触器型. . . . . . . . . . . . . .. . . . . . . . . DC5V1mA(1999年8月生产)
插入型. . . . . . . . . . . . . . . . . . . . . . . . . . . . . . . . . . . . . . . . . DC5V 1mA
接触器插入型. . . . . . . . . . . . . . . . . . . . . . . . . . . . . . . . . . . . DC5V1mA
超高灵敏度型61F-UHS. . . . . . . . . . . . . . . . . . . . . . . . . . . DC5V 1mA
超高灵敏度可变式61F-HSL. . . . . . . . . . . . . . . . . . . . . . . . DC5V 1mA
注:改善设计时,上述数值可能会发生变化,敬请垂询。
参考: 水道局中,也有在泵的底盘上并列了很多61F-GP-N。
说明:由于61F-GP-N的输出为2C,在无法承受时,如果并列 使用就会有效,并能提高可靠性。另外,如果不需要保 持电路,双输出可以单独使用。
Q10:
61F-□R的双线式是如何构成的?
A10:
为了在61F 与电极之间省略一根布线,减少保持电极电 路的布线。
注意:
1. 即使称作双线式,实际的布线并不局限于两根。例 如, 61F-G3N为5根, 61F-G3NR为4根。
2. 电极保持器也需要R型。
说明:
电极部6.8kΩ和61F本体内部的3.9kΩ是串连的。水位在上升的过程中,即使E2浸在水中,且有 6.8kΩ+3.9kΩ=10.7kΩ 的电阻,也不会动作。
如果水位达到E1,电阻就只剩下3.9kΩ,61F动作,且内部继电器的接点接通。这时,即使水位下降到E1以下,电流E2从6.8kΩ的电阻流入61F,因此可以保持。 这并不是省略了电极。(其中有很大的不同)
.jpg)
Q11:
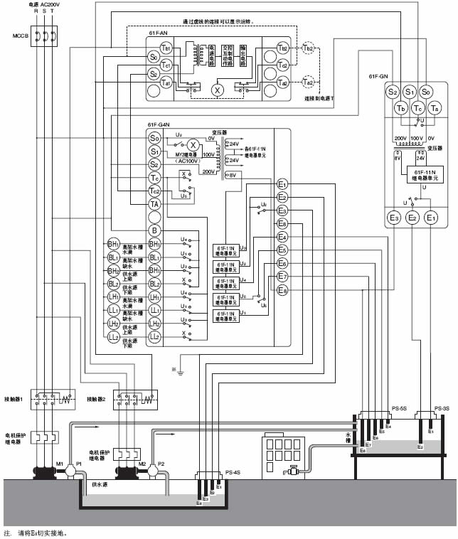
将61F-G4N和61F-AN组合起来,使两台泵交互运转, 但如果达到了电极棒E7以下的水位,希望使两台泵同时运转,并用电极棒E5将其停止。
A11:
这里介绍一个方案:添加61F-GN,用于泵的同时运转。(参见下图)
要点1)相互将61F的电源相位合起来。
要点2)仅相互接地的电极棒可以公用。
要点3)切断61F-GN的电极棒E1,与61F-G4N的E5等长。
要点4)切断61F-GN的电极棒E2,与61F-G4N的E7等长。
要点5)将61F-GN继电器的输出接点(Tc)、(Tb)分别连接在61F-GN的端子(Ta1)、(Tb1)上。
根据下图进行布线时,本公司无法保证其动作。
请客户务必事先进行动作确认。
.jpg)
Q12:
要将61F-GP-N 与浮标开关组合起来,如何布线比较好呢?
A12:
通过将浮标开关的接点连接到61F-GP-N的4~5端子间进行动作。由于61F的电极间只有AC8V、1mA大小的电流通过,因此浮标开关的接点以对应于微小负载的接点为宜。
.jpg)
Q13:
用61F-GP-N8代替停止生产的61F-GP时,有哪些注意点?
A13:
由于61F-GP-N8与61F-GP的外观尺寸不同,因此适用插座及与插座的固定方法也不同。为此,在更换插座的同时,由于端子配置上下倒置,必须更换布线。
●61F-GP
.jpg)
●61F-GP-N8
.jpg)
■故障
Q14:
水中混入了油,尽管油很少,但电机偶尔也会不能停止。 这是由于电极受到污染了吗?
A14:
可以更换为高灵敏度的型号吗? 由于油是漂浮在水面上的,有时会附着在电极表面,因此必须时常洗刷。 (维护)
1.由于油基本上不通电,如果采用导电性的61F,会导致动作不良,因此不能使用。即使一开始可以,但接下来就会在电极的表面附着上油污,不能动作。
2.运用示例
.jpg)
Q15:
61F-G使用了800m 2mm2 3芯电缆,但供水电机经常不转动。
因为在样本目录上保证动作0.75mm2 1000m,如果是2mm2,很少会导致电压下降,我认为2mm2 800m条件比较好。是不是这样呢?
确认:
是否一同安装了61F以外的线?
A15:
如果采用0.75mm2到2mm2的电线,就会增加大地间的漏电流。并非电压下降,问题是产生了感应。电机不转动,是因为复位不良。可以认为是施加了电压。请使用61F-11L 2KM的继电器单元。
说明:
虽然多数问题是由于电压下降而产生的,但由于61F是微弱的电流,因此,问题在于施加了感应电压。与电压下降不同,因为受到布线的所有电线的影响,所以即使使用了30芯、即使实际上没有使用的电线,也会产生影响。若其中有AC100V、AC200V电线,就更会有影响。
请务必另行布线。(仅把61F的电极线换成屏蔽线,也会产生效果)
如果电线直径过大,大地间的电容(浮游容量)也会增大,漏电流就会增加。尽管61F没有在电极间导通,但这种漏电流会导致动作或复位不良。
这种漏电流在很大程度上受到电线长度的影响。
.jpg)
■特殊产品
Q16:
有无『EL』这种型号?
A16:
『EL』是专为川本株式会社生产的特殊产品,安装在川本株式会社的泵盘上。川本株式会社对泵进行整体维护,若要购买或咨询EL,请至最近的川本株式会社的营业所。
说明:『EL』的铭板上载有欧姆龙和川本株式会社的标志。另外还有附有型号特殊的产品,这些全部是专为川本株式会社定做的。欧姆龙不能直接向其他客户提供。
株式会社川本制作所 对象型号
|
|
|
■配线
Q17:
我不想使用接地的电极,而希望使用铁制的水箱,可以吗?
A17:
虽然对接地电极进行布线后不连接到水箱上也没有问题,但是也有的水箱内壁有绝缘镀层,所以请您事先进行动作确认。

■维护
Q18:
好像因为电极污染导致灵敏度下降。
A18:
附着在电极棒上的铁锈会导致导通不良,请用砂纸等打磨。 水垢请用布擦拭。 如果是不锈钢等,也可以用市售的药剂,但是,请勿损 坏内部的液体。 污物特别多的情况下,请考虑更换。
关于施工

■电极保持器的布线及电极棒的安装方法
本体构成
.jpg)
1. 拆卸保护盖外壳
(1)(将一字型螺丝刀安装在保护盖左右的槽内,相互扭动,并拆卸保护盖)。
.jpg)
(2)卸下外壳的两个紧固螺钉,上提外壳进行拆卸。
.jpg)
2. 施工步骤
(1)将底座安装到预先施工的φ54耦合剂等处。
.jpg)
(2)将电极棒拧入外壳内,直至拧不动,然后用锁定螺母紧固。 然后,再紧固好M3.5电极固定螺钉。
.jpg)
(3)将容器安装到底座上。
.jpg)
(2处均需紧固外壳紧固螺钉。紧固转矩:0.7N·m)
(4)保护帽喷嘴部,应根据布线的粗细,用裁刀等切割,使其与布线直径一致。
.jpg)
(5)将电线连接到布线用端子上。
(关于盖部噪音请参照下图)
.jpg)
(6)将盖后部的卡爪放入容器后部的孔中。听到盖的前部发出“啪”的一声后,即安装成功。
.jpg)
■将电极保持器安装到水槽上的方法
〔提示〕请务必将电极保持器安装到水箱的上部。
●方法1
加工PF2管用平行螺钉,安装到水槽上。
.jpg)
●方法2
用市售的耦合器(PF2管用平行螺钉(有效直径58.135) JIS B0202)进行安装。
.jpg)
●方法3
在水箱上打φ65的孔,插入电极保持器,从下方将F03-12安装环箍 (另售品)安装到螺母中,并紧固。
.jpg)
●方法4
将F03-12安装环箍(另售品)作为法兰盘使用、并安装。
.jpg)
(1)在安装位置上打孔。
(2)在上述孔加工部安装上安装环箍。
(使用F03-12附带的螺钉紧固四处)
.jpg)
●方法5
将F03-12安装环箍(另售品)与F03-13 (另售品)组合后,埋进混凝土水槽内。
.jpg)
■保护盖型F03-11(另售品)的安装方法
仅在上述「●方法4及●方法5」的安装中,可以使用保护盖。
●PS-□S(R)系列
从下方将F03-12安装环箍安装在PS系列电极保护器上(参见下图)。
接着,从电极保护器上部将F03-11保护盖按入,听到“吱”的一声即可。
注. 这种情况下,无需保护盖附带的空心螺钉。
.jpg)
●BF系列(适用于BF-3(R)、-4(R)、-5(R))
卸下BF电极保持器的2个安装螺钉(M5×25),换为F03-11保护盖附带的2个空心螺钉(M5×25)。 接着,将保护盖覆盖在BF电极保护器的上部,紧固2个附带的螺钉 (M3×20,带垫圈)。(参见下图)
.jpg)
注. 不能在BF-1上安装保护盖。
■电极棒的连接方法
●电极保持器和电极棒的连接
(1)将锁定螺母拧入电极棒。
(2)将电极棒完全拧入,并安装在电极保持器的连接螺母上。
(3)将锁紧螺母牢牢紧固。
(4)在固定螺钉上安装电极棒。
.jpg)
●电极棒和电极棒的连接
(1)将锁定螺母拧入两根电极棒的连接侧。
(2)将两根电极棒端部靠拢,大致安装在连接螺母的中心位置。
(3)牢牢紧固锁定螺母。
(4)用2个紧固螺钉紧固电极棒。
.jpg)
■水中电极的安装方法
.jpg)
*根据水质的不同,即使在1mm以内有时也会不动作。
●安装示例
.jpg)
■电极带的安装方法
●电极保持器和电极带的连接
将电极带用连接螺母安装在电极保持器外壳内的电极螺母上后, 用电极紧固螺钉进行固定。接下来,将电极带插进电极带用连接螺母,将2个螺钉紧固,与内部的芯线导通。然后用2个螺钉将保持器的底座固定在外壳上,并盖上盖。
.jpg)
●切割器的安装
安装(1)
使用电极带用切割器,将电极带插进○,或将2个○螺钉紧固,并连接到内部的芯线上,就会成为电极。(务必使用○、○中的螺钉孔)如箭头方向所示,电极带上应有连接用螺钉的槽,以将连接切割器用的螺钉正确插到芯线的中心。
.jpg)
安装(2)
改变切割器的高度,在E1、E2、E3的位置上分别安装电线。就会成
为液体与导线的接触面,分别成为短、中、长电极。
.jpg)
●绝缘盖的安装
用绝缘盖覆盖切割器,防止因水槽和电极接触而导致事故(误动作)。请将绝缘盖压成椭圆型,并覆盖在切割器上。
.jpg)
●端盖的安装
在电极带的端部盖上端盖,用F03-10电极带用粘合剂(另售品)充分粘结牢固,防止水渗入包层和端盖间。 用1种粘合剂就可粘结5个左右端盖。
.jpg)
●安装完成图
.jpg)
如果是净水,长电极(E3)和短电极(E1)间的距离超过50cm的情况下,将电极带用切割器作为另外一个E3,以15~20cm的间隔安装在E1附近。
请参见上述「切割器的安装(2)」。无需在长电极(E3)上覆盖端盖。
■施工时所需的零件数(电极棒)
●供水及排水自动运转时
.jpg)
.jpg)
■施工时所需的零件数(电极带)
●供水及排水自动运转时
.jpg)
.jpg)
资料参考
■内部连接图所使用记号图的说明
.jpg)