■什么是继电器?
继电器, 英语写作RELAY。请您回忆一下童年时的运动会。

A虽然个头小, 但是依然紧握接力棒, 并把接力棒移交给大人B。这就是接力。
我们用稍微专业一点的方法来想一下。
例如, 我们用遥控器打开电视机。

■继电器的构造和原理
继电器是由接收信号转换成机械式动作的电磁铁和开关电气的开关构成。

[动作原理]
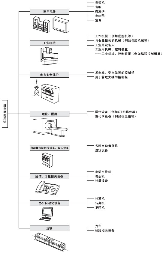
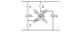
我们想象一下用开关S1和继电器来打开灯的情形吧!
1)按下S1(ON)
2)电流i流进操作线圈, 把铁芯磁化。
3)由于电磁力的作用, 铁片被铁芯吸引。
4)铁片被吸引到铁芯之后, 可动接点和固定接点接触, 灯光亮 起。
5)如果返回S1(OFF), 操作线圈的电流消失, 吸附铁片的力消 除, 由于复位弹簧的作用, 恢复到原来状态。
6)如果铁片恢复原来状态, 接点部将分离, 灯光熄灭。
■继电器的用途示例
几乎在所有使用电气的机械和装置中都使用继电器。

■继电器的分类
继电器的分类方法很多, 本技术指南按照下列方法分类:
■电磁铁的分类
根据电磁铁是否使用了永久磁铁, 分类如下:
无极继电器
电磁铁部没有使用永久磁铁的继电器。
一般情况下线圈没有极性, 但是, 有的操作线圈有极性,
例如动作指示灯内置型、浪涌吸收二极管内置型等。

有极继电器
在电磁铁部使用了永久磁铁磁束的继电器。
因此可使操作线圈保持极性。

■继电器的动作说明
●单稳继电器的情况下
复位状态
· 线圈上不连接电池的状态

由于操作线圈上面没有电流通过, 因此电磁铁不动作, 铁片借助于复位弹簧的力向逆时针方向靠拢,
可动接点接触常闭接点(ON), 常开接点处于离开(OFF) 状态。
动作状态
· 线圈接通电池之后的状态

电流如果通过操作线圈, 电磁铁被磁化, 铁片被铁芯吸引。
这样, 可动接点从常闭(b) 接点离开(OFF) , 接触到常开(a) 接点(ON)。
●双稳继电器(也称为作闭锁继电器或保持继电器)的情况下
磁保持型线卷闭锁继电器的情况下
休止状态(复位后的状态)
· 线圈上不连接电池的状态

铁芯、磁轭、铁片的材料为半硬质磁性材料, 有两个以上操作线圈。
除这两点不同外, 其余事项与前页的单稳继电器相同。
动作状态(设置)

如果电流从线圈A流过, 电磁铁(半硬质材料) 被磁化, 铁片被铁芯吸引。
这样, 可动接点从常闭(b) 接点离开(OFF) , 接触到常开(a) 接点(ON)。

在这种状态下, 即使断开线圈A的电流, 由于半硬质磁性材料
(该材料的特性与永久磁铁相似) 上残留磁束的作用, 铁片继续维持被吸附到铁芯的状态。
复位状态(复位)→休止状态

如果电流通过线圈B (与线圈A的缠绕方向相反), 半硬质磁性材料的残留磁束将减少,
吸引力将减弱, 复位弹簧的力量占据上风, 铁片复位, 进入休止状态。
铁芯一旦复位, 半硬质磁性材料的残留磁束几乎变为0。
注. 半硬质磁性材料是指:相对于永久磁铁上使用的硬质磁性材料,
半硬质磁性材料可以用较少的能量进行着磁、减磁。
一般继电器的使用方法

■继电器的工作和原理
无极继电器
无极继电器的磁路多种多样, 这里仅介绍一般的铰链式继电器。
切换开关的力量虽然可以从电磁铁获得, 但是电磁铁中还会产生以下力量:

无极继电器的电磁铁构造也有很多, 下图显示其中具有代表性的示例。

有极继电器
有极继电器由于使用永久磁铁, 通过永久磁铁和线圈的相互作用, 提高吸引力。

包含永久磁铁的磁路通过线圈中的磁铁和永久磁铁中的磁束的相互作用获得吸引力。

各个符号的含义:
Pc : 线圈的磁导率
Pcm : 线圈和永久磁铁的相互磁导率
Pm : 永久磁铁内部的磁导率
φ0 : 永久磁铁产生的磁束
P0 : 总磁导率
有极继电器的吸引力的形状如下图所示:

由于有极继电器基本上转化为适用于双稳继电器的吸引力曲线,
如果要采用单稳继电器, 可以改变吸引力曲线的形状, 或者在负载曲线上增加偏磁。

有极继电器中带有下图所示的构造。

■关于品质和可靠性
●品质和可靠性的基础知识
(1)关于品质和可靠性
· 品质和可靠性为您带来满足感
我们在日常生活中要使用各种各样的产品(包括服务和信息等无形产品以及像继电器、电气产品这样的有形产品),
使我们的生活更加丰富多彩。
如果发生以下情况,

这时, 我们一定会很生气。

这时, 我们一定会感到很满足。
品质和可靠性如果拿满足感这个尺度来考虑, 就很容易理解了。
那么, 我们按照以下方法来考虑品质和可靠性:
品质....购买时的满足感 |
|
|
可靠性....使用时的满足感 |
|
|
还想再次使用时 |
|
|
|
|
|
如果这样考虑, 上述示例中 |
|
|
合适的价格.........品质 |
|
价格总是合适.........可靠性 |
需要时能够买到.........品质 |
|
需要时总能买到.........可靠性 |
颜色、外观、功能及其能力...品质 |
|
颜色、外观、功能及其能力持续固定可靠性 |
可以放心使用.........品质 |
|
在使用期内能够放心使用可靠性 |
如果这样分类, 品质和可靠性就非常相似, 但是我们想让您了解,
在可靠性里面包括时间性要素(总是、持续、使用期内)。
· 品质和可靠性的范围
请再来看一下前面所讲的示例。
例如, 您能够理解品质中包括继电器的颜色、形状、作用及其特性,
却难以理解价格、购买性被排除在品质之外。
那么, 我们还是再次回到开头。
人类在反复思考中生活。在此过程中产生了各种各样的欲望, 并以要求的形式表现出来。
企业负责把这些要求加以收集整理, 并还原为产品。
但是, 只有能够满足各种性质要求的产品才能称得上是高品质产品。
广而言之, 品质包括产品及与之相关的所有要求。
可靠性也同样。
如果这样考虑, 品质、可靠性包括下列全部内容。
·产品(包括有形产品和无形产品)品质、可靠性 |
·服务品质、可靠性 |
·企业品质、可靠性 |
颜色、形状 |
样本目录 |
企业理念 |
作用(功能)、能力(特性) |
使用说明书 |
方针 |
安全性 |
规格书 |
组织、体制 |
价格 |
说明会 |
各种系统 |
交货期 |
技术服务 |
人 |
|
(2)品质和可靠性的概念
· 品质
在此, 我们进入稍为专业的部分吧!
品质是指:
「产品或服务为满足明确或者暗含要求而拥有的特征及特性的整体。
这些要求包括使用的便利性、安全性、可用性、可靠性、维护性、经济性及环境性层面」。
〈引用〉
被定义为。
品质保证的国际标准-ISO标准的翻译和解说
我们常说「〇〇公司的□□比△△公司的◇◇品质好」, 来进行相对排序,
采用「相对品质」这个词, 来区别于「品质」。
定量进行详细的技术性评价时, 称为「品质水平」及「品质尺度」。
这样, 就扩大了「品质」概念的范围, 在ISO标准中可靠性也包含在品质中。
· 可靠性
可靠性是指:
「在条款规定的条件下, 在规定时间内交货、实现要求功能的能力即为可靠性」
〈引用〉
被定义为。
品质保证的国际标准-ISO标准的翻译和解说
人或动植物的一生, 生活在各种各样的环境中, 我们有时会患病, 接受治疗,
通过健康检查、各种精密检查发现早期疾病, 通过预防接种来防止、减少疾病,
为维持健康进行体育锻炼、参加健身俱乐部等, 我们想方设法使生活变得更加健康舒适。
这些办法可以分为两类:
(1) 想办法不易患病。
(2) 患病之后尽快治愈。
如果把这个分类用于可靠性, 可以这样表述:
(1) 是否容易患病(发生故障).......可靠性。
(2) 患病(发生故障) 之后能否尽快治愈(修复)。
发生疾病(故障) 之前能否进行预防...维护性
如果对这些内容进行定义, 可以如下表述:
1) 可靠度(Reliability)
在规定条件下, 系统、产品在预计期间内无故障完成规定功能的概率。
2) 维护度(Maintainability)
在规定条件下, 对可修理的系统、产品进行维护时, 在规定时间内完成维护的概率。
3) 可用性(Availability)
可修理的系统、产品在某个特定瞬间维持功能的概率。
可靠性虽然可以包括在可靠度、维护度、可用性中, 但是, 不能修理的产品以可靠度为前提,
可修理的产品则重视可靠度、维护度和可用性。由于继电器不能进行修理和再次使用,
因此可靠度十分重要。
· 动作可靠度
装置实际使用时的可靠度称作动作可靠度Ro(Operational Reliability)。
按照下述方法考虑时, 将更加通俗易懂:
RO≒RI · RU
在此, RI称为固有可靠度(Inherent Reliability) ,是生产厂家在标准环境下测定、保证的值;
RU称为使用可靠度(Use Reliability) ,是在移交给最终用户的过程中及使用过程中, 由各种环境决定的值。
由于动作可靠度Ro近似于固有可靠度RI和使用可靠度RU的积, 因此需要提高各个可靠度。
为提高固有可靠度RI, 厂家应在设计中反映使用状态, 努力改善生产系统, 以进行合理设计, 并维持设计的可靠性。
另外一方面, 使用者为提高使用可靠度, 必须注意使用方法, 考虑负载的种类和环境等。

样本目录等中记载的最小适用负载(参考值) 用故障率公式λ60=0.1×10-6 (P水平) 来表示标准状态下的固有可靠性。
在此λ60表示故障率(λ)为可靠水平60%。
(3)品质和可靠性术语
· 可靠性尺度
可靠性中经常使用以下尺度。
|
可靠性尺度
|
JIS(Z8115)中的定义
|
使用产品示例
|
可靠度(R) |
系统、设备、零件等在规定的条件下、在预计期间内完成规定功能的概率 |
航空、航天系统 |
故障率(λ) |
运行到某个时间后的系统、设备或零件等,在连续的单位时间内发生故障的比例 |
电子零件机械零件 |
平均故障时间(MTBF) |
边修理边使用的系统、设备、零件等,相邻故障间的动作时间的平均值 |
电子计算机 车辆 |
发生故障前的平均时间(MTTF) |
不进行修理的系统、设备、零件等,在发生故障前的动作时间的平均值 |
电子零件 |
耐用寿命 有用寿命 |
故障率低于规定值的期间长短 |
家用电器 机械器具 |
维护度 |
可以修理的系统、设备、零件等在规定的条件下实施维护时,在规定的时间内完成维护的概率 |
车辆 生产设备 |
不可动作的平均时间(MTTR)
或平均停机时间(MDT) |
不能运行的平均时间(MTTR与MD虽然意思相同,但有时事后维护的情况叫做MTTR,以示区别。) |
电子交换器 |
工作率(可用性) |
可修理的系统、设备、零件等在某个特定瞬间下维持功能的概率,计算时多用以下公式 :
可用率=(可以运用的时间)/((可以运用的时间)+(不能运行的时间)) |
生产设备 电子计算机 |
· 基本术语
可靠性中使用以下基本术语:
(1) 故障概率密度函数.........f(t)

(2) 累积故障分布函数.........F(t)

(3) 可靠度函数.........R(t)

(4) 瞬间故障率.........λ(t)

· 检查特性曲线
(OC曲线: Operating Characteristic Curve)
判定每批继电器的可靠度时, 必须理解以下内容。
进行全数检查时, 由于无需考虑故障率λ的大概范围, 因此在下图中成为折线ABCDE。
但是为观察可靠度, 如果进行全数试验, 那么在重要的实际装置上使用的继电器将全部消失。
因此, 实际上必须抽取几个来推测全体的可靠度。ACE曲线表示在这种情况下是否合格。
作为判定标准, 在消费者看来, 当故障率λ1的位置(C点) 为60%时即表示可靠水平为60%。
领域ABC的纵轴表示即使故障率小于λ1, 也可能出现不合格的情况, 称为「生产者危险」。
另外,领域CDE的纵轴表示即使故障率大于λ1,也可能出现合格的情况, 称为「消费者危险」。
由于无法进行全数检查, 因此可靠性评价中会出现上述情况,
因此必须在充分理解λ60的基础上把握可靠性。
很多可靠性试验的故障率非常低, 很多情况下会演变成为破坏性试验,
这是因为一方面由于试验需要较长的时间, 考虑到危险率α、β及成本的平衡,可靠水平多取60%。另外, 在继电器的样本目录中, 记载有参考值。
在重要系统中, 为保障使用零件的故障率, 我们必须改变抽取条件,
合格判定条件, 提高可靠水平。在继电器的出货方面, 初期可以进行检查,并且可进行试验(不会带来破坏或老化), 例如对动作电压、复位电压、
接触电阻、耐电压等试验项目进行全数检查后出厂。 这种情况下, 无论是否合格, α、β都接近于零。
关于抽样检查请参考JIS Z9001 「抽样检查通则」等资料。关于
继电器的故障率试验请参考JIS C5003。

· Bath-tub曲线
众所周知, 人的死亡率呈下图所示的形状。以鱼为代表, 其他动物也都呈现出这样的倾向。
在装置中, 就不能说死亡率了, 而是故障率, 即Bath-tub曲线所表示的形状。
如下图所示, 所有继电器的一生几乎都相同。将继电器的一生划分为三个期间来考虑,其意义就更加容易理解了。

上图中的①期间称为初期故障期间。
这个期间意味着, 随着动作次数的增加, 故障率变小, 让人感觉到好转。
但是, 原本会引发故障的产品在早期即被淘汰, 仅留下健全的产品。
产品在移交给用户前, 必须经历这样一个阶段。这个阶段也叫做「调试(debug)」。
厂家出厂时, 对动作、复位电压、接触电阻、耐电压、时间特性、线圈脉冲检查等基本特性进行全数检查,
使继电器的初期故障率接近为0。
上图中的②期间称为偶发故障期间。
这个阶段的特征是, 与动作次数无关, 故障率几乎没有任何变化。在这个期间内, 产品能有效地发挥功能。
虽然厂家和用户都希望把这个期间内的故障率降低为零, 但是在现实是不可能做到的,
只能努力使其「尽量接近零」。由于根据各种条件的不同,各个具体机型的故障率水平有所差异,
因此我们可以看到: 机型和使用条件的选择大大影响着实际装置的故障率。
上图中的③期间称为磨损故障期间。
这个期间的特征是, 故障率随着动作次数的增加而增大, 紧接着全部发生消耗和破坏。
对继电器这样带有机械性运动的部分的机构零件来说, 必然会有消耗、变形、疲劳等,
因此我们必须考虑继电器的「寿命」。
对于继电器来讲, 一般可以把故障和寿命分开考虑:
(1) 故障
通过监视器能够发现的功能变化的状态、偶发的误动作、间歇性的特性老化。
(2) 寿命
由于消耗、变形、疲劳等的累积, 而不能发挥功能的状态。
由于可确认实际运转、性能, 并进行预测, 因此可事先进行维护。
· 威布尔分布
上一页中的Bath-tub曲线可以用威布尔分布函数来表示。
威布尔分布, 由于瑞典的W.Weibull 是首次适用于钢球寿命的分布, 因此而得名。
这个分布能够很好地说明: 破坏一个局部最薄弱的地方, 将会破坏整体功能。
从概念上可以看作是指数分布的扩张。即使从实用方面来看, 使用「威布尔概率坐标纸」可以简便地进行数据分析, 这一点可以说是一个较大的优点。在此,m<1的情况下,即为初期故障期间;m=1的情况下, 即为偶发故障期间;m>1的情况下,与磨损故障期间的分布相似。在此, 可以用以下的函数和图来表示威布尔分布。


如果把上图与Bath-tub曲线比较,可发现m <1相当于①, m=1相当于②, m>1相当于③。
威布尔概率坐标纸是根据这个威布尔分布函数制作而成的。使用威布尔概率坐标纸可以解析故障。
威布尔概率坐标纸在纵轴上取F(t),在横轴上取t。用此绘出试验结果, 进行解析。其中, 拿继电器来说,
从图中导出的直线斜率越大, 并且越靠近右边, 其特性越好。
这意味着两层含义: 一,继电器集中达到使用寿命;二, 继电器的使用寿命长。
这种特性是设计、生产继电器过程中所不断追求的。现实中, 故障相关要素较大,人们不断努力使继电器集中达到使用寿命。一方面, 从继电器的使用者的角度来说, 如果使用寿命明确, 就容易预测装置的维护时间和耐用寿命。
· 指数分布
偶发故障期间内的无故障动作次数按照指数进行分布。这种分布是伽马分布和威布尔分布的特例,是伽马分布和威布尔分布的特例, 是可靠性寿命分布的基础分布。伽马分布是发生数次(k次)随机振动后才发生故障时的模型, 因此, k=1即一次振动与故障直接联系时的伽马分布即等于指数分布。
另外,在威布尔分布中形状参数m等于1时即为指数分布,这点可从上一幅图中看出。
指数分布的各种函数如下:

· 正规分布
在磨损故障期间内, 故障在某个时期不是仅发生一次。因此可以 认为故障按照926页的分布发生。
正规分布的各种函数如下:

必须理解寿命取残存个数的百分之多少还是采用平均寿命取值。 必须注意的是, 继电器中一般考虑95%的残存个数, 但是根据生 产厂家和机型的不同, 有时也用平均寿命来表示。
●欧姆龙追求品质和可靠性
品质即满足要求的程度。
如果从这个理念考虑, 怎样生产产品和服务, 生产产品和服务的系统和管理方法等就显得尤为重要了。
在此介绍欧姆龙生产继电器时的一部分流程。
(1)开发步骤
开发继电器的步骤概要如下:

(2)欧姆龙品质和可靠性的相关介绍
过去, 多数日本企业宣传品质的重要性, 主要以生产现场为中心 贯彻管理、强化管理标准, 通过改善现场作业改善等来推进产品 生产。 这主要是以物质(产品) 为中心的思想, 但是近年来, 开始宣 传产品相关服务、企业理念和将其付诸实施的系统的重要性。通 过实施, 不仅能够得到理想的产品品质, 广义的概念也使人们的 思维产生了变化。 在欧姆龙的继电器生产方面, 重新构建了产品服务及其外围的全 部系统, 完成了ISO9001、ISO9002的认定注册(JQA、BSI)。
●继电器故障
(1)继电器故障
继电器的主要功能为: 「根据规定的输入条件开关或切换输出(接点)」。脱离该功能的状态即为故障。
根据继电器的构成要素大致可以把继电器的故障分为以下几类:

在这些故障中以下故障的发生比率较高:
(1) 接触不良
(2) 线圈断线
(3) 交流操作继电器的差拍 |
但是从继电器的各个种类来看, 易发生以下故障:
· 信号用继电器
(1) 接触不良
在小功率电路上, 有时会发生接触电阻增加(数百毫欧) 的问 题。
由于附着在接点表面的有机物产生影响, 为事先去除构成继电器 的成型品中排出的燃气, 实施烤焙(在高真空条件下加热)。 还开发了大幅度降低燃气的成型品, 正逐渐应用到各产品中。
(2) 线圈断线
信号用继电器对小型、高灵敏度的要求较高, 为此线圈的芯线越 来越细。
一方面, 信号用继电器安装在印刷基板上, 虽然进行过清洗, 但 是有时超声波能量集中到线圈芯线, 会造成断线。
特别是使用清洗器(采用单一的数万Hz频率的信号发射器)或在 溶剂中使用水的情况下, 会产生强力驻波, 可能导致线圈芯线断 线, 因此必须事先进行确认。
·一般继电器、功率继电器
(1) 接触不良
主要用途为: 在发生电弧放电领域中开关负载。但是在这种条件 下存在硝酸反应造成的腐蚀问题, 因此多使用带机壳型或裸露 型。
这种继电器易受尘埃或燃气等环境的影响。
在控制盘上必须注意不要使线屑、再加工时的切割粉末、涂料等 侵入继电器内部。
(2) 差拍
交流操作继电器的电磁铁一般采用屏蔽线圈方式。这种方式的原 理是, 通过屏蔽部和非屏蔽部各磁极的磁束产生吸引力, 并交互 运行, 外观上形成平坦的吸引力。
形成外观上平坦的吸引力的范围比较狭窄, 如果磁极面上有异物 侵入, 或者反复动作引起磁极面消耗, 就容易受到影响。
在这种方式下, 不可能从技术上100%地解决这些问题。 设置在家庭、住宅街区等地方的设备、设备中内置的继电器, 可 能会发生差拍问题。在这种情况下, 必须采取措施, 例如更换成 直流操作, 或者组合全波整流二极管与直流操作继电器等。
(3) 熔敷
在交流操作继电器上, 一般操作电源和负载电源为同一个, 为此 而会引发故障。
大型灯光、各种设备的电源变压器、电机等接通电流时, 会流通 冲击电流, 该电流为额定电流的数倍甚至数十倍。为此, 施加到 继电器线圈的操作电压急剧下降, 发生偏离。由于偏离, 会造成 短时间内反复开关, 有时会造成熔敷。
列举完上述故障, 人们会犹豫是否要使用继电器, 但是, 在零 件、设备、装置方面, 没有不会发生故障的产品。
由于故障是相对于要求功能的脱离现象, 理解继电器的故障模 式, 对设备装置采用安全设计, 这样才能满足最终使用者的要 求。
· 没有流通规定的电流
尽管已施加额定电压, 但线圈电流却没有达到规定值, 这种情况 下的故障主要是线圈断线(电流完全不流通, 或时断时续), 除 此之外, 可能是交流操作全波整流二极管内置继电器的一部分二 极管发生了打开故障。
线圈断线原因常见的有以下几种:
(1) 可能是超声波清洗印刷基板时的共振引起断线;
(2) 可能是盘的共振引起断线;
(3) 硝酸反应造成的线圈芯线的腐蚀断线;
(4) 电腐蚀引起的断线。
容易与故障混淆的是, 随着直流操作继电器的线圈温度升高而产 生的电流减少(以23℃为基准, 每上升1℃减少约0.4%)、将防 止反向连接的二极管内置继电器的极性弄错。
· 过负载电流流通
施加额定电压时, 造成过负载电流流通的原因可能有以下几个:
(1) 线圈芯线间的局部短路(层间短路) ;
(2) 浪涌吸收二极管等内置元件的短路;
(3) 交流操作继电器的动作不良。
下列现象容易与故障混淆:
· 有极性的继电器(内置浪涌吸收二极管等) 的极性错误。

· 不进行规定的动作
规定动作根据机型不同而稍有差异, 不能一概而论, 因此仅介绍 一些明显事例。
· 昆虫类(蚂蚁、蟑螂等) 侵入继电器内部, 造成不动作。
· 得不到规定的导通
一般统称为接触不良, 可分为以下几类:
(1) 由接点消耗等引起的接点追随(接点随动) 及接点压力消 失造成的接触不良(使用寿命)。
(2) 接点间夹杂异物(尘埃、成型粉、涂料类、线屑、绝缘 护套、碳等)
(3) 输入侧的故障、输入输出之间的故障、输出侧切换接点的 熔敷对其他极产生影响, 从而导致二次性接触不良。
接触不良分为两种情况: 一, 完全不导通的情况;二, 由于碳等 在接点表面堆积, 虽然导通, 但可能会超过使用电路中规定的上 限值。
· 绝缘不良
输入输出间的绝缘不良有下列情况:
(1)开关负载时,接点间发生的电弧放电被外部磁场或操作线圈 产生的磁场扭曲, 到达线圈端子, 产生闪络。
(2)开关负载时接点间发生的电弧放电生成的碳或接点飞散粉末 堆积, 造成绝缘动作或者耐受电压值下降。
(3) 由于施加直接雷电或感应雷电等浪涌电压, 造成闪络。
· 得不到规定的绝缘
一般可分为以下几类:
(1)开关负载时接点间发生的电弧放电生成的碳或接点消耗粉末 堆积, 造成绝缘老化;
(2) 线屑等的侵入造成绝缘不良;
(3) 熔敷、粘着、摇摆等造成接点电路不打开;
(4) 输入侧的故障、输入输出间的故障等造成的二次性开路不 良;
(5)移动、触须、支柱等化学性、物理性现象造成的绝缘老化。
●使用继电器时发生的现象
继电器在使用(或保管) 过程中会发生变化。这些都与故障不同, 可以认为是老化。这里介绍老化现象。使用过程中要预防故障或预 测维护时间时, 可参考以下内容。另外, 继电器不是单独的, 在使用上具有特殊性, 在过于恶劣的环境中会发生异常。我们将对这一点 进行介绍, 使用时请注意。
(1)使用或者保管过程中的老化现象
· 透明外壳颜色变黄
这是由于开关负载时发生电弧放电,产生臭氧(三个氧原子结合后 的产物,用于除臭、杀菌等),与氮元素和水发生反应,生成硝酸。 一般称作硝酸反应。
特别是对电弧连接时间较长的直流离合器、断路器进行开关时,不 仅外壳变为黄色,还会腐蚀金属零件(铜生成颜色鲜艳的绿色硝酸 铜、镀镍生成水色的硝酸镍)。对这些负载进行开关时,请在负载 上连接浪涌吸收装置。
在这些负载的浪涌吸收装置中,电阻器较为有效。MMX型或G7X型 在接点附近设置贯通孔,可降低臭氧浓度。

· 外壳内部变为茶色
由于开关负载时发生电弧放电, 有机燃气(继电器的构成材料等 产生的) 生成的碳、接点粉末在外壳内表飞散堆积, 发生变色。 根据保护外壳内部发生的变色来判断维护时间的情况下, 因继电 器的使用条件不同, 应根据使用者的经验进行判断。
· 外壳内部有水滴附着
在梅雨季节或台风季节会发生这种现象。
继电器用金属、塑料制作而成, 塑料含有一定程度的水分。线圈 线的间隙等内也含有毛细管现象形成的水分。在继电器冷却时如 果给线圈通电, 线圈的温度就会升高, 释放出这些水分。
但是, 在外壳温度上升之前, 释放出的水分在外壳的表面凝结为 露水, 以水滴的形式附着。冬季开暖风空调时, 房间的窗玻璃上 会附着水滴, 这两个现象的原理相同。
· 透明外壳的表面出现无数伤痕(颜色发白)
在透明外壳上会发生无数白色头发丝状的伤痕。透明外壳常用抗 冲击力高的聚碳酸酯树脂制成, 但是这种树脂在汽油、氯酸等溶 剂的蒸气中时, 会产生细小的裂纹, 看起来是白色的。
· 镀锌的颜色
有些继电器(MM、MK等) 的铁芯、磁轭、端子螺钉的表面交 叉电镀了黄、绿、紫等各种颜色。这是锌铬酸防蚀铝电镀层。 因此呈现出各种颜色, 是由于铬酸防蚀铝处理的厚度导致折射和 反射。
· 镀锌的变色
镀锌的表面有时看起来像喷了一层白色的粉末。这种现象在海边 更为常见, 这层白色粉末是由盐分和锌化合生成的氯化锌。
氯化锌易吸水, 如果揉搓就会变为糊状。
特别是在铁芯、铁片上进行镀锌的机型, 使用时由于产生的氯化 锌会造成复位时间的延长和复位不良, 因此维护时请注意。
· 镀镍的变色
继电器中有的机型在铁芯、铁片、磁轭上进行了银色电镀。这是 镀镍。
镀镍由于抗腐蚀性较好, 广泛应用于各个领域, 但是如果和硝酸 发生反应, 就会生成鲜艳的水色硝酸镍。
这种现象特别是在开关直流负载的继电器内部可以见到, 这是上 述硝酸反应的产物。
· 焊锡变为黑色 焊锡与铅一样, 有银色的光泽, 但是有时可以发现它变成了黑 色。
这是因为焊锡(锡和铅的合金) 中铅发生氧化, 生成了氧化铅。
· 银变为黑色
如果长时间放置继电器, 银接点可能会变成黑色。
这是由于大气中的硫化燃气和银发生反应, 生成硫化银。硫化银 根据其厚度不同, 其颜色会发生以下变化:

硫化银虽然绝缘, 但是会被较低的电压破坏, 虽然开关继电器、 阀门等负载时好像没有什么问题, 但如果是放大器输入信号等的 电压, 由于不能遭受电压破坏, 因此选择机型时必须注意。
开关这样的负载时, 接点材质宜为包金、AgPd、PGS合金。
包金: 通常是在银或银合金的上面包上数微米到数十微米的金合 金。
· 开关负载接点变黑
由于开关负载时电弧放电, 从有机燃气生成了碳(碳素)、炭化 银及接点的飞散粉末。这种黑色主要由这些物质构成。
· 褐色生成物堆积在接点表面
如果接点的材质是AgPd、Pt等, 用继电器对不会发生电弧的负载 进行开关时, 在接点的接触部位会附着褐色的粉末。这种现象称 为“褐粉”, 是由于接点材质的触媒作用, 有机燃气被还原而生 成的物质。
作为对策, 可动接点和固定接点可使用不同的材质。
(2)特殊使用或在恶劣条件下使用时出现的现象
· 由于操作电源的瞬间中断造成继电器复位
电源瞬间断电超过继电器复位时间时, 继电器将复位。我们很容 易理解这种情况。但是, 在AC操作(准确来说应为屏蔽线圈方 式的电磁铁) 下的继电器中, 即使操作电源的切断时间小于复位 时间, 也可能进行复位。
另外, 操作电源中, 开关浪涌等浪涌逆相位重叠的情况下, 也会 发生同样的情况。
这都是由于电源电压急剧变化而产生的过渡现象。
这种现象虽然难以完全消除, 但是通过并联连接操作线圈和CR (电容器和电阻串联连接的部件) 可以得到改善。
连接到时序控制自我保持电路的继电器中, 通过瞬间中断来解除 自我保持, 因此要插入CR。

· 变频电源
如果在AC变频电源的输出连接继电器线圈, 可能会产生下列问 题:
(1) 线圈的温度异常升高。
(2) 产生差拍。
转换开关的输出中包含很多高频成分。如果用高频驱动继电器, 铁芯、铁片、磁轭等磁路的铁损(涡电流损和磁滞损) 增加, 温度异常升高。
另外, 屏蔽线圈虽然在50~60Hz范围时特性最佳, 但是由于高频 成分的影响, 其特性有时会产生变化, 发生差拍。
变频中有多种方式, 并不是所有方式中都会产生问题, 作为共通 的有效对策, 可使用二极管构成的全波整流电路和直流操作继电 器。
· 由于进行了超声波清洗, 继电器不工作了
特别是在信号用继电器上, 如果用超声波清洗Au金属包层接点的 继电器, 接点将会因超声波能量而熔合(称作粘结) 在一起, 从而无法动作。如果使用过电压等动作一次, 就能恢复正常。由 于清洗水箱内的驻波和继电器的位置不同, 影响程度也不同, 因 此建议您事先进行确认。
· 复位时间比较长
继电器的复位时间根据继电器的构造、浪涌吸收器的有无而发生 变化, 但是在以下情况下, 复位时间更长: 如果与电机、螺线 管、变压器、电容器等能量蓄积型的负载并联连接, 释放蓄积能 量时, 电流通过继电器的线圈, 复位延迟。

· 继电器发光
继电器的接点开关负载时(主要是开路时), 接点间将会短时间 放电。此时会看到发光现象。
继电器中产生的放电主要为电流较多、电压较低的电弧放电, 该 放电开始电压及电流根据接点材质而定, 在Ag接点中约为12V、 0.4A。对缺乏电气知识的用户来说, 看到发光这一现象会感到不 安。因此内置于这种设备中时, 请进行遮光, 或使用黑色机壳。
· 继电器发出声音
继电器中包括使用电磁铁的继电器和使用半导体的继电器 (SSR : 固态继电器), 但是使用电磁铁的继电器在动作和复位 时由于零件(铁片、可动接点和固定接点等)碰撞,发出声音。 发出声音便于确认动作, 但是在空调等自动运行的机械中却不受 欢迎。这种情况下, 选择声音较小、较低的继电器虽然很重要, 但是降低与安装部位的共振也很重要。
· 开关继电器时, 收音机有杂音
电波是通过电流的急变而发生的。接通、断开继电器的线圈、或 接点开关负载, 电流会产生急变。因此会释放出电波, 使收音 机、电视机中混入杂音(干扰)。只要控制电流的急变即可减少 干扰, 因此建议在继电器线圈、负载上安装浪涌吸收器。
· 继电器不运行
继电器的线圈有极性, 多数是因为弄错了极性。下面的继电器有 正负极, 请不要弄错:
(1)有极继电器(使用永久磁铁,又称为移动小组、超移动小组 的继电器)
(2) 内置二极管或者电路的继电器及SSR
· 继电器发热
继电器的线圈、接点通电后, 由于焦耳损耗(电路电阻和电流平 方的积) 而发热。
一般的继电器线圈温度不会上升到120℃以上,但是如果发生异常 高温、发出味道或者冒烟, 则可能是因为施加了过电压, 请确认 输入电压和线圈规格有无错误。
另外, 如果频繁开关会发生电弧放电的负载, 由于电弧的热量, 短时间内会产生异常高温。
· 接点产生了电压
如果在接点端子的两端连接电压表, 在线圈中施加额定电压后, 会产生数微伏到数毫伏的直流电压。
这是热电动势产生的电压。
热电动势连接各种金属的两端, 产生与其连接端温差相应的电 压, 称为塞贝克效应。热电动势可应用到各种产品中, 例如用于 测温等的热电偶、燃气炉的火熄灭之后关闭燃气的机械(用热电 动势保持阀门) 等。用继电器的接点切换微量信号的情况下, 有 时不能无视这种热电动势的影响。这种情况下, 选择热电动势较 低的继电器固然重要, 但是使用以抑制温度上升为目的的闭锁 (保持) 继电器, 或在印刷基板的模式设计上, 努力降低继电器 接点端子间的温度斜率, 也可大幅降低热电动势。
· 接触电阻产生变化
接点接触电阻的构成要素如下:
(1)导体电阻: 可根据接点端子、接点等导体的导电率、长度 及截面面积求得的电阻。
(2)集中电阻: 用接点材质、曲率半径及接触力求得接点接触 部的接触面积,以非常微小的面积进行接触。
由于电流集中在这个微小面积上, 电流束被扭 曲而产生的电阻即为集中电阻。
(3)边界电阻: 在接点的表面产生硫化银等薄膜, 产生电阻。 也称作皮膜电阻。

其中的(1) (2) 基本上在继电器的设计阶段就可以决定, 但 是(3) 的边界电阻则由使用环境和接点材质决定。如果接点材 质为银、银合金, 则容易生成硫化皮膜, 造成电阻增大, 但是如 果增加电流, 就会出现电阻值下降的现象, 接点两端的电压在接 近导体电阻和集中电阻的合成电阻之前几乎为恒定值。这种现象 叫做粉末检波效应, 这种电压叫做粉末检波电压, 在硫化银的情 况下约为0.04~0.1伏。
如果把银及银合金接点用于微小负载的开关, 由于上述原因, 容 易发生接触不良。由于生成绝缘性皮膜的情况较少, 因此微小 (信号) 负载的开关中多使用Au、AgPd、PGS等接点。
· 直流负载的关闭能力比交流负载低
用MY4型举例说明。
(例) 如果不考虑使用寿命
AC100V的断流极限电流: 30A以上
DC100V的断流极限电流: 约1.8V
交流电压即使长, 在半周期(50Hz的情况下为10ms) 后电压也 变为零, 直流情况下电压维持恒定值。
直流负载的断流极限如图所示, 从下图可以看出, 低电压下的断 流极限电流为较大值。
这种情况也适用于交流, 在负载电压和电流零相位附近, 如果达 到这个值以下, 就会遮断。

螺线管、阀门等感应负载的断流极限虽然比电阻负载低, 这是由 于遮断时在负载两端产生的逆起电压和电源电压相加, 施加到接 点两端。
直流负载开关专用继电器(MMX : G7X) 为了提高断流极限而 利用永久磁铁产生的磁束。
· 电弧放电
以荧光灯的启动器为代表的辉光放电为高电压、低电流, 而电弧 放电是低电压、高电流的放电, 把开始放电的的最小值叫做最小 电弧电压、最小电弧电流。银接点约为12V、0.4A。
断开超过这个电压、电流的负载时即产生电弧放电。
· 接点中出现了富士山一样的形状
如果开关负载, 可动接点或者固定接点的其中之一就会突起。 这个现象叫做转移(也叫做移转) 现象, 一般是开关直流负载时 发生的现象, 近年来, 随着个人电脑的普及, 在交流负载也会发 生这种现象。
开关负载时, 部分接点表面移动到相对接点。移动方向由负载的 电压、电流、接点材质决定, 由于直流负载(在交流负载中开 关相位一定的情况下也相同) 中这些情况一定, 因此一方的接点 像富士山一样突起, 相对方向的接点上就产生了一个缺口。

另外, 也可能出现突起和缺口吻合, 产生封闭。
容易引起移动的负载中, 投入(冲击) 电流大于遮断(恒定) 电流, 如下所示:
(1) 灯的开关
(2) 电容器负载(开关电源、用长电缆连接的负载等)。
电机负载一般不易产生移动(由于遮断时的电弧放电会消除突 起), 但是在浪涌效应大的情况下也会发生。
· 由于与电源线平行布线, 继电器不复位。
由于感应, 在线圈两端有时会产生电压。
如果与交流电源线平行地进行长距离布线, 由于感应, 会产生电 压、发生复位不良。
另外。复位状态的继电器有时也会动作。使线圈的布线远离电源 线或者用电缆来进行电源线的布线, 均可降低感应。
· 在时序电路中, 继电器不复位。
由于时序电路是循环电路, 能够施加电压, 因此有时被认为是复 位不良。
进行循环电路的检查时
(1) 绘制一目了然的电路图。
(2) 把各个系统归纳到一处。
(3) 用彩色铅笔等边做标记边检查
由于分块记录使用设备, 因此有时可能不注意通过设备内部电路 的循环电路。
也可以记录各设备的内部连接图。
· 继电器差拍
一般的交流操作继电器中, 为防止差拍而设计了屏蔽线圈, 但是在下列情况下会产生差拍:
(1)铁芯和铁片的吸附面夹杂有异物(虫子、线屑、垃圾等)。
(2) 屏蔽线圈的铆接不良。
(3) 屏蔽线圈断线。
(4) 使用变频电源等高频成分的电源。
(5) 施加电压过低。
(6)使用半导体(三端双向开关:双方向性晶闸管)及用于保护的电容器构成的电路,
在驱动继电器的情况下即使设置为OFF, 线圈端子上也会有一定的电压。因此可能会产生“差拍”。
这种情况下,可以通过插入一个与线圈并联的电阻(泄放电阻) 来降低OFF状态下的电压。
还要考虑电阻的消耗功率来决定电阻值。另外, 如果接近使用寿命也容易产生差拍。
(7) 在直流操作的继电器中输入AC电源。
(8) 由于感应, 交流电压和直流电压重叠。
· 由于继电器本身的原因, 接点反复开关
与半导体电路不同, 有接点的继电器根据可动接点的移动进行开 关, 但是闭路时可动接点与固定接点碰撞。
利用碰撞瞬间可动接点的运动能量, 反复进行开关, 同时恢复到 稳定状态。
另外, 如果接点接触部有绝缘皮膜或异物, 接触电阻将发生变 化。
这样, 开关接点时产生的间歇性开关动作叫做震动, 这种间歇性 开关现象持续的时间叫做震动时间。
连接电路等的输入电路时必须考虑。

· 接点由于外力反复开关
继电器接点处于闭路状态时, 有时会因外部能量(强烈振动、冲 击、磁场等) 进行间歇性开关动作。像这样受到外部影响进行的 间歇性开关动作叫做颤振, 这种现象持续的时间叫做颤振时间。
继电器的附近有接触器等振动源时, 必须采取防振措施, 例如使 用安装盘。
· 远离电源的继电器的动作十分奇怪
在直流的情况下, 连接电线的电阻增大, 在交流的情况下, 由于 阻抗增大, 远处继电器线圈上的施加电压降低, 可能无法正常动 作。

电缆长度限度值的标准
种类
项目 |
继电器的线圈 |
DC的情况下 |
前提条件 |
允许运行电压最高为额定的90% |
计算电缆的 长度 |
符号 |
Rr :线圈电阻值
R :电缆每个单位电阻值
L :电缆长度的限度 |
公式 |
L=Rr/9R |
〈例〉 MY4继电器 |
在MY4DC24V、CVV电缆中
L=650/9×0.017 =4.248m
(答)约需要4.2km以内。 |
· 内置继电器的设备出口后生锈 向国外出口设备时, 一般使用船运, 但是, 通过热带地区的班 轮, 船舱内部为高温高湿的状态。
如果把继电器暴露在这样的环境中, 金属零件可能会生锈。 这种情况下我们向您推荐热带处理继电器。
●维护
(1)故障和原因推测
使用继电器的装置中会发生各种各样与继电器有关的故障。
这时, 必须用FTA (Fault Tree Analysis) 方法追究其原因。下表列举与继电器有关的故障模式, 并对故障原因进行推测。
从继电器外部看到的现象
|
故障
|
检查内容
|
原因推测
|
继电器不运行 |
①输入电压是否到达继电器 |
·断路器或熔断器脱落
·布线错误、遗漏
·螺钉端子的安装不牢固 |
②继电器规格是否符合输入电压 |
·在AC100V电压线上使用了AC200V规格的继电器 |
③输入电压的电压是否下降 |
·供给电源容量不足
·长距离布线 |
④继电器是否破损 |
·线圈断线
·坠落、冲击导致机械性损坏 |
⑤输出电路有无异常 |
·输出侧电源
·负载不良
·布线失误
·接触不良 |
⑥是否接触不良 |
·接点异常
·使用寿命造成的接点消耗
·机械性破损 |
继电器不复位 |
①输入电压是否完全断开 |
·保护电路(浪涌吸收器)的泄漏电流
·迂回电路造成的电压施加
·残留有残留电压的半导体控制电路 |
②继电器异常 |
·接点熔敷
·绝缘老化
·机械性破损
·感应电压(长距离布线) |
继电器误动作
指示灯异常亮起 |
①继电器输入端子上是否施加了异常电压 |
·感应电压(长距离布线)
·感应电压造成的迂回电路(闭锁继电器的支架脱落) |
②振动、冲击是否过大 |
·恶劣的使用环境 |
烧损 |
①线圈是否烧损 |
·线圈规格选择有误
·输入超过额定值的电压
·AC规格造成电磁铁不完全运行(铁片吸附不充分) |
②接点部是否烧损 |
·超过接点额定值的电流
·超过允许范围的冲击电流
·短路电流
·与外部连接不良(与插座等接触不良,导致异常发热) |
从继电器内部看到的现象
|
故障
|
检查内容
|
原因推测
|
接点熔敷 |
①是否有过大电流流入 |
·灯负载等的突入电流/
·负载的短路电流 |
②接点部有无异常振动 |
·来自外部的振动、冲击
·AC继电器的差拍
·电压过低造成不完全电阻,导致接点颤振
(开动电机的瞬间,电压可能下降) |
③开关是否过于频繁 |
|
④继电器的寿命是否到期 |
接触不良 |
①接点表面是否附着异常 |
·附着硅、碳等其他异物 |
②接点表面是否被腐蚀 |
·SO2、H2S造成接点的硫化 |
③是否有机械性接触不良 |
·端子偏离、接点偏离、接点脱落 |
④是否消耗接点 |
·继电器的使用寿命 |
差拍 |
①输入电压是否不足 |
·继电器线圈规格错误
·施加电压的脉动
·输入电压的缓慢上升 |
②继电器类型是否有误 |
·在AC线上使用了DC规格 |
③电磁铁的动作是否完全 |
·可动片和铁芯之间有异物混入 |
接点的异常消耗 |
①继电器选择是否合适 |
·电压、电流、冲击电流的额定选择失误 |
②是否考虑了连接负载 |
·电机负载、螺线管负载、灯负载等的冲击电流 |
(2)维护方法
维护方法可以分为两大类: 一、发生故障后进行检查和更换的事 后维护;二、还没有发生故障时进行检查和维护的预防维护。
其中, 预防维护有几个重要的课题: 何时进行检查、更换?如何 知道进行检查、更换的时间?怎样决定?
决定继电器的维护时间时必须考虑以下要素: 如果从装置、系统 方面来看, 包括对象装置的重要度、要求的可靠度等;从继电器 方面来看, 包括各特性及项目的故障形态。
继电器的故障形态大致可以分为磨损形态的故障和老化形态的故 障, 前者以接点等的消耗为代表, 后者以线圈卷线的断线为代 表。
一般决定使用继电器的型号和使用条件后, 接点等的磨损形态、 故障时间随动作次数而变化, 不少人开始提前预测使用继电器的 寿命, 但是与此同时, 线圈卷线断线等老化形态的故障对继电器 的可靠性也产生着巨大的影响。一方面看, 受到使用条件、现场 环境等使用可靠性的影响, 随使用时间而发生变化。因此各个案 例均不相同, 很难进行提前预测。
并且从实际使用的层面来看, 磨损和和老化并行, 了解哪个形态 的故障会较早出现是决定维护时间的重要因素。
下面列出接点维护时间的参考项目:
|
维护时间
|
次数轴系
|
时间轴系
|
备注
|
磨损 |
接点的磨损 |
利用电气寿命曲线,可从负载电压、电流、负载种类求出维护时间。
如果没有合适的电气寿命曲线,可通过实际装置上的经验值来决定维护时间。 |
○ |
— |
如果在所定时间内规定开关次
数,就可在时间轴上进行替换。 |
动作机构部的磨损 |
用机械寿命次数求出维护时间。
但是,性能中所示的机械寿命次数是在标准试验状态下所得的值。
使用条件不同的情况下,根据实际使用条件下的实验值来决定维护时间。 |
— |
老化 |
线圈及线圈卷线的
绝缘老化 |
通过了解线圈在实际使用条件下的温度来预测耐用时间。
通常情况下,使用聚氨酯铜线时以120℃、40000小时为基准。 |
— |
○ |
— |
接点的接触稳定度; |
以固有可靠性为基础,受使用条件、环境影响而大幅发生变化。
掌握使用条件、环境的状态,同时通过采样等来决定维护接点的时间。 |
— |
○ |
必须掌握对现场环境、接点材料
带来负面影响的恶性燃气的浓度。 |
金属材料的性能老化 |
树脂材料的性能老化 |
■继电器的试验方法
●寿命
机械的寿命
接点在无负载状态下向线圈施加额定电压(AC操作下为额定频率), 观察在额定开关频率下进行动作时的外观及特性变化。
电气寿命
在接点上连接额定负载, 在线圈上施加额定电压(在AC操作下 为额定频率) , 观察在额定开关频率下使继电器动作时外观及特 性变化。
因使用方法不同, 判断是否达到使用寿命的方法也不同。这里列 出JIS中的规定值, 以供参考。
判定寿命的标准(JIS C5440 1980)
|
判断项目
|
规定值 |
|
外观
|
各部分没有松动、变形、损伤 |
|
绝缘电阻
|
如无特别规定则为1MΩ以上 |
|
耐受电压
|
初期标准值的75%以上 |
|
线圈电阻
|
从初期标准下限值的95%到标准上限值的105% |
|
动作电压
|
初期标准值的的1.2倍以下 |
|
复位电压
|
初期标准值的的0.5倍以下 |
|
动作时间
|
初期标准值的的1.2倍以下 |
|
复位时间
|
初期标准值的的2倍以下 |
|
接触电阻
|
接点额定电流
或开关电流(A) |
测定电流
(A) |
接触电阻试验后
(Ω) |
0.01以下 |
0.001 |
100 |
0.01以上~0.1以下 |
0.01 |
20 |
0.1以上~1以下 |
0.1 |
5 |
1以上 |
1; |
2 |
|
一般继电器 术语说明

样本样本目录中所使用的各种术语的含义如下所示。
■继电器全部
●继电器(relay)
当控制该设备的电气输入电路满足某种条件时, 在单个或多个电 气输出电路上, 急剧发生预定变化的设备。
注. 将伴随机械性运动的产品分为机电式继电器(electromechanical relay),将不伴随机械性运动的分为静止形继电器(static relay),从原理上可分类为电磁继电器(electromagnetic relay)、热继电器(thermal relay)、压电式继电器(piezo-electric relay electrostrictive relay)、及无接点式继电器在IEC中将根据动作领域或实效为零任意的输入量来动作、复位的继电器分为有或无继电器(contactlessrelay)等。(all-or-nothingrelay),将带规定精度的特性量为动作值时进行动作的继电器分为测量继电器(measuring relay)
●直流继电器
通过直流输入进行动作的继电器。
●交流继电器
通过交流输入进行动作的继电器。
●有极继电器
根据控制输入电流的极性, 而呈现不同状态的直流继电器。
注. 有单侧稳定形、双侧稳定形及中央稳定形。不受控制输入电流极性影响的称为无极继电器(onopolarized relay(neutral relay)。
●密封形继电器
继电器整体放在气封容器内的继电器
注. 一般以金属对金属或金属对玻璃,使用焊接或与其匹配的方法进行密封。另 外在闭锁形继电器(enclosed relay)中,还有一种密闭形继电器,该继电器 不使用焊接,而是采用简易方法来密闭。
●铰链形继电器
按电磁铁的构造分类, 电容器板以支点为中心进行旋转运动, 根 据其动作, 直接或者间接进行接点通断的继电器。
注. 电容器板与铁心的轴方向直角运动的是侧面电容器板形(side armature type),向轴方向动作的是同向电容器板形(end-on armature type)。
●插棒式继电器
按电磁铁的构造进行分类, 衔铁以线圈为中心部, 沿线圈轴进行 动作的继电器。
■接点部
●接点构成
接点构成是指接触机构。
例如,有b接点(断路接点)、a接点(接通接点)、c接点(转 换接点) 等。
●接点极数
接点极数是指接点电路数。
●接点记号
各个接触机构的表示如下所示。

注. 「继电器术语解说」、「继电器共通注意事项」中,除特别情况外均以JIS的 接点记号来表示。
●静止形继电器
没有机械性动作, 根据电子性、电磁性、光学性或者其他要素可 得到响应的继电器。
注. 固态继电器(solid state relay (SSR))也是该分类中的。
●挠曲(flexure)形
接点弹簧驱动形式的一种, 由双头螺栓、插件等的压紧力获得接 点接触力。
●吊装(life off)形
接点弹簧驱动形式的一种, 接触接点后, 插件或者双头螺栓脱离 接点弹簧, 接点接触力由可动弹簧的预备弯曲等获得。
注. 有时也使用线圈弹簧的压缩。
●交差形接点
像相互交差杆一样的接点。

●双接点
相对接点弹簧中的至少一方作为双接点, 在各自弹簧的前端安装 接点, 提高接触可靠度。

●可动接点
通过驱动机构或者其一部分进行直接驱动的接点, 相对于此, 不 直接驱动的接点称为固定接点(stationary contact)。
●静止接点
以持续接触为目的的接点。
注. 终端、连接器等情况下。
相对于可动接点, Stationary contact有时用来指固定接点。
●接通接点(常时开路接点)
继电器或者开关平时为开放状态, 动作时为闭合状态的接点组, 有时称为NO接点、A接点或者前接点(front contact)。

●断路接点(常时闭路接点)
继电器或者开关平时为闭合状态,动作时为开放状态的接点组。 有时称为NC接点、B接点或者后接点(back contact)。

●MBM(break before make)接点
(无短路Non Shorting接点)
在指定接点动作顺序的接点组中,动作时在应该闭合的接点 闭合之前,应该断开的接点先断开的接点组。也称为C接点或 者转换接点(transfer contact)。

●MBB(make before break)接点
(短路Shorting接点)
在指定接点的动作顺序的接点组中,动作时在应该断开的接点断开之 前, 应该闭合的接点先闭合的接点组。也称为CI接点或者连续接点 (continuous contact)。

●接点弹簧
为在自己的接触部上施加接触力的弹簧。
●断开力
为使接点断开而在接点上作用的力。
●断开速度
闭合接点断开时的运动速度。
●接点间隙
在相对一组接点打开状态下, 接点的间隔。
注. 形成接点的二个导体间的最短距离。
●间隔(空间距离)
应相互绝缘部分之间, 沿二个裸充电部间设置的充电部的最短距 离。
●表面距离
应相互绝缘部分之间, 沿二个裸充电部间设置的绝缘物表面的最 短距离。
●双投
带二个接触位置, 在各自接触位置上闭合各自电路的接点组。相 对于此,仅在一个接触位置上闭合电路的接点组称为单投(single throw)。
●摩擦闭合作用
相对的2个接点接触后,发生滑动动作。该动作可有效减少接点表 面生成的保护膜、尘埃的影响。
●额定负载
规定开关部(接点) 性能的基准值, 以接点电压和接点电流的组 合形式出现。
●额定通电电流
不开关接点, 在不超出温升限度的条件下, 接点可以连续通电的 电流值(根据JIS C4530)。
●开关容量的最大值
可开关的负载容量的最大值。请设计电路, 使其使用时不超出该 值。AC时用VA表示, DC时用W表示。
●故障率
在个别规定的试验种类以及负载中, 连续开关继电器时, 单位时 间(动作次数) 内发生故障的比例。
该值随开关频率、环境、所期待的可靠性而发生变化。实际使用 时, 请务必在实际使用条件下进行确认。
本样本目录中, 将该故障率作为P水准(参考值) 记载。以下显 示了可靠水准60%(λ60)时的故障水准水平。(JIS C5003)

●接触电阻
接触电阻指构成可动片、端子、接点等电路的导体固有电阻和各 接点之间接触的界面电阻以及集中电阻的合成值。
本样本目录中记载的接触电阻值是初始规格值, 该数值的大小并 不表示实际使用时的情况。
接触电阻的测量条件如下图所示, 用电压降下法(四端子法) 按 下表规定的测量电流通电。
接触电阻= V/I (Ω) (直流下测量用电源的正反极性进行测量,并取其平均值)。
试验电流(JIS C5442)
|
额定接点电流或者开关电流(A)
|
试验电流(mA)
|
0.01不到 |
1 |
0.01以上0.1不到 |
10 |
0.1以上 1不到 |
100 |
1以上 |
1,000 |

●接点电压的最大值
可开关接点电压的最大值。使用时请绝对不要超出该值。
●接点电流的最大值
可开关接点电流的最大值。使用时请绝对不要超出该值。
●反弹
打开或者关闭接点时, 接点相互之间产生的间歇开关现象。该间 歇开关现象的持续时间为反弹时间(bounce time)

●震颤
打开的接点由于外部原因进行反复开关的现象。该现象的持续时 间为震颤时间(chattering time)。

线圈打开时, 各部的响应和反弹关系如下图所示。

●粘着
粘接面不是熔化粘着或者机械性啮合, 而是很难断开的现象。
注. 接点表面硬度低时、接点表面的清洁度较好时易产生。
●熔化
接触面及其附近熔化粘着, 很难断开的现象。

●锁定
随着接点的消耗、转移而变形, 相对接触面机械性啮合, 很难断 开的现象。
●转移
接点接触面及其附近受放电或者焦耳热的影响, 一方接点材料的 一部分向相对他方接点移动的现象

注. 由于接点间放电而转移的原本称为大转移,与放电无关的转移叫小转移。 另外也有称为移转的。
●阳极电弧
使阳极侧接点材料向阴极侧接点面转移的电弧。
注. 转移方向受接点材质、电路条件热平衡等的影响。
●阴极电弧
使阴极侧接点材料向阳极接点面转移的电弧。
●金属效果
接点通过接点保护膜接触时, 接点电压超过某值的情况下, 其保 护膜被电气性破坏, 接触电阻急剧减少的现象。
●黑色粉末
随接点的电气性开关动作产生的碳, 附着在接点表面, 造成活性 化。
●褐色粉末
吸附在接点表面的有机气体发生反应生成的褐色或者黑褐色粉末 状的有机化合物。

注. 在存在某种有机气体的环境中,主要由铂接点进行开关动作的情况下,由于接点的滑动动作而产生,是造成接点故障的一个原因。
●绝缘破坏
由于在夹有绝缘物的2电极之间施加电压,导致急剧失去绝缘性的 现象。
●复合接点
由2相以上材料组成的接点。
●粘合接点
粘合异种金属而制成的接点。
●扩散合金接点
通过扩散处理制成的接点。
●多层接点
通过电镀、粘合等其他方法制成多层构造的接点。

●电镀接点
在接触面上进行电镀的接点。
●烧结接点
通过粉末冶金法制成的接点。
注. 有金属烧结体、复合烧结体等。
●冲击电流
闭合接点的瞬间, 或过渡性流通大于平常状态下的电流。

■线圈部
●线圈记号
线圈的驱动形态如下表所示。

●额定电压
在通常状态下使用继电器时, 加到操作线圈上的标准电压(根据 JIS C4530)
●额定电流
一般使用继电器时, 流经线圈的标准电流(JIS C4530) 。线圈 温度在+23℃时的值。另外, 各机型的正文中没有指定时, 额定 电流公差为+15%、-20%。
●线圈电阻
线圈电阻指的是线圈温度为+23℃时线圈端子间的电阻。 各机型的正文中没有指定时, 公差为±15%。(交流规格的线圈 电阻值以及线圈电感为参考值)。
●额定消耗功率
在线圈上外加额定电压时, 线圈上所消耗的功率(额定电压X额 定电流)。交流规格的额定消耗功率是在频率60Hz的值。
●动作电压
使继电器动作的最小电压。(JIS C5442) 线圈的温度为+23℃时的值。
●复位电压
使电压急剧下降或慢慢减少时, 继电器复位的最大电压。
(JIS C5442)
线圈温度为+23℃时的值。
(例) MY4 DC型
动作电压、复位电压的分布如下表所示。
如表所示, 动作时在额定电压的80%以下动作, 复位时在10%以 上复位。
因此, 目录中也同样将「动作电压」记为80%以下, 复位电压 记为10%以上。

●热启动
指在接点通电状态下, 对线圈连续通电后, 在切断流向线圈的电 流后立即再次接通的状态下或此时的动作电压值。
(线圈电压、接点电流、环境温度为条件设定值)
●最小脉冲宽度
指在闭锁型继电器中置位或复位时需加在线圈上的额定电压的最 小脉冲宽度。
是在环境温度为+23℃时, 在线圈施外的额定电压的值。
●线圈电感(只对一般继电器)
直流继电器中, 是加上矩形波根据时间常数求得的值。
在交流继电器中, 是在额定频率下的值。
在动作状态、复位状态下各自的值不同。
●铁心(core)
为了使电磁石的起磁性有效, 而插入线圈的磁性体。
注. 一般称为固定磁性体,在线圈中运动时也被称为活动铁心(moving core)。另 外,为了有效利用磁力,也会附加磁极片(pole piece)
●短路环
围起交流电磁石极的一部分, 通过与励磁线圈的相互电感而产生 的电流, 部分延迟磁通变化的短路线圈(short circuited coil)。可减 少活动部分的振动。

■电气的性能
●动作时间
定电压开始到接点动作为止的时间。具有多个 接点的继电器, 如果没有其他规定, 则计算到最后一个接点动作 为止。(JIS C5442)线圈温度为+23℃时的值, 不包括反弹时间。

●设定时间(只限闭锁型)
从往线圈上施加额定电压开始到接点动作为止的时间。具有多个 接点的继电器, 如果没有其他规定, 则计算到最后一个接点动作 为止。线圈温度为+23℃时的值,不包括反弹时间。

●复位时间
从线圈去掉额定电压开始到接点复位为止的时间。具有多个接点 的继电器, 如果没有其他规定, 则计算到最后一个接点复位为止 的时间(JIS C5442)。
如果只有a接点, 则计算到最后的a接点开路为止的时间。 线圈温度为+23℃时的值, 不包括反弹时间。
●复位时间(只限闭锁型)
从往复位线圈上施加额定电压开始到接点复位为止的时间。如果 只有a接点, 则计算到最后的a接点断开为止的时间。
具有多个接点的继电器, 如果没有其他规定, 则计算到最后一个 接点复位为止的时间。
线圈温度为+23℃时的值, 不包括反弹时间。
●反弹
由于继电器的可动部分(接极子) 因铁芯、接点相互冲突引起冲 突振动等原因造成接点之间间歇性的开关现象。
(JIS C5442)
●动作反弹时间
线圈温度为+23℃时, 施加线圈额定电压时a接点的反弹时间。
●复位反弹时间
线圈温度为+23℃时, 去掉线圈额定电压时b接点的反弹时间。
●开关频率
单位时间内继电器操作次数。
●绝缘电阻
接点、线圈之间, 导电部分端子和(铁芯框、铁芯等) 不带电金属 部分之间,或者接点相互之间绝缘部分的电阻。该值是继电器整体中 的值, 不包括基板的焊盘。
①线圈接点之间:
线圈端子和接点所有端子之间
②异名接点之间: 异名接点端子相互之间
③同名接点之间: 同名接点端子相互之间
④置位线圈· 复位线圈之间:
置位线圈端子和复位线圈端子之间
●耐电压
被绝缘的金属部分之间(特别是带电金属) 施加1分钟电压时, 不破坏绝缘的临界值。施加电压的地方和绝缘电阻相同。
漏电流(检测出绝缘破坏的电流) 一般情况下为1mA。但有时漏 电流为3mA、10mA。
●耐冲击电压(耐电涌电压)
表示对于打雷等电感性负载开关时发生的瞬间性异常电压的耐久 性的临界值。如无特别记载,电涌的波形将以JIS C5442中的1.2× 50ms的标准冲击电压波形表示。

在FCC Part68中, 规定了10×160μs±1500V。
●振动
分为针对搬运时、安装时产生的较大振动所造成的特性变化、破 损所规定的耐久振动, 和使用状态下因振动引起误动作的误动作 振动。
α=0.002f2A×9.8 α : 振动加速度(m/s2)
f : 振动频率(Hz)
A : 双振幅(mm)
●振动
分为针对搬运时、安装时产生的较大振动所造成的特性变化、破 损所规定的耐久振动, 和使用状态下因振动引起误动作的误动作 振动。 α=0.002f2A×9.8 α : 振动加速度(m/s2) f : 振动频率(Hz) A : 双振幅(mm)
●冲击
分为针对搬运时、安装时产生的较大冲击所造成的特性变化、破 损所规定的耐久冲击, 和使用状态下因冲击引起误动作的误动作 冲击。
●机械的寿命
指不在接点上加负载, 以规定的开关频率开关时的寿命。
●电气的寿命
在接点上外加额定负载, 以规定的开关频率开关时的寿命。
●热电动势
不同种类金属的两端相连, 使接合部分的温度保持不同, 电路中 就会出现有一定方向的电流。我们将产生这种电流的电动势叫做 热电动势。
如果是继电器, 则在端子、接触片、接点的不同种类金属处产生 热电动势。如果用继电器切换热电偶, 则该热电动势将导致实际 的温度和测定温度不同。
●高频绝缘
(只对印刷基板用高频继电器)
处于接通状态的接点端子之间以及没有连接的端子之间的高 频信号泄漏程度。
●Insertion Lose(插入损失)
(只对印刷基板用高频继电器)
处于闭合状态的接点端子之间的高频信号的衰减量。
●Return Lose(反射损失)
(只对印刷基板用高频继电器)
传送路径中发生的高频信号的反射量。
●V.S.W.R.
(只对印刷基板用高频继电器) 指传送过程中发生的电压驻波比。
●高频特性的测量方法示例

与测量无关的接点端接50Ω。
●高频通过功率的最大值
(仅记载印刷基板用高频继电器)
可以通过闭合状态的接点端子之间高频信号的功率的最大 值。
●高频开关功率的最大值
(仅记载印刷基板用高频继电器)
接点上可以开关的高频信号的功率的最大值。和额定负载相 比,电气寿命缩短。
●串扰特性
(仅记载印刷基板用高频继电器)
接点电路相互之间高频信号的泄漏程度。
●TV额定值(UL/CSA)
所谓TV额定值, 是指评价UL以及CSA规格中耐浪涌电流性能的 代表性额定值的一种, 该继电器可以开关包含浪涌电流的负载的 程度。
例如, 电视机电源用继电器必须是取得TV额定值的继电器。 开关试验(耐久性测试) 使用钨丝灯作为负载, 要求能承受合计 25,000次的开关。
TV额定值 |
浪涌电流 |
恒定电流 |
代表机型例 |
TV-3 |
51A |
3A |
G2R-1A |
TV-5 |
78A |
5A |
G2R-1A-ASI |
TV-8 |
117A |
8A |
G2R-1A-TV8-ASI |
■现象·状态
●闪络
相对导体间放电, 造成短路状态的现象。
在中· 大电流下使用的接点中易发生。
●粘着
因熔化、锁定、粘附而使接点难以断开的现象。
●接点磨损
接点反复进行改变动作时, 由于磨损等机械性原因而使接点磨减 的现象。
●接点损耗
接点反复进行开关动作时, 因电气性、热、科学性等原因造成损 耗的现象。
●活性化
接点表面污染易发生放电现象。 注. 例如,在某种有机气体存在的环境下,进行开关动作的贵金属接点发生放电 时,因吸附在接点表面的有机气体放电,引起分解,产生黑色粉末(碳等), 易引起放电。
●接点保护膜
指生成或吸附在接点接触面上的金属氧化物、硫化物及其他保护 膜, 是成为界面电阻的原因。
●边缘效果
直接相对的磁极面周边部分形状产生磁气特性的效果。
●蜂鸣声
交流磁极或不平滑的整流波驱动引起机械性振动, 从而产生蜂鸣 声。
●吸收
进行动作、复位电压(或者电流) 的测量或者试验时, 流通操 作线圈的饱和电流(saturation current), 应除去受磁气预应影响 而产生的差。
注. 流通的电流即为吸收电流(soak current)
■动作形态
●单稳型(标准型)
该继电器的接点根据线圈无励磁、励磁 进行切换, 除此以外动作各要素没有特 别的功能。
|
 |
●2线圈闭锁型
该继电器拥有置位线圈和复位线圈, 是 一种可以保持置位状态或复位状态的闭 锁结构的继电器。
|
 |
●1线圈闭锁型
该继电器拥有1 个线圈, 是一种可以根 据外加电压的极性, 切换并保持置位状 态或复位状态的闭锁结构的继电器。
|

|
●步进型(只对一般继电器)
该继电器的多个接点根据每输入一个脉冲依次移动为切换接通、 断开。
●棘轮型(只对一般继电器)
该继电器是步进型的一种, 根据线圈输入每一个脉冲, 接点交替 进行接通、断开。
■外形·形状
●外形尺寸
印刷基板用继电器
以小型为优势的继电器,同时记录最大尺寸和带有*标记( )值的 平均尺寸, 作为设计的标准。

一般继电器
标明最大尺寸, 作为设计的标准。

●标记
继电器主机上的标记(显示) 除了型号、电压规格等以外, 还 显示了内部连接图, 一部分小型继电器省略了内部连接图。
●方向指示标记
主要是在印刷基板用继电器上标上表 示线圈方向的标记。便于进行印刷基 板的模式的设计和实际安装基板时判 断继电器线圈方向。 |

|
●端子配置/内部连接
①TOP VIEW 如下图所示, 只限于从上面可以看到 端子排列结构的继电器, 用TOP VIEW记载内部连接图。 |

|
②BOTTOM VIEW
如下图所示, 只限于从上面不能看到 端子排列结构的继电器, 用 BOTTOM VIEW记载内部连接图。 |

|
③BOTTOM VIEW的旋转方向
在印刷基板用继电器中, 表示线圈在 左侧(方向指示标记在左侧) , 沿 箭头方向旋转时的端子排列。 |

|
一般继电器 使用注意事项

●有关各产品的注意事项,请参阅各产品的「请正确使用」部分。
目录
|
No.
|
大分类
|
No.
|
分类
|
No.
|
项目
|
登载页
|
1 |
使用继电器时 |
947 |
2 |
关于继电器的选择 |
① |
安装结构
保护结构 |
1
2
3
4 |
「关于保护结构」
「关于和插座的组合」
「在有尘埃的环境中使用时」
「向热带地区出口」 |
948 |
② |
驱动电路 |
1
2
3
4
5
6 |
「关于动作形态」
「关于线圈规格」
「关于交流操作型线圈规格」
「全波整流对应型继电器」
「长时间连续通电时」
「维修保养中必须确认动作时」 |
949~950 |
③ |
负载 |
1
2
3
4
5 |
「关于接点额定值」
「关于开关容量」
「关于微小负载水平下的使用」
「关于接点材料」
「关于国际规格上的接点认定额定值」 |
951 |
3 |
关于电路设计 |
① |
负载电路 |
1
2
3
4
5
6
7
8
9
10
11
12 |
「关于负载开关」
①阻性负载和感性负载
②接点电路的电压(接点电压)
③接点电路的电流(接点电流)
「关于开关耐久性」
「关于故障率」
「关于电涌抑制器」
「关于外部电路电涌抑制对策」
「关于多极继电器(2极以上的继电器)的负载连接」
「正反转换马达时」
「关于用多极继电器(2极以上的继电器)进行电源双刀切断」
「关于a、b接点之间的电弧引起的短路」
「关于1a1b接点继电器的1c使用」
「关于不同容量的负载连接」
「关于接点的迁移」 |
952~954 |
3 |
关于电路设计 |
② |
输入电路 |
1
2
3
4
5
6
7
8
9
10
11
12
13
14
15
16
17
18
19
20
21
22
23 |
「关于最大容许电压」
「关于线圈外加电压」
「关于线圈温升引起的动作电压的变化」
「关于输入电压的外加电压波形」
「关于线圈断开时的防止电涌」
「关于通向继电器线圈的漏电流」
「关于低频率开关时的使用」
「配线距电源距离较长时」
「构成时序电路时」
「动作·复位电压、动作·复位时间等特性非常重要时」
「使用直流操作型继电器时 (1)关于输入电源的波动」
「使用直流操作型继电器时 (2)关于线圈极性」
「使用直流操作型继电器时 (3)关于线圈外加电压不足」
「使用交流操作型继电器时 (1)关于输入电源的电压变动」
「使用交流操作型继电器时 (2)关于动作时间」
「使用交流操作型继电器时 (3)关于线圈外加电压波形」
「使用闭锁继电器时 (1)关于直流操作型闭锁继电器线圈的极
性」
「使用闭锁继电器时 (2)关于驱动电路」
「使用闭锁继电器时 (3)关于同时外加到置位、复位线圈上」
「使用闭锁继电器时 (4)关于直流输入的电路设计」
「使用闭锁继电器时 (5)关于闭锁继电器保持力的历时衰减」
「关于负载开关频率」
「关于交流负载开关中的相位同步」 |
954~958 |
③ |
实际安装设计 |
1
2
3
4
5 |
「关于导线直径」
「使用插座时」
「关于安装方向」
「靠近计算机等时」
「关于闭锁继电器的实际安装」 |
958 |
4 |
关于使用环境以及保管环境 |
1
2
3
4
5
6
7
8 |
「关于使用、保管、运输环境」
「关于使用环境」
「关于恶性气体环境中的使用」
「关于水、药品、溶剂、油的附着」
「关于振动、冲击」
「关于外部磁场」
「关于外部负荷」
「关于磁性粒子的附着」 |
958~959 |
5 |
关于继电器的实际安装作业 |
① |
插座用继电器 |
1
2
3
4
5
6
7
8 |
「关于表面连接插座」
「关于继电器的插拔方向」
「关于背面连接插座」
「关于向搭接端子用插座的配线」
「关于端子向的焊接」
「关于导线向继电器端子的绕接」
「关于导线的长度及线端头处理」
「关于夹具」 |
959~960 |
② |
印刷基板用
继电器 |
1 |
「关于超声波清洗」 |
③ |
共通项目 |
1
2
3
4
5 |
「关于禁止向接线片端子焊接」
「关于外壳拆除、端子切割」
「端子变形时」
「关于继电器的更换、配线作业」
「关于覆膜、包装的实施」 |
6 |
关于继电器的使用 |
1
2 |
「关于振动、冲击」
「关于测试按钮」 |
961 |
7 |
关于印刷基板用继电器 |
1
2
3
4
5
6
7
8
9
10
11
12 |
「印刷基板的选择(1)基板的材质」
「印刷基板的选择(2)基板的厚度」
「印刷基板的选择(3)端子孔径及焊盘直径」
「关于安装间隔」
①环境温度
②关于相互磁干扰
「关于针对噪音的模式设计」
①线圈发出的噪音
②接点发出的噪音
③高频用模式
「关于焊盘形状」
「关于波形的导体宽度及厚度」
「关于波形的导体间隔」
「关于印刷基板的固定方法」
「线圈闭锁继电器的省电驱动电路举例」
「关于印刷基板用继电器的焊接条件」
①自动焊接
②手动焊接
「关于印刷基板用继电器的自动安装」 |
961~963 |
8 |
故障分析 |
963 |
1.使用继电器时
·实际使用继电器时, 有时会发生预测不到的事故。为此, 必须 在可能的范围内进行测试。
·有关目录中所记载的各额定性能值, 如果没有特别说明, 所有 值都是JIS C5442的标准试验状态(温度+15~+35℃、相对湿 度25~75%、气压86~106kPa) 下的值。进行实际确认时, 除 了负载条件以外, 还必须将使用环境考虑为和实际使用状态相 同, 进行确认。
·目录中记载的参考数据, 是将从生产流水线中取样后实际测得 的值作成图表后的数据, 不是保证值。
·目录中记载的各额定值、性能值是单个试验中的值, 并不是同 时保证各额定值、性能值的复合条件的值。
2.关于继电器的选择
①安装结构、保护结构
2.-①-1 「关于保护结构」
如果没有根据使用环境以及实际安装条件选择有适当的保护结构
的继电器, 将引起接触不良等问题。
请参照下表的保护结构分类,
选择适合使用环境的继电器。
保护结构的分类
|
项目
安装结构 保护结构
|
优点
|
代表机种举例
|
使用环境
|
垃圾·灰尘侵入
|
恶性气体侵入
|
印刷基板 |
耐焊剂型 |
焊接时,焊剂难以侵入
继电器内部的结构 |
 |
△
(无大垃圾、灰尘侵入) |
× |
塑料密封型 |
有防止焊接时焊剂侵入
以及清洗时清洗液侵入
的结构 |
 |
○ |
○
(参照 4.-3) |
插入式继电器 |
闭锁型(有外壳型) |
继电器装入壳体内,防
止异物接触,起到保护
作用的 |
 |
△
(无大垃圾、灰尘侵入) |
× |
塑料密封型 |
为使其免受腐蚀性环境
的影响,使用树脂外
壳、盖子等密封的结构 |
 |
○ |
○
(参照 4.-3) |
密封型 |
为了防止腐蚀性气体侵入
继电器内,外部使用抵御
有害性腐蚀的金属、玻璃
外壳、底座等密封,并封
入惰性气体(N2)的密封
结构 |
 |
○ |
○ |
螺钉(金属)
安装型 |
开放型 |
没有防止异物的接触及
侵入的保护结构 |
 |
× |
× |
闭锁型(有外壳型) |
继电器在壳体内,起到
防止异物接触的保护作
用 |
 |
△
(无大垃圾、灰尘侵入) |
× |
2.-①-2 「关于和插座的组合」
请将本公司的继电器和本公司指定的插座组合使用。和其他公司插座 组合时,由于通电容量的不同、插座配合性的不同会引起配合部分异 常发热等问题。
2.-①-3 「在有尘埃的环境中使用时」
在有尘埃的环境中使用继电器时, 尘埃会侵入继电器内部, 夹入 接点之间造成接点不能闭合。而且, 当线屑等导体侵入继电器内 部时, 会引起接触不良、电路短路。在这样的情况下, 请采取防 尘对策或使用密封继电器。
2.-①-4 「向热带地区出口」
向热带地区出口时, 请使用下列继电器。
· 热带处理型
· 塑料密封型继电器
· 密封继电器
如果使用其他种类的继电器, 有时会由于金属零件生锈等原因引 起动作故障。
②驱动电路
2.-②-1 「关于动作形态」
继电器根据动作形态分为以下几类。
请根据使用目的, 选择适当的继电器。
|
分类 项目
|
优点
|
代表机种举例
|
备注
|
单稳型(标准型) |
该继电器的接点根据线圈的无励磁、励磁进行切换,
除此以外动作要素上没有特别的功能 |

|
作为接点构成,有a、b、c、MBB接点 |
闭锁型 |
即使是执行置位或复位的脉冲驱动电压,在置位状
态或复位状态之后,驱动电压(包括脉冲驱动电压)
断开、在输入反转电压之前,仍能保持该状态的功能 |

|
作为保持置位、复位状态的机构有
①电磁保持型②机械保持型2种。
另外作为施加置位、复位的脉冲电压的线圈种
类有
①1线圈型②2线圈型2种。 |
棘轮型继电器 |
该继电器接点根据脉冲的输入进行交互的ON、OFF
切换,或按顺序动作 |

|
|
步进继电器 |
每输入一个脉冲,该继电器的多个接点便依次为
ON、OFF,向前推移。 |

|
|
特殊动作继电器的基本动作
|
分类 项目
|
基本电路
|
动作波形
|
概要
|
2线圈闭锁型继电器 |

|

|
该继电器由置位线圈的输入脉 冲,以电磁式或机械式保持动作 状态,由向复位线圈的输入脉冲 切换到复位状态。 |
1线圈闭锁型继电器 |

|

|
该继电器由置位输入脉冲,保持 电磁式动作状态,由复位输入脉 冲(和置位输入极性相反)切换到 复位状态。 |
棘轮型继电器 |

|

|
·由线圈输入式脉冲,机械地保持 接点a、b的动作状态。 ·接点a、b交替ON、OFF。 |
步进继电器 |

|

|
由线圈的输入脉冲,使多个接点 电气性地依次切换。 |
2.-②-2 「关于线圈规格」
请根据设计电路正确选择线圈规格。如果选择的线圈规格不合 适, 不但会影响本来的性能, 还会由于过电压等引起线圈烧坏。
2.-②-3 「关于交流操作型线圈的规格」
请在确认各继电器的适用电源(额定电压、额定频率) 后正确选 择。
不同的继电器, 有些额定电压、额定频率不能使用。如果没有适 当选择, 会引起异常发热或误动作。
AC100V例
|
额定值的名称*
|
适用电源
(额定电压·额定频率) |
商品标记上的显示
|
目录的显示
|
1额定值 |
AC 100V 60Hz |
100VAC 60Hz |
AC 100V 60Hz |
2额定值 |
AC 100V 50Hz
AC 100V 60Hz |
100VAC |
AC 100V |
3额定值 |
AC 100V 50Hz
AC 100V 60Hz
AC 110V 60Hz |
100/110VAC 60Hz
100VAC 50Hz
或
100/(110)VAC |
AC 100/(110)V |
4额定值 |
AC 100V 50Hz
AC 100V 60Hz
AC 110V 50Hz
AC 110V 60Hz |
100/110VAC |
AC 100/110V |
*此名称不是在JIS等中规定的名称。
2.-②-4 「全波整流对应型继电器」
直流操作型继电器会因纹波率引起动作电压变动、起伏。为此, 在全波整流的电源电路中, 为减低纹波, 在电路中增加了滤波电 容器C。全波整流对应型继电器即使在没有上述滤波电容器C的电 路中也不会发生起伏等问题。另外, 可以向全波整流对应型继电 器的DC100V规格的线圈直接输入经全波整流过的AC100V电源。

2.-②-5 「长时间连续通电时」
如果在不开关继电器而长时间连续通电的电路(只有在发生异常 时复位, 在b接点处发出警报的紧急灯报警设备、异常检测电路 等) 中使用, 最好是无励磁的设计。向线圈长时间连续通电会促 使线圈自身发热导致线圈的绝缘恶化。请参考 3.-②-7项的「关 于低频率开关的使用」。
3.-②-6 「维修保养中必须确认动作时」
备有继电器动作时显示灯亮或机械显示动作状态的机种。
便于维修保养。
|
分类
|
说明
|
对象机种举例
|
显示灯内置 |

|
MY
LY
G2A
MKP |
机械显示 |
该方式利用电枢的转动
移动显示板 |
MYK
G2A(K)
MKP
MKKP
G7T |
注. 动作显示灯显示向线圈通电,并非基于接点动作的显示。
③负载
2.-③-1 「关于接点额定值」
接点额定值一般以阻性负载为标准表示。同时记载接触方式、接 点材质, 所以请根据负载以及要求寿命选择最适当的机种。
2.-③-2 「关于开关容量」
请确认各继电器开关容量的最大值及曲线图, 根据用途选择继电 器。作为选择的目标, 请灵活运用开关容量的最大值及耐久性曲 线。但是, 求出的值是目标值, 因此请在实际机器上进行确认。 请按照以下方法观察开关容量的最大值及耐久性曲线图。
比如, 接点电压V1确定时, 最大接点电流I1可以在特性数据的交 点上求得。
反过来, I1确定时, 也可以求最大接点电压V1。接下来可以利用 求得的I1和耐久性曲线数据求动作次数。
比如下面的情况,
接点电压=40V,
则接点开关电流=2A......*1
另外最大接点电流为2A时的
动作次数大约为30万次。......*2
开关容量的最大值

耐久性曲线

2.-③-3 「关于微小负载水平下的使用」
在微小负载水平下使用时, 请考虑负载种类、接点材质、接触方 式后选择适当的机种。
在微小负载水平下使用时, 接点材质、接触方式不同, 可靠性也 不同。例如单接点和双接点比较, 双接点单纯的并联冗余的期待 性更高, 因此可靠性较高。

2.-③-4 「关于接点材质」
下表显示各种接点材质的优点。供选择继电器时参考。
各种接点材质的优点
AgPd
(银钯) |
防腐性好、耐硫化性好。在干式电路中,容易沾附有
机气体,产生聚合物,所以外覆一层金属。 |
Ag
(银) |
具有最大导电率、热传导率的金属。接触电阻小,缺
点是在硫化气体环境中容易生成硫化膜。低电压、低
电流水平下容易接触不良。 |
AgNi
(银镍) |
电气传导度和Ag差不多,具有良好的耐电弧性 |
AgCdO
(银氧化镉) |
具有Ag的导电性和低接触电阻,具有良好的耐焊接
性。在硫化气体环境中容易生成硫化膜。 |
AgSnO2
(银氧化锡) |
具有比AgCdO优良的耐焊接性。
和Ag一样,在硫化物环境中容易生成硫化膜。 |
AgSnln
(银、锡、铟) |
具有优良的耐焊接性、耐磨耗性。 |
AgW
(银钨) |
硬度、熔点高,具有优良的耐电弧性,耐焊接、迁移,
但接触电阻较高,耐环境性差。 |
2.-③-5 「关于国际规格的接点认证额定值」
国际规格认证产品中的接点额定值是规格上的认定额定值, 个别 规定的继电器的额定值数值因机种的不同而不一致。请确认各继 电器的额定值和动作次数, 使用时必须在本公司额定值范围内使 用。
3.关于电路设计
①负载电路
3.-①-1 「关于负载开关」
实际使用继电器时, 负载的种类、环境条件及开关条件等不同, 开关容量、开关耐久性、适用负载区域会有很大不同, 请在实际 机器上确认以后使用。
各继电器的开关容量的最大值如下。
开关容量的最大值

开关部位(接点)
|
负载
项目
|
阻性负载
|
感性负载
cosφ=0.4
L/R=7ms
|
额定负载 |
AC 250V、10A
DC 30V、10A |
AC 250V、7.5A
DC 30V、 5A |
额定通电电流 |
10A |
接点电压的最大值 |
AC 380V、DC 125V |
接点电流的最大值 |
10A |
①阻性负载和感性负载
感性负载的开关能力在储存在感应负载中的电磁能量的影响下低 于阻性负载的开关能力。
②接点电路的电压(接点电压)
直流负载下, 如果接点电压变高, 开关能力将下降。在上图的例 子中, 相对于低电压处*1 的Wmax.=300W, 较高电压处*2 的 Wmax.=75W较小。
这个差别是由于接点电压高使开关能力下降造成的。
如果接点之间施加规定以上的电压或电流,
1. 由于开关负载所产生的碳堆积在接点周围, 导致绝缘恶化。
2. 会引起接点熔接、锁死等接点故障。
③接点电路的电流(接点电流)
接点接通时及断开时的电流会对接点带来重大的影响。比如, 负 载为马达或灯时, 断开时的浪涌电流越大, 接点的消耗量、迁移 量会增大, 会引起接点的熔接、迁移所导致的接点锁死等故障。
(下图表示典型的负载和浪涌电流的关系)。
另外, 在直流电源的负载、规定以上的高电流下使用时, 会由于 接点电弧的持续、短路引起无法开关。
直流负载的种类和浪涌电流
交流负载的种类和浪涌电流

3.-①-2 「关于开关寿命」
开关寿命根据线圈的驱动电路、负载的种类、开关频率、开关相 位、周围环境等不同而不同, 请务必在实际机器上确认后使用。 目录中记载的开关寿命的条件如下。
线圈驱动电路 |
向线圈施加额定电压
(按照直投法〈瞬时打开、瞬时关闭〉) |
负载的种类 |
额定负载 |
开关频率 |
依据个别额定值 |
开关相位(AC负载时) |
随机接通、断开 |
周围环境 |
依据JIS C5442的标准试验状态 |
3.-①-3 「关于故障率」
目录中记载的故障率是从规定条件下试验时的结果求得的值, 不 是保证值。该值会随开关频率、周围环境、期待的可靠性水平的 不同而发生变化, 请务必在实际使用条件下进行实际机器的确 认。
3.-①-4 「关于浪涌抑制器」
使用浪涌抑制器, 可以延长接点的耐久性、防止噪音及减少电弧 引起的碳化物和硝酸。下表为浪涌抑制器代表例, 请作为电路设 计的目标。
1.有时会由于负载的性质、继电器的特性的混乱等不能得到预期 的效果, 甚至出现相反的效果, 因此请务必在实际负载下确认 后使用。
2.使用浪抑制器时,会导致复位时间(断开时间)变迟,因此请 务必在实际负载下确认后使用。
浪涌抑制器典型例
|
电路例
|
适用
|
优点、其他
|
元件的选择标准
|
AC |
DC |
CR方式 |
 |
*
△ |
○ |
*AC电压下使用时负载的阻抗必须比C、
R的阻抗小很多。当接点开路时,电流通过
C、R,流过感应负载。 |
C、R的目标为
C :相对于接点电流1A,为0.5~1(μF)
R :相对于接点电压1V,为0.5~1(Ω)
但是由于负载的性质、特性的离散等会不同。
请考虑C具有抑制接点断开时的放电效果,R具有限制下次
接通时的电流的作用,通过试验进行确认。在一般情况下请
使用200~300V的C耐压。
如果是AC电路,请使用AC用电容器(无极性)。
但是,直流高压下,如果接点之间电弧的切断能力出现问
题,有时在接点之间连接C、R比在负载之间连接更有效,请
在实际机器上进行确认。 |
 |
○ |
○ |
负载为继电器、螺线管时,复位时间延长。 |
二极管方式 |
 |
× |
○ |
将储存在感应负载中的电磁能量通过并联
二极管以电流形式流向感性负载,电感性
负载的电阻部分以集耳热的形式消耗。这
种方法比CR方式复位时间更长。 |
请使用反向耐压为电路电压的10倍以上、正向电流在负载
电流以上的二极管。如果在电子电路中电路电压并不是很
高,也可以使用反向耐压为电源电压2~3倍左右的二极管。 |
二极管+齐纳二
极管方式 |
 |
× |
○ |
在二极管方式中复位时间过长而使用时非
常有效。 |
齐纳二极管的齐纳电压使用电源电压程度的电压 |
可变电阻方式 |
 |
○ |
○ |
该方式利用可变电阻的稳压特性,使其不
在接点之间外加较高的电压。该种方法对
复位时间也多少有些延长。
电源电压为24~48V,负载之间为100V~
200V时,在各接点间连接,效果很好。 |
选择可变电阻的限制电压Vc应在下列条件内。交流电压必
须为√-2 倍。
Vc>(电源电压×1.5)
但是,如果将Vc设定得过高,将不能限制高压,效果会减
弱。 |
另外,请避免如下使用浪涌抑制器。

|
对断开时的消弧非常有效,但接点 接通时C中储存着能量,所以接点 容易熔接。 |

|
对断开时的消弧非常有效,但接点 接通时对C有很大的充电电流,所 以接点容易熔接。 |
|
一般情况下直流感性负载比阻性负载难于开 关,但使用适当的浪涌抑制器,性能会提高 到和阻性负载同等程度。 |
3.-①-5 「针对于外部电路电涌的对策」
在可能有雷电等超出继电器耐压值的电涌的地方, 请加电涌吸收 器等保护电路。一旦外加超出继电器耐压值的电压, 会导致线圈 接点之间或同极接点之间发生闪络及绝缘恶化。
3.-①-6 「关于多极继电器(2极以上的继电器)的负载连接」
为避免多极继电器的负载连接形成电位差电路,请按照下图a的方 法进行连接。如果在电位差电路中使用, 接点之间会发生电弧导 致的短路, 继电器及周围机器会遭到破坏。

3.-①-7 「马达正反转切换时」
马达正反转切换时, 会变成电位差电路, 因此请使用多个继电 器, 务必设置时间延迟(断电时间)。

3.-①-8「关于多极继电器(2极以上的继电器)的电源双刀切断」
如果由多极继电器构成电源双刀切断的电路, 请在考虑继电器的 结构, 不同极之间的沿面、空间距离, 有无电弧势垒等后选择机 种。选择后请在实际机器上进行确认后再使用。如果选择错误, 即使是额定值内的负载, 也会由于断开时发生的电弧造成不同极 之间的短路, 使继电器周围设备烧坏、破损。
3.-①-9 「关于a、b接点之间电弧引起的短路」
在有a、b接点的继电器中,如果a、b接点之间间隔较小,或开关 较大电流等情况时, 会由于电弧引起接点之间短路。
请不要采用因a、b、c接点短路引起过大电流流通, 致使烧坏的 电路结构。

3.-①-10 「关于1a1b接点继电器的1c使用」
请不要采用a、b、c接点短路连接时引起过大电流致使烧坏的电路 结构。而且, 在1a1b继电器中, 实施马达的正反转时有时也会流 过短路电流。
当a 接点和b 接点的非同时动作性形成接点MBB化而引起短路或 a、b接点的间隔较小时, 断开大电流等时, 会因为电弧引起接点 之间的短路。

3.-①-11 「关于不同容量的负载连接」
请不要用1个继电器同时开关较大负载和微小负载。
由于开关较大负载时产生的接点飞散物而导致微小负载开关用接 点不洁净, 有时微小负载开关接点处会发生接触不良。
3.-①-12 「关于接点的迁移」
所谓接点的迁移现象, 是指开关直流负载时, 一边接点融化或蒸 发后迁移到其他接点, 随着开关次数增加, 会产生凹凸, 继而该 凹凸会导致锁住状态, 恰似发生接点熔接。这种现象会经常在直 流的感性或容性负载下, 当电流值较大或浪涌电流较大时(数A ~数10A), 即接点闭合时会产生火花的电路中发生。
要消除这种现象, 可以采用接点保护电路或抗迁移的AgW、 AgCu接点。
在类似这种负载的情况下, 必须事先在实际机器上进行确认试 验。
②输入电路
3.-②-1 「关于最大容许电压」
线圈的最大容许电压除了从线圈温升和线圈绝缘层材料的耐热温 度(一旦超出耐热温度, 线圈会烧坏, 甚至发生局部短路) 。 求得之外, 还受到绝缘物体的热变化、劣化的影响, 甚至受到不 能损坏其他控制机器、不能对人体有害、不能引起火灾等重要因 素的制约, 因此请不要超出目录中记载的规定值。
最大容许电压是可以加到继电器线圈上的电压的最大值, 而不是 连续容许值。
3.-②-2 「关于线圈外加电压」
请在线圈上施加额定电压使用。如果施加动作电压以上的电压, 继电器会工作, 但为了保证规定的性能, 请在线圈上施加额定电 压使用。
3.-②-3 「关于线圈温升引起动作电压的变化」
在热启动状态及周围温度超出+23℃的状态下, 有时不能满足目 录中记载的动作电压的规定值, 因此请在实际使用状态下进行确 认。线圈的温度上升, 会造成线圈电阻增加, 动作电压会增高。 铜线的电阻温度系数为每1 ℃约0.4%, 线圈电阻以这个比例增 加。
目录中记载的动作电压、复位电压的规定值是线圈温度为+23 ℃ 时的值。
3.-②-4 「关于输入电压的外加电压波形」
加在线圈上的电压不要使用缓慢上升或缓慢下降的波形, 电源波 形以矩形波(正方形波) 为原则。还有, 也不要采用定限继电 器(当电压或电流达到某限定值时开(关)) 的使用方法。
在这样的电路中, 不能确保接点的同时动作性(在多极继电器 中, 接点动作会发生时间上的不一致), 由于每个动作的动作电 压不同等, 造成时序上的误动作。另外, 还会引起动作和复位时 间变长, 接点的耐久性下降及熔接。请务必采用直投法(瞬时 开, 瞬时关)。
3.-②-5 「关于线圈开路时的电涌防止」
线圈断开时由线圈引起的反向感应电压会导致半导体元件的破坏 及装置的误动作。
作为对策, 请在线圈两端添加电涌吸收电路或选择内置电涌吸收 电路的机种(例如: MY、LY、G2R等)。
另外, 在添加电涌吸收电路时, 继电器的复位时间会延长, 所以 请在实际使用电路上确认后使用。
另外, 对于二极管的重复峰值反向电压以及直流反向电压, 请使 用考虑了外部电涌的留有余地的二极管, 或使用平均整流电流超 过线圈电流的二极管。
请不要在线圈上并联连接感应负载等, 电源中含有电涌的条件下 使用。
会引起附加的(内置的) 线圈电涌吸收用二极管的损坏。
电涌吸收电路内置机种例
|
分类
|
对象机种
|
二极管内置型
(直流操作专用) |
G2R、MY
G6B、LY等 |
3.-②-6 「关于通向继电器线圈的漏电流」
请不要让漏电流流过继电器线圈。请使用改良例①、②那样的改 良电路。

3.-②-7 「关于低频率开关的使用」
如果在微小负载中采用低频率开关的使用方法, 请定期检查接点 的通电情况。如果长时间不进行接点的开关, 会由于接点表面生 成皮膜等导致接触不稳定。
另外, 如果在微小负载中采用低频率开关的使用方法, 请使用覆 Au横杆式双接点型继电器, 为避免万一发生接触不良或断线, 请 采用防故障电路设计。接点的通电检查频率根据使用环境、负载 种类等的不同而不同。
3.-②-8 「电源出发的配线距离较长时」
如果电源出发的配线距离(L)较长, 请务必在测定继电器线圈端子 两端的电压后, 根据施加规定电压的原则设定电源电压。
如果和动力线等并行进行长距离配线, 当线圈输入电源断开时, 继电器两端会由于电线的杂散电容产生电压, 造成复位不良。 在这样的情况下, 请在线圈两端连接泄放电阻。

(参考)
在MY4 AC100/110V中的泄放电阻
杂数电容(μF) |
电阻值(KΩ) |
瓦特数(W) |
0.05以下 |
不要 |
—— |
0.05~0.15 |
7 |
2 |
0.15~0.17 |
6 |
2.5 |
0.17~0.19 |
5 |
3 |
0.19~0.23 |
4 |
4 |
0.23~0.30 |
3 |
5 |
0.30~0.42 |
2 |
8 |
0.42以上 |
1 |
15 |
在MY4 AC200/220V中的泄放电阻
杂数电容(μF) |
电阻值(KΩ) |
瓦特数(W) |
0.01以下 |
不要 |
—— |
0.01~0.12 |
8 |
8 |
0.12~0.14 |
7 |
9 |
0.14~0.15 |
6 |
10 |
0.15~0.18 |
5 |
12 |
0.18以上 |
4 |
15 |
注1. CVV电缆 :导体公称截面积2mm2 (7芯) ,线间杂散电容为0.15~0.25 (μF/km)
注2. 电阻的瓦特数为参考值。请务必在实际使用电路中进行确认。
3.-②-9 「构成时序电路时」
构成时序电路时, 请避免循环造成误动作等引起的异常动作。
制作时序电路时的要点, 如下图所示。在两根电源线中, 请务必 将上侧的线作为○+, 下侧的线作为○- (交流电路中也采用同样的 方法), 必须在○+侧连接接点电路(继电器接点等)。

并在○- 侧连接负载电路(继电器线圈、计时线圈、磁性线圈、 螺线管等)。
下图是循环电路的例子。接点A、B、C闭合, 继电器X1、X2、 X3动作后,接点B、C打开,则形成A→X1→X2→X3的串联电路, 继电器发出蜂鸣声, 导致复位不良。

下图是对上图进行修改后正确的电路例子。另外在直流电路中, 可以通过二极管防止循环。

3.-②-10 「关于继电器的接地」
如果在高温、高湿中使用继电器, 请不要接地。采用接地的方 法, 会产生电蚀, 导致线圈断线。另外, 请按照以下方法做。
3.-②-11 「使用直流操作型继电器时
(1)关于输入电源的纹波」
直流操作型的继电器的操作电源, 请使用纹波系数在5%以下的电 源加到线圈两端的直流电压的纹波(脉动电流) 增加会导致蜂 鸣。

3.-②-12 「使用直流操作型继电器时
(2)关于线圈极性」
请确认目录的各继电器端子No.和外加电源的极性后正确连接。 如果是附加了抑制线圈电涌用二极管的继电器或带有动作显示的 继电器等的场合, 一旦线圈外加电源的极性接反, 会引起继电器 的动作不良、二极管的破坏、动作显示灯不亮。
如果是带有二极管的继电器, 还会因电路短路造成电路内机器的 破损。
此外, 如果是磁路中使用永久磁铁的有极继电器, 如果连接到线 圈上的电源极性接反, 继电器将不工作。
3.-②-13 「使用直流操作型继电器时
(3) 关于线圈外加电压不足」
一旦加到线圈上的电压不足, 继电器会不工作, 或动作不稳定, 将引起接点的耐久性下降或熔接等接点障碍。
特别是大型马达等, 当接通电源时, 在产生较大浪涌电流的负载 动作瞬间, 加到继电器线圈上的电压有时会下降。如果继电器在 电压不足的状态下工作, 即使是规格书以及目录等中规定的规格 以内的振动、冲击值, 也会引起继电器误动作。因此, 请在继电 器的线圈上施加额定电压。
3.-②-14 「使用交流操作型继电器时
(1)关于输入电源的电压振动」
对于电源电压的变动, 请向线圈施加各继电器可以完全动作的电 压。如果向线圈施加(连续施加) 不能使继电器完全动作的电 压, 线圈会异常发热, 致使线圈烧坏。另外, 如果在和继电器的 操作电路的同一电源线路上连接马达、螺线管、变压器等, 当那 些装置工作时, 电源电压会降低, 继电器的接点从而发生振动, 引起接点烧坏、熔接、或不能自保。特别是通过小型变压器时以 及变压器没有充裕容量时, 如果配线较长, 或家庭用、商店用等 配线较细的情况下会出现这种使用方法。如果发生类似故障的情 况下, 请使用同步示波器等正确调整电压的变化情况, 在采取对 策的同时, 采用适当的继电器或变换为直流电路, 在下图所示电 路中通过电容器吸收电压变动。

3.-②-15 「使用交流操作型继电器时
(2)关于动作时间」
请进行使不发生动作时间离散的电路设计。
如果是交流操作型继电器, 根据线圈输入电压的接入相位的不 同, 动作时间会不一致。小型的继电器大约相差半周(10ms), 大 型继电器大约相差1周(20ms)。
3.-②-16 「使用交流操作型继电器时
(3) 关于线圈外加电压波形」
在交流操作型继电器中, 外加到线圈上的电压必须是正弦波形 (sine curve)。如果将商用电源直接加到线圈上, 没有什么问题, 但使用变频电源时, 由于该装置的波形不正, 会引起峰鸣音以及 线圈的异常发热。
交流线圈是由屏蔽线圈停止蜂鸣音的结构, 这是为了防止由于波 形畸变引发该现象。
3.-②-17 「使用闭锁继电器时
(1) 关于直流操作型闭锁继电器的线圈极性
」 请在确认目录的各继电器端子No.和外加电源的极性后正确连接。
如果是直流操作型闭锁继电器, 一旦外加电压极性接反, 将引起 误动作以及置位不良、复位不良。
3.-②-18 「使用闭锁继电器时
(2) 关于驱动电路」
将导致固有接点处的励磁不能正常维持。请不要在下图所示的电 路中使用。

请如下图所示使用。

3.-②-19 「使用闭锁继电器时
(3) 关于同时施加到置位、复位线圈上」
请不要将电压同时施加到置位线圈和复位线圈上。如果同时向置 位线圈和复位线圈长时间施加电压, 将引起线圈的异常发热及烧 坏或异常动作等。
-②-20 「使用闭锁继电器时
(4) 关于直流输入的电路设计」
当置位线圈或复位线圈上并联连接其他继电器的线圈或螺线管 时, 由于继电器的线圈或螺线管的反向感应电压引起动作不良。 请更改电路或按下图所示连接二极管解决此问题。
电路上的注意

3.-②-21 「使用闭锁继电器时
(5)关于闭锁继电器保持力的历时衰减」
如果在置位的状态下长时间使用磁保持型闭锁型继电器, 有时磁 力会经过长时间变化而衰减, 保持力的下降引起置位状态的解 除。这属于半硬质磁性材料的性质, 对于经时的衰减率也会随周 围环境(温度、湿度、振动、有无外部磁场)的不同而不一样。 请1年保养1次以上(复位后再施加额定电压, 进行置位)。(对 象机种: G2RK、MYK、G2AK、MKK)。
3.-②-22 「关于负载开关频率」
负载开关可能的动作频率随负载的种类、电压、电流不同, 所以 请务必在实际机器上进行确认。如果进行了负载开关不允许的高 频率开关, 则会由于接点之间的电弧连接、短路导致不能开关。
3.-②-23 「关于交流负载开关中的相位同步」
开关时, 开关的相位应是随机的。如果继电器的驱动定时和负载 电源的相位同步时, 则会引起接点熔接、锁定等接触障碍。请在 实际机器上进行确认。
目录上记载的额定值是随机相位状态下的数值。
③实际安装设计
3.-③-1 「关于导线直径」
有关连接, 导线的直径应根据负载电流的大小决定。 请使用下表中表示的横断面积以上的导线作为标准。 如果导线较细, 会由于导线的异常发热而烧坏。
容许电流(A)
|
横断面积(mm2)
|
6 |
0.75 |
10 |
1.25 |
15 |
2 |
20 |
3.5 |
3.-③-2 「使用插座时」
请确认继电器和插座的额定值后在较低一侧的额定值范围内使 用。有时继电器和插座的额定值不同, 一旦在较高一侧的额定值 内使用时, 将引起连接部位的异常发热、烧坏。
3.-③-3 「关于安装方向」
有些根据机种指定安装方向, 因此请通过目录进行确认后在正确 的安装方向上使用。
3.-③-4 「靠近计算机等时」
如果在靠近计算机等抵抗外来噪音能力较弱的设备时, 请进行考 虑了噪音对策的模式设计或电路设计。
在使用计算机等驱动继电器, 在继电器接点处开关大电流的情况 下, 电弧产生的噪音会引起计算机的误动作。
3.-③-5 「关于闭锁继电器的实际安装」
请不要让同一面板、基板上的其他设备(继电器等) 在动作、 复位时产生的振动、冲击超出目录上的规定值。否则会引起闭锁 继电器的置位(或复位) 状态改变。
闭锁继电器在复位状态下购入, 但如果施加异常的振动、冲击, 有时会变成置位状态。请务必在使用时事先施加复位信号后使 用。
4.关于使用环境以及保管环境
4.-1 「关于使用·保管·运送环境」
使用、保管、运输时请避免阳光直射,保持常温、常湿、常压。 ·如果在高温多湿的环境中长时间放置或使用, 接点表面会形成 氧化膜或硫化覆膜, 导致接触不良等故障。
·如果在高温多湿的环境中周围温度发生急剧变化, 继电器内部 会结露, 该结露会导致绝缘不良、绝缘材料表面漏电(导电现 象), 引起绝缘恶化。
另外在湿度较高的环境中, 伴随较大电弧放电的负载开关中, 继电器内部有时会产生蓝绿色的腐蚀生成物。为了防止这些物 质的产生, 建议您在湿度较低的环境中使用。
·如果要在长时期保管后使用继电器, 请检查通电情况后再使 用。即使在完全不使用继电器一直保管的情况下, 接点表面也 会发生化学性变化等, 引起接触不稳定、接触障碍, 有时会发 生端子的焊接性下降。
4.-2 「关于使用环境」
·请绝对禁止在易燃气体或易爆气体环境中使用。继电器开关时 发生的电弧及发热有引发着火、爆炸的危险。
·请不要在周围存在灰尘的环境中使用。否则继电器内部有尘埃 进入, 导致接点接触不良。如果不得已要在这样的环境中使 用, 请考虑是否使用将继电器密封起来的塑料密封型、金属密 封型。
4.-3「关于恶性气体(硅、硫化气体、有机气体)环境中的使用」 请不要在周围存在硅气体及硫化气体(SO2、H2S)、有机气体的环 境中使用。
如果在硫化气体或有机气体环境中长时间放置或使用继电器, 接 点表面有时会腐蚀, 发生接触不稳定及接触障碍, 端子的焊接性 下降。
还有, 如果在硅气体环境中长时间放置或使用继电器, 接点表面 会生成硅膜, 导致接触不良。
如果进行下表内的处理, 恶性气体的影响会降低。
项目
|
处理
|
外箱·外壳部位 |
采用使用了密封垫圈等的密封结构。 |
继电器 |
使用塑料密封继电器(但不包括硅环境)或密封的
继电器。 |
基板·铜箔部位 |
采用涂层处理 |
连接器部位 |
采用镀金、镀铑处理。 |
4.-4 「关于水、药品、溶剂、油的附着」
请不要在附着水、药品、溶剂、油的环境中使用、保管。如果 继电器上附着水、药品的话, 将引起生锈、腐蚀、树脂劣化以及 漏电导致烧坏。稀释剂、汽油等溶剂附着还会导致标记消失或零 件劣化。
如果透明外壳(聚碳酸酯制) 上附着油, 则会发生外壳的白浊或 外壳上产生裂纹。
4.-5 「关于振动、冲击」
请不要对继电器施加额定值以上的振动、冲击。
一旦施加异常的振动、冲击, 不但会引起误动作, 还会由于继电 器内部部件变形、破损等导致动作不良。而且, 为了不向继电器 施加异常振动, 请在不会受到产生振动的机器类(马达等) 影响 的场所, 采用适当的方法进行安装(实际安装)。
4.-6 「关于外部磁场」
请不要在存在800A/m以上外部磁场的场所使用。
如果在存在较强外部磁场的场所使用, 会引起误动作。
另外, 开关时接点之间发生的电弧放电会被磁场压弯、发生短 路, 绝缘不良。

4.-7 「关于外部负荷」
请不要在从外部向继电器施加负荷的状态下使用或保管。否则将 不能维持继电器的初始性能。
4.-8 「关于磁性粒子的附着」
请不要在存在较多磁性粒子的环境中使用继电器。
外壳上附着磁性粒子, 将不能维持其性能。
5.关于继电器的实际安装作业
①插座用继电器
5.-①-1 「关于表面连接插座」
(1) 插座安装螺钉安装
表面连接插座时,请在安装孔加工后用螺钉紧固。如果插座安 装螺钉有松动, 会由于振动· 冲击引起插座和继电器脱离以 及导线的脱离。
还备有35mm宽度DIN规格导轨上能单触式安装的表面连接插 座。
(2) 导线的螺钉紧固连接
导线的螺钉紧固连接请以以下转矩用螺钉紧固连接导线。
①M3螺钉插座 : 0.78~1.18N · m
②M3.5 螺钉插座 : 0.78~1.18N · m
③M4 螺钉插座 : 0.98~1.37N · m
在表面连接插座用螺钉紧固连接的场合, 一旦螺钉没有紧固, 会产生导线松脱,以及由于接触不良导致异常发热或起火。此 外如果过紧, 也会使螺帽损坏。
(3) 为了维持继电器和插座的切实连接, 请使用固定零件。
如果外加异常的振动、冲击, 会导致继电器从插座上脱开。
5.-①-2 「关于继电器的插拔方向」
插拔继电器和插座时, 请和插座表面成垂直方向进行。

如果倾斜插拔继电器, 会发生继电器本体端子的变曲, 及插座的 接触不良等故障。
-①-3 「关于背面连接插座」
请注意以下几点正确安装。
背面连接插座(PY/PT)为单触式安装。
(请使用厚度为1~2mm的面板)

(1) 请将端子的配线一侧作为背面, 插入到加工后的安装孔中。

(2) 用螺丝刀等按住安装用配件的带状部位, 直到侧面的突起部分 高出面板的背面为止。

(3) 当4处突起部分全部露出背面时, 安装结束, 插座被固定。
(4) 拆除时, 将安装配件的突起部分按向插座侧面, 同时从背面 (配线侧) 轻轻按下整个插座, 这样就可以从面板上拆下。

如果安装面板的厚度不适当或安装方法有误, 插座则不能安装, 或发生分离。
5.-①-4「关于向搭接端子用插座的配线」
请参照右表,正确安装。
如果配线方法不正确,会导致导线脱离。
|
项目
型号
|
卷绕形式 |
型号位) |
使用导线 |
导线的覆长度(mm) |
有效圈数(次) |
标准端子(mm) |
拉拔力(kg) |
适合套管 |
AWG |
φ |
PY□QN |
被覆1圈 |
21-A |
26 |
0.4 |
43~44 |
约8 |
1×1 |
3~9 |
1-B |
22-A |
24 |
0.5 |
36~37 |
约6 |
4~13 |
2-B |
23-A |
22 |
0.65 |
41~42 |
4~15 |
20-B |
PT□QN |
普通圈 |
20-A |
20 |
0.8 |
37~38 |
约4 |
1.0×1.5 |
5~15 |
注. PY□Q型号使用φ 0.65电线可以盘卷绕6圈。
PT□QN型号使用φ 0.8电线可以盘卷绕4圈。
5.-①-5 「关于端子的焊接」
在一般继电器中的焊接, 请按照以下注意事项, 进行手动操作焊 接。
①请将烙铁头平滑处理后,进行焊接。
· 焊剂: JIS Z3282、1160A或1163A含有树脂(松香)
· 电烙铁: 30~60W
· 烙铁头温度: +280~+300℃
· 焊接时间: 3秒以内
②从继电器的构成材料的适合性
出发请使用非腐蚀性的松香类助
焊剂。请使用化学作用较少的乙醇族作为助焊的溶剂。
③另外, 如上图所示, 将助焊剂放入焊锡的断面, 可防止助焊剂 的飞散。
端子焊接时, 请不要使焊剂、助焊剂、溶剂等附着到继电器端子 以外的部分上。如焊剂、助焊剂、溶剂进入继电器内部, 会导致 绝缘劣化及接触不良。
5.-①-6 「关于导线向继电器端子的绕接」
导线对继电器端子的绕接应卷绕。

把导线焊接到继电器端子时, 如果卷绕不充分, 较小的拉力及振 动、冲击就会导致导线脱离。
另外, 请绝对不要向接线片端子焊接导线。
5.-①-7 「关于导线的长度以及末端处理」
配线中应使导线有适当的余量, 不要过分向端子外加力(约20N 以上)。同时请对末端进行处理, 避免因触须等引起的短路。

5.-①-8 「关于夹具」
在安装、拆除夹具中, 请不要使夹具发生变形。另外请不要使用 曾经变形的夹具。
继电器上外加过度的力, 不能维持其特性, 相反如不能使其获得 充分的保持力, 继电器发生松动, 会导致接触不良等故障。
②印刷基板用继电器
5.-②-1 「关于超声波清洗」
请不要对非超声波清洗对应型继电器进行超声波清洗。一旦进行 了超声波清洗, 会由于超声波引起继电器内部构成部件共振, 导 致接点粘着、线圈断线。
③共通项目
5.-③-1 「关于禁止对接线片端子进行焊接」
请不要向接线片端子焊接导线。否则会由于继电器的结构变形以 及助焊剂的浸入导致接触不良。
5.-③-2 「关于外壳拆卸、端子切割」
请勿进行外壳的拆卸及端子的切割。拆卸外壳、切割端子会损坏 初始性能。
5.-③-3 「端子变形的场合」
请不要对由错误操作导致变形的端子勉强修理后使用。在这样的 情况下, 继电器上施加过分的力, 则不能保持其初始性能。
5.-③-4 「关于继电器的更换、配线作业」
在对继电器进行更换、配线作业时, 请务必断开线圈以及负载侧 的电源, 确认安全后再实施作业。
5.-③-5 「关于实施涂敷、填密」
请不要使继电器内部流入助焊剂、涂敷剂、填密树脂等。一旦继 电器内部有助焊剂、涂敷剂、填密树脂等进入, 将导致接触不 良、动作不良等。
实施涂敷、填密时, 请使用塑料密封型继电器。
另外, 请使用不含有硅成分的涂敷剂、填密树脂。
涂料剂的种类
项目
种类
|
可否使用于
印刷基板
|
特征
|
环氧族 |
可 |
绝缘性良好。
操作性上稍有难度。 |
氯基甲酸乙酯族 |
可 |
绝缘性、涂敷操作性良好。
溶剂中信那水含量较多,
操作时不易附着于继电器。 |
硅族 |
可 |
绝缘性、涂敷操作性良好。
硅气体可能造成继电器的接触不良。 |
6.关于继电器的使用
6.-1 「关于振动、冲击」
继电器是精密部件, 所以无论在实际安装前后, 都不要施加超出 规格值的振动、冲击。可以保证的振动、冲击值根据继电器的不 同进行个别规定, 因此请确认目录中各继电器的项目。
如果在继电器上施加了异常的振动、冲击, 则不能维持其初始性 能。
另外, 即使在包装状态中, 也同样请不要外加超出额定值的振 动、冲击。
6.-2 「关于测试按钮」
如果错误地触动测试按钮, 接点会打开, 请注意。
为了确认电路的导通检查等, 请使用测试按钮。
7.关于印刷基板用继电器
7.-1 「印刷基板的选择
(1)基板的材质」
基板的材质中大致可以分为环氧族和苯酚族。其各自特征如下。 请考虑用途及经济性后选择。作为继电器搭载基板, 从解决焊接 裂纹问题方面考虑也建议您使用环氧族。
项目
材质
|
环氧族 |
苯酚族 |
玻璃布基环氧
(GE) |
纸基环氧
(PE) |
纸基本酚
(PP) |
|
电气特性
|
·绝缘电阻高。
·吸湿造成绝缘电阻的下降小。 |
GE和PP的中间 |
初期具有较高绝缘电阻,但容易由于湿气而下降。 |
|
机械特性
|
·温、湿度变化带来的尺寸变化小。
·适合通孔基板、多层基板 |
GE和PP的中间 |
·温、湿度变化带来的尺寸变化大。
·不适于通孔基板。 |
|
经济性
|
价格较高 |
价格偏高 |
价格偏高 |
|
用性
|
需要高可靠性的场合等 |
GE和PP中间的用信途 |
环境比较好,配线密度小的场合 |
7.-2 「印刷基板的选择
(2)基板的厚度」
如果因为线路板的大小、实际安装到线路板上部件的重量、线路 板的安装方法、使用温度等而发生线路板断裂, 会导致继电器内 部结构产生变形, 使规定的性能变差。因此, 请同时在考虑材质 的基础上决定板的厚度。
线路板的厚度一般为t=0.8、1.2、1.6、2.0mm, 但如果考虑继电 器端子长度时, 则1.6mm最为合适。

7.-3 「印刷基板的选择
(3)端子孔直径以及焊盘直径」
标准请以使用的继电器的印刷基板加工尺寸图为基础的上表为标 准, 选择孔直径以及焊盘直径。但是, 经过通孔镀层处理的焊盘 直径可以小于下表中的值。
孔径φ(mm) |
最小焊盘直径φ(mm) |
名义值 |
公差 |
0.6 |
±0.1 |
1.5 |
0.8 |
1.8 |
1.0 |
2.0 |
1.2 |
2.5 |
1.3 |
2.5 |
1.5 |
3.0 |
1.6 |
3.0 |
2.0 |
3.0 |
7.-4 「关于安装间隔」
①环境温度
对于继电器的安装间隔, 请在确认个别的目录后, 务必留出超出 个别安装间隔的规定值以上的间隔后实际安装。如果安装2个以上 继电器, 有时由于相互作用会异常发热。
另外通过安装插件板导轨等重叠安装数块基板也同样会引起温度 的异常上升。在安装继电器中, 请留出间隔, 使其不要过热, 将 继电器的环境温度控制在规定的使用温度范围内。
②关于相互磁干扰
如果安装2个以上继电器,各个继电器产生的磁场会相互干扰,有 时继电器的特性会由此发生变化。请务必在实际机器上确认后使 用。
7.-5 「关于针对噪音对策的模式设计」
①线圈发出的噪音
断开线圈时, 线圈两端会产生反电动势, 发出脉冲噪音, 因此请 连接用于吸收电涌的二极管。减少噪音传播的电路举例如下所 示。

②接点发出的噪音
在接点部位开关马达、晶体管等产生浪涌的负载时, 噪音可能会 传播到电子电路中, 因此请在线路图形设计时考虑以下3点。
1.传输信号用图形不能接近接点部的图形。
2.缩短成为噪音源的图形的长度。
3.设置接地图形等将电子回路屏蔽。
③高频用图形
如果使用频率变高, 图形间的相互干扰也会增大。因此, 请设计 考虑了噪音对策的高频用图形的形状、焊盘形状。
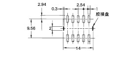
7.-6 「关于焊盘形状」
(1) 为了使焊接轮廓线均一,请将焊盘部分设置在铜箔线型的中心 线上。

(2) 自动焊接后,通过手动焊接事后安装零件及继电器时,可以在 焊盘的部分位置设置缺口部位, 确保端子孔。

(3) 如果是用于表面实际安装的继电器,请在考虑了安装物的实际 安装精度后确定焊盘的尺寸。

焊盘的尺寸请分别参见目录。
〔例〕G6H-2F焊盘的尺寸

7.-7关于图形的导体宽度以及厚度
铜箔的标准厚度有35μm、70μm, 导体宽度由通电电流和容许温 升确定。作为简易的标准, 请灵活运用以下图表。
导体宽度和容许电流(根据IEC Pub326-3)

7.-8 「关于图形的导体间隔」
导体间隔由绝缘特性以及向导施加的环境应力的状况等确定。一 般情况下, 请参考各图。但是, 按照安全标准(电气用品安全 法、UL、CSA、VDE等) 制作时, 这些标准优先。另外, 作 为增大导体间隔的方法, 也可以使用多层基板。
使用电压和导体间隔(IEC Pub326-3)

7.-9 「关于印刷基板的固定方法」
印刷基板有时会因为外部振动、冲击和基板共振而使幅度增大、 振动持续时间变长。
请考虑下表后采取固定方法。
安装状态 |
对策 |
机架安装 |
装入无间隙的导轨 |
螺钉安装 |
·用螺钉紧固。安装继电器等重物配置在螺钉紧固部位的周围。
·对于音响等不希望有振动噪音的产品,在紧固部位放入橡胶垫圈等缓冲材料。 |
7.-10 「1单绕组闭锁继电器的省功耗驱动电路例」
·采用一般的开关输入脉冲作为一般继电器功能的驱动电路例。
·置位时, 经过D1、C、闭锁继电器、D2, 通过C的冲击性充电 电置位继电器(使其闭锁)。
·复位时, 经过TR、C、闭锁继电器, 通过C的放电电流进行。

7.-11关于印刷基板用继电器的焊接条件
详情请询欧姆龙代表处。
①自动焊接
· 焊接温度: 约250℃ (DWS的场合, 约260℃)
· 焊接时间: 5秒以内(DWS的场合, 第1次2秒, 第2次3秒)
②手动焊接
·烙铁头: 30~60W
·烙铁头温度: 280~300℃
·焊接时间: 3秒以内
故障解析
下表中记载了继电器动作发生问题时的故障分析表。请根据下表 对电路等进行检查。另外, 如果电路检查时没有发现异常, 估计 故障来自于继电器时, 请向本公司销售人员咨询(请不要拆开继 电器。否则会导致故障原因无法确定)。
继电器由线圈部分、接点部分、铁芯部分、其他结构部分组成, 但这些部分中最容易出现故障的是接点部位, 其次是线圈部位。 可是, 这些故障大部分是因为使用方法、使用条件等外部原因造 成, 因此可以在使用之前进行充分研究, 作出正确选择后可以防 止大部分故障的发生。
下表列举了有关继电器的主要故障模式, 并列出了可能的原因和 对策。
故障
|
原因
|
对策
|
(1)动作不良 |
①线圈额定电压选择错误
②配线不良
③没有输入信号
④电源电压的下降
⑤电路电压的下降
(特别是附近的大型机器工作时或长距离配线时要注意)
⑥使用环境温度上升引起工作电压(感应电压)的上升
(特别是直流型)
⑦线圈断线 |
①重新选择额定电压
②线圈端子之间的电压确认
③线圈端子之间的电压确认
④电源电压的确认
⑤电路电压的确认
⑥继电器的单独动作测试
⑦ ·由烧坏引起时参照(3)项
·由电气腐蚀作用引起时,要确认线圈电压的外加极性 |
(2)复位不良 |
①输入信号断开不良
②迂回线路引起向线圈外加电压
③半导体电路等组合电路引起残留电压
④线圈和电容器并联引起复位延迟
⑤接点的熔接 |
①线圈端子之间的电压确认
②线圈端子之间的电压确认
③线圈端子之间的电压确认
④线圈端子之间的电压确认
⑤有关熔接,请参照(4)项 |
(3)线圈烧坏 |
①线圈外加电压不合适
②线圈额定电压选择错误
③线圈层间短路 |
①重新选择额定电压
②使用环境的再次确认
③使用环境的再次确认 |
(4)接点熔接 |
①连接负载设备过大(接点容量不足)
②开关频率过大
③负载电路的短路
④蜂鸣导致接点的异常开关
⑤达到规定的耐久次数 |
①负载容量的确认
②开关次数的确认
③负载电路的确认
④参照(7)项的蜂鸣章节
⑤接点额定值的确认 |
(5)接触不良 |
①接点表面的氧化
②接点的磨损、劣化
③使用不良导致端子错位及接点错位 |
① ·使用环境的再次确认
·重新选择继电器
②达到规定的耐久次数
③使用时注意
·耐振动、冲击
·焊接作业 |
(6)接点的异常消耗 |
①继电器选择不适合
②对负载机器考虑不足(特别是马达负载、螺线管负载、 灯负载)
③无接点保护电路
④邻接接点之间耐压不足 |
①重新选择
②重新选择
③追加火花消弧电路等
④重新选择继电器 |
(7)蜂鸣 |
①线圈外加电压的不足
②电源纹波过大(直流型)
③线圈额定电压选择错误
④输入电压缓慢上升
⑤铁芯部位的磨损
⑥可动铁片和铁芯之间混入异物 |
①线圈端子之间的电压确认
②纹波系数的确认
③重新选择额定电压
④电路的添加更改
⑤达到规定的耐久次数
⑥除去异物 |
「控制设备的正确使用方法」(NECA发行) 控制用继电器篇
终端继电器 使用注意事项

●各产品的个别注意事项,请参见各产品的「请正确使用」栏。
●安装
要连接多个进行安装时, 考虑继电器自身发热, 应使其保持在55 ℃以下, 或设置间隔等。(G3S4型为80℃)
●继电器的更换
·拆卸G6B-4CB、G6B-4 □□ ND、G3S4型继电器时,如右图 所示请使用工具(P6B-Y1)。
·G6B-F4B/-4B、G3DZ-F4B/- 4B, 请使用终端继电器上所带 的拆卸工具。
·更换继电器时, 请务必在切断 电源的状态下进行。
·安装继电器时, 请垂直插入, 以使继电器端子牢固插入插座接插件插针内。
·G6B-48BND (高可靠性型) 中为提高可靠性, 直接焊接到基 板, 因此不可更换继电器。
·不可混有异种电压规格的继电器。

●布线
请注意输入侧○+、○-的极性。另外,G3S4-D型中在输出侧也有极 性, 敬请注意。
●线圈外加电压
·请勿连续施加超过最大容许电压的线圈外加电压。
·在线圈输入中平行连接其他 感性负载等时, 当电源中含 有浪涌时,请勿使用。否则 浪涌吸收用二极管会破损。

●使用
·请勿使产品落下, 施加异常的振动冲击或者在端子上施加蛮 力。
·使用时请事先确认继电器是否有上浮。
●安装螺钉的紧固
·端子螺钉的紧固转矩
0.78~1.18N · m
·在面板等上直接固定螺钉时
0.59~0.98N · m
●设置场所
请勿设置在以下场所, 可能会导致故障及误动作。
·阳光直射处。
·环境温度超过0~55℃范围的地方。
·相对湿度超出10~90%范围的地方, 温度变化急剧, 发生结露 的地方。
·有腐蚀性气体、可燃性气体的地方。
·尘埃、盐分、铁粉多的地方。
·在本体上直接传递振动、冲击的地方。
·有水、油、药品等飞沫的地方。
●分解
请勿进行分解、修理、改造。否则妨碍正常的动作, 引起触电 等。
●配备继电器
终端继电器型号 |
配备继电器型号 |
G6D-4B/-F4B |
G6D-1A-ASI |
G6DZ-4B/-F4B |
G3DZ-2R6PL |
G6B-4CB |
G6B-2114P-US |
G6B-4BND
G6B-4FB1ND
G6B-4FPND |
G6B-1114P-FD-US |
G6B-47BND |
G6B-1174P-FD-US |
注1. G6B-48BND的继电器不可更换。
注2. 插座的电压规格和继电器的电压规格必须吻合。
注3. 不可混入异种电压规格的继电器。
一般继电器 Q&A

Q1:
请教适合微小负载开关双接点的继电器的型号。
A1:
在微小负载开关中, 推荐可靠性高的横臂双接点或双 接点的继电器。
〈代表性系列名称〉
G2A系列、MY4Z-CBG系列................ 横臂双接点
MY4Z系列、MK□ZP系列................ 双接点
Q2:
并列连接2个继电器接点后, 开关容量会是2倍吗?
A2:
不会是2倍。
实际上由于2个接点并不总是同时ON/OFF (时间多少 有偏差),因此在某个瞬间, 1个接点上会承受所有负 担。

Q3:
动作时间、复位时间包含反弹时间吗?
A3:
不含反弹时间。
动作时间→线圈上通电后到a接点(接通接点) 为ON 之前的时间。
复位时间→将线圈OFF后, 到a 接点(接通接点) 为 OFF之前的时间(c接点的情况下, 为到b 接点之前的时间)

Q4:
请教线圈电压AC100/ (110) V机型中( )的含义。
A4:
AC100/(110)表示线圈是额定品3。
额定品3
AC100 50Hz
AC100V 60Hz
AC110V 60Hz
AC100/110V为额定品4, AC110V 50Hz也为额定。
MY、LY系列等中也有额定品4。
Q5:
请教如何考虑微小负载领域下的接触可靠性
A5:
开关微小负载时, 有时接点的接触电阻可能会成为问 题。
即使产生偶发性的高接触电阻值, 在下一个动作也会 恢复。
另外, 由于生成接点保护膜等, 有时接触电阻值会上 升。
关于接触电阻值, 该值是否为故障, 应根据使用电路 上是否产生问题来判断。
因此, 继电器接触电阻的故障标准仅规定初始值, 最 小适用负载作为一个标准, 通过P水准(参考值) 等 来表现故障率。
另外, 继电器接点中有的接点适合微小负载开关, 有 的并不适合。
一般继电器 参考资料

■外部条件、环境、周围环境对继电器的影响
●线圈
与电源的关系
(1) 在直流继电器中、
线圈电流=外加电压/线圈电阻
(2) 在交流继电器中,线圈的电感系数产生影响,因此需要考虑线 圈阻抗。
另外,线圈阻抗根据频率而发生变化,如果以60Hz下的特性为 100%, 在50Hz下使用同一继电器时, 其特性如下表所示。但 是, 根据继电器不同, 该值也会发生变化, 因此使用前请确 认。
额定电流、消耗功率、温度上升 |
约 117% |
动作电流 |
约 100% |
动作电压、复位电压 |
约 85% |
(3) 关于线圈应注意以下几点: 在DC 操作继电器中, 带动作表 示、带浪涌吸收用二极管继电器及保持继电器的情况下有极 性。极性弄错可能会导致元件损坏、动作不良, 敬请注意。 如果在AC操作继电器上外加DC电压,线圈发热,可能造成烧 损。相反如果在DC操作继电器上外加AC电压,可动铁片反复 振动, 不能正常动作。
与温度的关系
线圈中所使用的铜线的电阻, 对于温度变化, 约受0.4%/℃的影 响。这种情况直接对继电器的动作特性产生影响。
这使电磁铁产生吸引力,使线圈电流发生变化。在交流操作继电器 中, 由于线圈直流电阻的比率相对于线圈阻抗较小, 温度引起的 动作特性(动作电压· 复位电压) 的变化也变少。
另外, 在直流电压操作的继电器中, 线圈电阻的变化对线圈的温 度上升产生影响。这是根据线圈电流的变化, 引起消费功率的增 减, 温度上升值仅根据温度所引起的线圈电流变化率而进行变 化。代表性示例如下所示。

环境温度的定义
继电器自身的发热、其他设备的发热使控制柜内的温度上升。
使用环境温度应为盒子内继电器附近的温度。

电气腐蚀
继电器线圈在非工作状态下 暴露在高温、高湿的环境 中, 而且线圈卷线和铁芯等 其他金属之间有电位差时, 如果它们之间的绝缘不充 分, 两者间流通的离子化电 流, 将可能腐蚀线圈上所卷 的铜线。 与在金属上进行电镀的作用 相同,通过酸、碱等,将可 促进该作用。 在以往的继电器中, 往往忽 视这种现象, 但是最近在卷 轴材方面开发出了特性较好 的塑料, 而且卷线的绝缘材 也开发出了聚氨酯类、聚 脂、聚酰胺、氟树脂等特性 优良的材料, 减少了一部分 危险性。要防止电气腐蚀, 应避免在高温、高湿中保管 及使用。在电路构成方面应 注意开关的位置, 使其不在 卷线上施加+电位, 需要考 虑+接地等。 右边列举了良性示例和不良 示例。
|
  
|
●动作时间
与形状和动作时间的关系
继电器的动作时间由延迟时间(线圈时间常数、惯性力矩引起 的)、接点切换时间等决定, 但是这些值根据继电器的形状而不 同。例如, 铁芯和可动铁片之间空隙较大的继电器, 带电磁铁 (使用磁气电阻较大的材质) 的继电器中, 为降低其电感系数的 值而缩小时间常数, 但反而减少了吸引力, 吸引可动铁片所需的 时间也变长。这种倾向, 在直流操作继电器中尤为显著。因为电 磁铁的吸引力与铁芯、可动铁片间的空隙的平方成反比, 降低后 发生这种现象。因此在高速继电器中, 可缩小空隙, 使用高透磁 率材料, 减少线圈卷线等。
在交流操作下, 由于启动时流通的电流大于额定电流, 与直流操 作不同, 与形状无关。
此外, 对于惯性力矩, 间接驱动形比较有效, 在可动铁片开始动 作时不会施加较大的负载载荷。
另外, 接点的切换时间几乎由可动铁片的动作直接传达, 因此其 动作应尽可能地小, 而且为通过动作全行程顺利动作, 要考虑载 荷和吸引力的平衡。接点的反弹受可动铁片的动作速度, 可动部 分的重量, 接点弹簧的弹性等要素的影响。
一般接点弹簧、接触片的形状、制动块的构造等应缓和动作时的 冲击能量。
线圈外加电压(电流)与动作时间的关系 继电器的动作时间受线圈的外加电压(电流) 支配。如下图所 示, 施加若干超出动作电压的电压时, 线圈电流达到动作电流之 前的时间;克服可动部惯性到可动部开始动作之前的时间;吸引 力克服负载载荷, 可动部加速, 接点切换之前的时间, 由于任何 一个都延长, 因此其动作时间也大幅延长。
另一方面, 施加大幅超过动作电压的电压时, 任何一个都缩短, 动作时间也提前。
线圈外加电压和动作时间的关系如上所述, 但线圈外加电压与其 他特性也有关系, 因此规定了线圈额定电压。

线圈温度和动作
继电器温度一发生变化, 继电器接点弹簧的弹性、摩擦状态、线 圈电阻等也发生变化。但是, 其中对动作时间产生较大影响的是 线圈电阻的变化。已经在继电器的动作原理部分对这一点进行了 说明。电磁铁的动作与电流有关。在直流电磁铁下, 电流可表示 为以下公式。

i : 线圈电流
R : 线圈电阻
E : 线圈外加电压
ι : 线圈的时间常数L/R
t : 从电压外加时经过的时间
在这里线圈温度若是上升, 如前面所述, 线圈电阻在0.4%/℃下 变大, 线圈时间常数(L/R) 的R (线圈直流电阻) 也变大, 因此接点的等待时间就缩短, 动作时间也在变快的方向上产生作 用。相反, 线圈电阻的增加引起线圈电流的减少, 因此在电压操 作的继电器中, 动作时间反而变长。下图表示关于电压操作和电 流操作各自动作时间相对于线圈温度而发生的变化。
如大型继电器那样动作时间要花费数10ms的继电器, 即使温度变 化, 也不会发生较大变化, 在10ms以下的小型继电器中可以看到 温度引起的变化的倾向。

●使用周围环境
银移动(silver migration)
银的移动现象是银端子(电极)间长时间施加直流电压,在湿度及 氧化还原环境的条件下,称为银移动。随着这种现象的进行,可能 会降低绝缘性,偶尔在电路间发生短路等故障。


银移动发生以及进程加速的条件中尚有较多不明确的地方, 不能 一概而论, 一般总结为以下几点。
发生条件
|
加速条件
|
银的存在 |
·外加电压高,绝缘距离短。
(电位频率高)
·绝缘材料的吸水率高。
·氧化还原性气体
(SO2、H2S、NH3)等的存在 |
长期施加直流电压 |
吸湿性高的绝缘物 |
在高温、高湿中使用 |
本公司的一般继电器中, 未进行端子银电镀处理, 因此不会发生银移动。
晶体管触须线(cat whisker)
若长期保存电镀的零件, 可以看到在表面长有针状的结晶。由于 该结晶像触须或者形状与猫的胡须相似, 所以称为触须线。根据 该金属结晶的长度, 有时会造成电路间的短路故障。
发生触须的原因尚不明确, 但是在底材为黄铜、锌, 电镀为锡、 锌等的情况下, 特别容易发生。

本公司的一般继电器由于采用了焊接电镀及特殊镀锌, 已经对这 些触须采取了相应的对策, 但是在零件设计、印刷基板、模式设 计时, 在镀锌镀锡零件和电气电路之间应保持充分的绝缘距离 等。
热带处理继电器
内置于产品单件、设备中, 船舶通过热带地区时, 可能会暴露在 高温、多湿下。
在此环境下为保护金属材料, 本公司备有变更包装规格后的热带 处理继电器。
环境引起的接点老化
即使完全不使用继电器,长期保管,接点也会有老化。例如,如下 表所示,受大气中所含硫黄、碱等的影响。库存多年的情况下,或 使用镀金接点、包金接点等继电器,或在出厂时实施通电检查。
地区
|
检测元素
|
接点表面观察结果
(Ag接点 放置12个月后) |
化学工场 |
Ag、S |
可以看到全部接点上几乎都有均一致密的腐蚀 生成物,分析检测出Ag2S |
制铁厂 |
Ag、S |
可看出全面不规则的凹凸,各处散布柱状结 晶,分析检测出Ag2S,膜厚约100A°左右 |
汽车道 |
Ag、S、CL |
细微的球状结晶稀疏散布,各处白部分Ag2S极 薄,膜厚为20A°左右 |
 

●接点
接点的固有特性
如果从使用上来考虑接点的特性, 是指接触电阻稳定, 寿命越长 越好, 为了满足这些条件, “接点追踪”、“接点压力” 是两个 重要因数。
接点压力在一般使用的银或者其合金中为5~50g, 金、铂、钯等 贵金属接点中一般为3 ~10g。由于开关容量小, 抗环境性比较 好, 因此贵金属接点下的值较小。
接点追踪中即使接点的接触部分有某种程度的消耗, 也需要接 触。该接点追踪与接点压力有着密切的关系, 两者的积为接点部 分的工作量。在限定的工作量中, 或增大接点压力, 或增大接点 追踪, 使用不同的方法, 其接触性也不同。
例如,接点压力大,而接点追踪小时,初期可以看出是否稳定。但 是随着接点的消耗,接点压力急剧减少,不久接触消失。
相反接点压力小,接点追踪大时,不会发生如前所述的情况。但是 接触电阻变高,难以破坏保护膜等。因此带适度接点追踪和接点压 力的继电器,可以说是好的继电器。接触电阻可以分为集中电阻和 界面电阻(保护膜电阻)。
接点接触乍一看上去好像是整个面的接触, 但实际由于接点的形 状、表面的粗糙度等, 只是接触了1点或者多点。电流集中流通 到这个接触点而产生的电阻就是集中电阻。
从“基本构成和动作原理” 可以发现与接点硬度、接点压力、 接点材质的固有电阻有关。这个接触部的模型如下所示。即接触 是比外观更小的接触面积, 电流在集中状态下流通。
以下表示测量接点压力和接触电阻关系时的实际示例。

另外, 接点如果暴露在空气中, 不能避免氧化保护膜、硫化保护 膜等的生成, 引起这些反应的电阻称为界面电阻(薄膜电阻)。 一般在使用接点前的状态下, 集中电阻所占的比例较大, 在使用 中, 由于电弧引起消耗、机械性磨损等, 相反界面电阻增多。这 些根据动作频率而有所不同。在频率大的接触面上比较清洁, 界 面电阻(薄膜电阻) 较小, 频率小的上面可能会生成相当高的电 阻保护膜。
另外, 样本目录等上记载有接触电阻值。这些值只不过是用标准 性试验方法规定的初始值。实际上, 需要使用符合各自装置的接 触电阻。一般负载阻抗的容许值, 除像传送声音电流时, 失真、 衰减造成问题的特殊情况外,接触电阻值为可容许负载阻抗的1~ 5%。
负载条件和接点
继电器上发生的故障中, 多半是接点接触性问题所引起的, 根据 负载条件不同, 其故障内容也有所不同。负载条件可大致分为微 小能源· 水平(小功率电路) 、中间能源· 水平、高能源· 水平。
微小能源· 水平, 严格地来讲称为机械性接触电路, 是指不会因 热、放电等接点的接触状态而发生变化的负载条件。但是在实际 情况中, 即使施加某种程度的电压, 由于接触状态不变化, 因此 包含其负载条件在内, 进行定义。对接触状态不产生影响的界限 电压称为接点软化电压(Softening Voltage), 银为0.09V、金为 0.08V、铂为0.25V、钨为0.6V。
中间能源· 水平是指引起轻度放电现象的负载条件, 从接点软化 电压到电弧开始放电的电压。电弧开始放电的电压, 银为12V、 金为15V、铂为17.5V、钨为15V, 10%的钯银合金为11V。
高能源· 水平是指电弧开始放电电压以上的电压。
有关接点的特殊问题
接点根据使用方法会发生特殊现象。以下表示这些内容。
(1)负载开关时的异常腐蚀现象
这个现象是负载开关时的电弧和空气中的N、O结合, 一般生成 HNO3腐蚀金属材料(硝酸腐蚀)。

对策:
1.通过消弧电路减少负载开关时的电弧量。
2.减少开关频率, 消除持续的电弧。
3.降低使用环境的湿度。
(2)金属(coherer)效果
是接点通过接点表面的保护膜接触时, 接点电压达到某个值以上 后, 该保护膜被电气性破坏, 接触电阻急剧降低的现象。
(3) 热电动势
继电器接点构成材料的材质由功能多种多样的金属(银、铜合金 等) 组合而成。这些构成材料的接合部, 由于距离发热体(例 如线圈) 距离及传热路径的不同等而产生温度差。其结果是在接 点端子间产生热电动势(约数μV~约数10μV)。特别是使用微 小信号时要注意。
使用闭锁(保持) 继电器, 由于线圈的通电时间缩短, 控制线 圈发热来降低热电动势, 或使用热电动势小的继电器(特别顾及 了接点导电部的材质形状) 等来降低热电动势。
各负载条件下的接触性
在微小能源水平和高能源水平下, 在接点中发生的现象完全不 同。前者是接点消耗较少, 但是有无接触不良的问题。后者是接 点的消耗、熔化、转移等的问题。
在微小能源水平下, 接点的清洁度最为重要。附着不导通物质, 生成不导通的保护膜是造成接触不良的主要原因。
不导通物质有土沙, 纤维等尘埃。但在微小负载用的继电器中, 接点的导线、接点压力较小, 因此这类物质附着在接触面后, 会 引发接触不良。这种问题与接点材质无关, 主要是继电器的选择 以及使用方法方面的问题。生成不导通保护膜是由于空气中含有 的水分、油脂或者氧化物、其他继电器自身及建筑物排出来的有 机气体、汽车等的排气、工厂的煤烟、焊接的焊剂、工程人员的 指纹等。
对于不导通保护膜。需要在继电器构造、接点材质、环境整顿等 方面采取对策。
一般使用的银接点较容易氧化硫化。但是其中的氧化保护膜对于 接触性没有较大的影响, 而硫化保护膜有较大影响。这种情况下 使用难以发生硫化的贵金属。一般使用钯、金、铂等和银的合金 接点。另一方面, 铂系的接点利用苯、汽油等释放的不饱和性有 机气体, 生成绝缘体的粉末(褐色粉末)。金不会生成保护膜, 因此接触性稳定, 但由于较柔软, 低接点压力下接触部分会变 形,变形后不可使用。因此在钯等的2层接点的上层使用或者用于 保护接点的金保护膜等。
在微小负载也可引起放电的条件下, 接点氧化, 燃烧空气中含有 的可燃性物质, 生成碳化保护膜。碳化保护膜不是完全的绝缘 体, 有时可达到数10~数100Ω。
在高能源水平下, 电弧放电由于持续产生能源, 接点开关时熔蚀 接点, 使其成为金属蒸气并飞散等, 造成接点的消耗。另外从一 方接点分离的金属粒子与其他方的接点结合, 引起接点转移, 然 后接通时可能会引起溶解结合等接点故障。
直流时, 像交流一样, 电压或者电流没有零点, 即使是相当小的 负载, 电弧也可持续较长时间。
在这样的负载条件下, 因金属粒子的附着、绝缘物的碳化会引起 绝缘老化, 因此需要注意绝缘物的材质、形状。
接点故障根据负载种类而有所不同。变压器、电机、灯等的负载 中有较大的冲击电流流通, 因此常有接点熔化事故发生。在灯、 电机、变压器、螺线管等中流通数倍到数10倍的电流。
在电机、变压器、螺线管等感性负载中, 断路时发生较大的逆起 功率。这个电压为达到恒定电压的4~20倍, 有时会消耗接点、 破坏负载。

|