
压力传感器,是指以膜片装置(不锈钢膜片、硅酮膜片等)为媒介,用感压元件对气体和液体的压力进行测量,并转换成电气信号输出的设备。

半导体压电阻抗扩散压力传感器是在薄片表面形成半导体变形压力,通过外力(压力)使薄片变形而产生压电阻抗效果,从而使阻抗的变化转换成电信号。
静电容量型压力传感器,是将玻璃的固定极和硅的可动极相对而形成电容,将通过外力(压力)使可动极变形所产生的静电容量的变化转换成电气信号。 (E8Y的动作原理便是静电容量方式,其他机种采用半导体方式)。
半导体形变压力计的结构
压电效果的定义


是以大气压为标准来表示的压力大小。
比大气压高的压力称为“正压”,比大气压低的称为“负 压”。
以绝对真空为标准表示的压力大小。
相对于任意的比较压力(标准压)表示的压力大小。

是指大气的压力。标准大气压(1atm)相当于高度为760mm的水银柱产生的压力。
是指比大气压低的压力状态。
可使用传感器的检测压力范围。
恢复到检测压力时,不会引起性能下降的可承受压力。
在一定温度(23℃)下,增减压力时,在检测压力的全部值中除去反运行的压力值后的动作点压力变动值。
在一定温度(23℃)下,从全部值中除去施加零压力及额定输出时的输出电流的规格值(4mA、20mA)中的偏离值。
单位用%F.S.表示。
模拟输出相对于检测压力,几乎呈直线性变化,但与理想直线有若干偏离。这种偏离相对于全部值用%来表示。

在零电压和额定电压下,在各输出电流(或电压)值间划出理想直线,求得实测电流(或电压)值和理想电流(或电压)值间的误差值。求得压力上升时的误差值和压力下降时的误差,在全部的电流(或电压)中除去这些差的绝对值的最大值后的值。单位用%F.S.表示。
指从压力的全部值中除去输出的ON点压力和OFF点压力之差后的值。

是指空气中所含的物质(氮气、二氧化碳等)和惰性气体(氩、氖等)。
在1993年11月1日实施的新计量法中,除生物体内压力的测量外,禁止使用Torr。
此外,从1999年9月30日起开始禁用kgf/m2和mHg(血压测量除外)、mH2O。
|
|
kgf/cm2 |
mmHg |
mmH2O |
Pa |
|---|---|---|---|---|
1kgf/cm2 |
1 |
735.559 |
1.000028×104 |
0.0980665M |
1mmHg |
1.3595×10-3 |
1 |
1.3595×10 |
0.133322k |
1mmH2O |
0.99997×10-4 |
7.356×10-2 |
1 |
0.00980665k |
1Pa(N/m2) |
1.0197×10-5 |
7.5006×10-3 |
0.10197 |
1 |

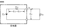
Ro:输出阻抗
Rx:负载电阻
Eo:输出电压(端子打开时)
lx:负载电流(连接负载Zx时)
在图1中,连接负载电阻(Rx)时的流过的电流为
根据公式(1)求输出阻抗(Ro)为
然后,测定输出开放时的电压(Eo)。接着测定连接负载电阻(例如转换器的容许负载电路的最小值)时的电压(Ex)。将测得的Eo和Ex值以及连接的负载电阻值(Rx)代入公式(2)中,计算出转换器的输出阻抗(Ro)。
在图2中,连接负载电阻(Rx)时的输出端子电压(Ex)为
Ex = IxRx =(Io=Ix)Ro …(3)
根据公式(3)求输出阻抗(Ro)为
然后,测量输出短路时的电流(Io)。
Ro:输出阻抗
Rx:负载电阻
lo:输出电流(端子短路时)
lx:输出电流(连接负载Rx时)
Ex:输出电压(连接负载Rx时)
接着,测定连接负载电阻(例如转换器容许负载电阻的最大值)时的电流(Ix)。将测定时的Io和Ix值以及连接的负载电阻值(Rx)代入公式(4)中,计算出转换器的输出阻抗(Ro)。 此外,这里介绍的转换器的输出阻抗是正常动作时的值。
一般来说,为了使转换器的负载变动造成的影响尽量减少,应尽量使电压输出型转换器的输出阻抗保持为最小值,即接近0Ω。
此外,电流输出型的转换器则与此相反,需要更大的值,即保持无限大的输出阻抗。
|
模拟电压 压力传感器 |
|
|
|
负载 |
||
|
|
||
|
Ro=100 Ω |
|
Rx=1k Ω 以上 |
|
Rx |
误差 |
|---|---|
|
1k Ω |
约10% |
|
10k Ω |
约1% |

|
不能作为冲压的安全装置或其他人体保护用安全装置使用。
本产品与安全性无关,主要用于工件和作业者的检测用途。

安全要点 |
请不要施加超过额定耐压力的压力。
若施加了耐压力以上的压力,可能引起破损。
请避免在有可燃性和爆炸性气体的环境下使用。
使用时请不要超过使用电压范围。若施加了使用电压范围以上的电压,则可能引起破裂或烧毁。
请避免使负载短路。否则可能引起破裂或烧毁。
请避免对电源的极性等进行错误布线。
否则可能引起破裂或烧毁。
使用注意事项 |
使用对应非腐蚀性气体的产品作为适用流体时,请使用经过空气过滤器的,已去除水分?油分的气体。
请勿从导压部插入针等物品。否则会使压力元件破损,无法进行正常动作。
请避免与高压线、动力线并列设置。
安装时,请避免使超声波振动直接碰到传感器。
请勿在导线及接插件部分施加30N以上的拉伸力。
导线的延长在10m以内。详细内容请参见前页(1380页)的输出阻抗项。